Curiosii for ever!
: Car repair manuals for everyone.
Home
>>
Honda Truck
>>
2012
>>
Pilot 2WD V6-3.5L
>>
Repair and Diagnosis
>>
Heating and Air Conditioning
>>
Locations
>>
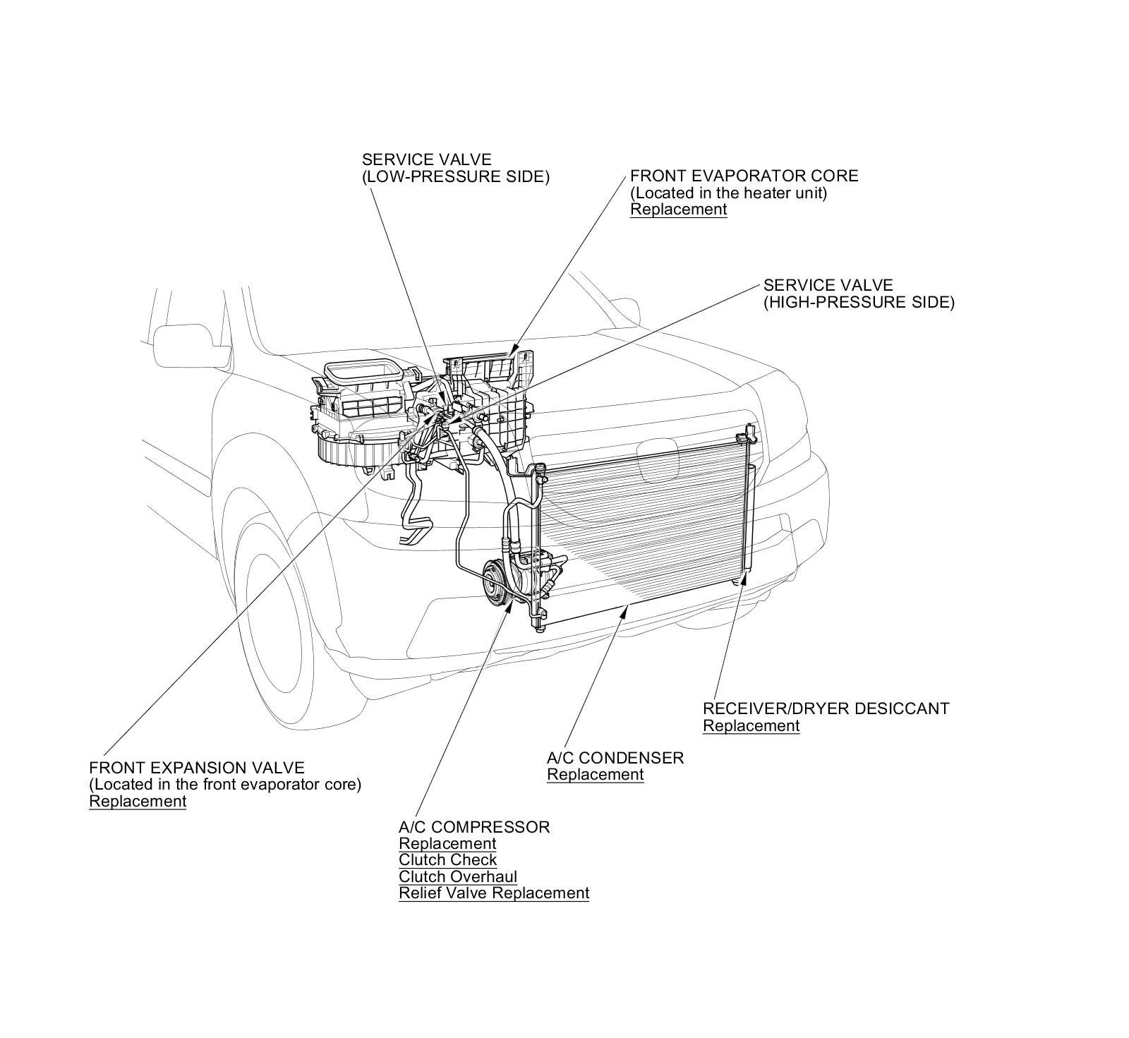
Climate Control System Component Location Index
Climate Control System Component Location Index
Climate Control System Component Location Index