Curiosii for ever!
: Car repair manuals for everyone.
Home
>>
Honda Truck
>>
2010
>>
Pilot 4WD V6-3.5L
>>
Repair and Diagnosis
>>
Powertrain Management
>>
Computers and Control Systems
>>
Variable Valve Timing Actuator Position Sensor
>>
Locations
>>
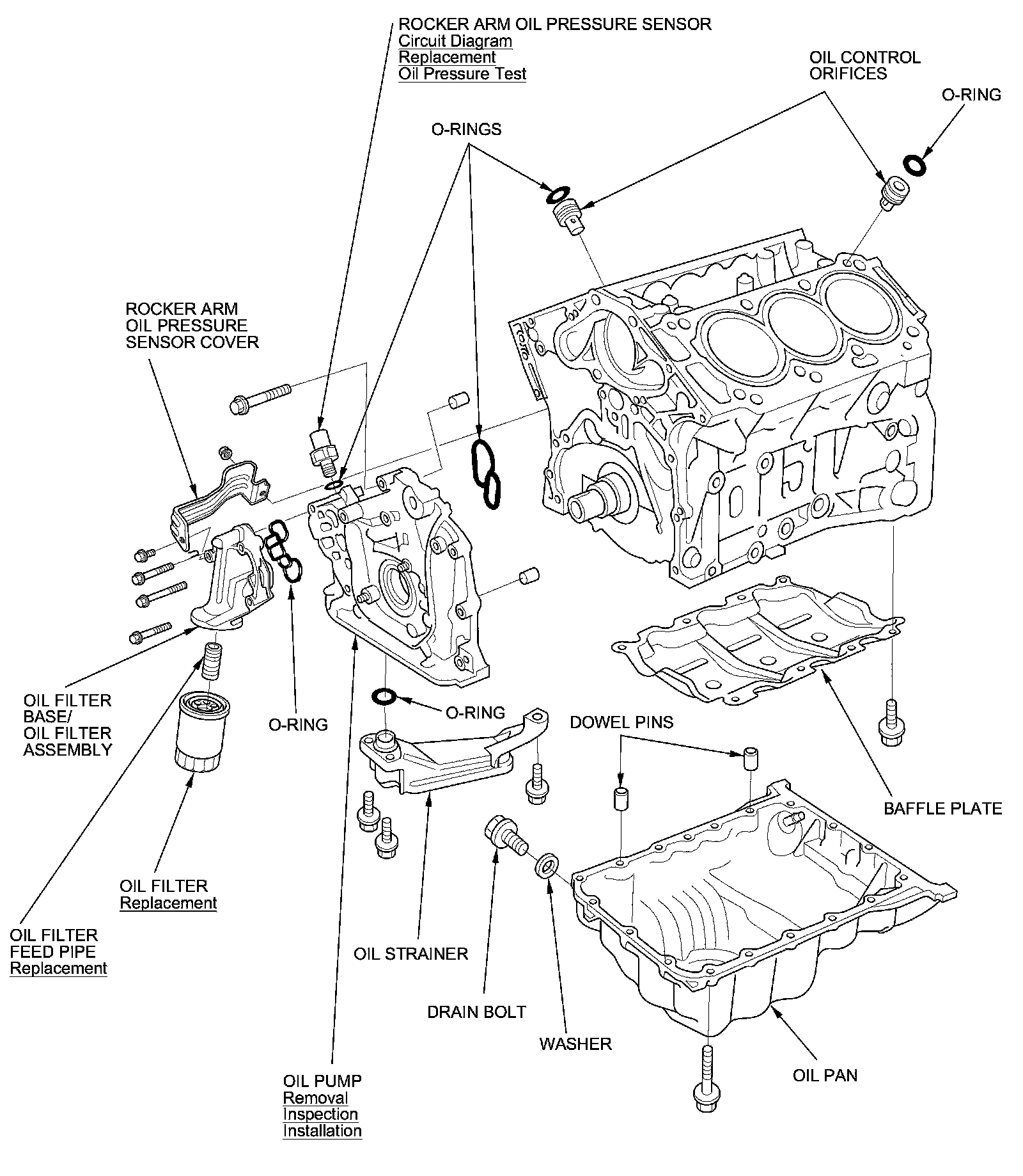
Engine Lubrication System Component Location Index
Engine Lubrication System Component Location Index
Engine Lubrication Component Location Index