Curiosii for ever!
: Car repair manuals for everyone.
Home
>>
Honda Truck
>>
2010
>>
Pilot 2WD V6-3.5L
>>
Repair and Diagnosis
>>
Power and Ground Distribution
>>
Fuse Block
>>
Locations
>>
Component Locations
>>
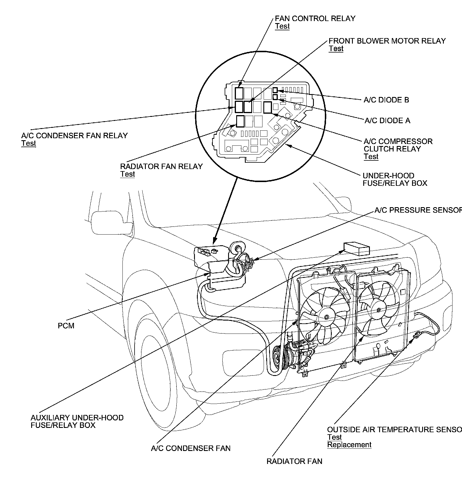
Heating And A/C Systems Component Location Index
Heating And A/C Systems Component Location Index
Heating and A/C Systems Component Location Index