Curiosii for ever!: Car repair manuals for everyone.

Knock Sensor: Service and Repair




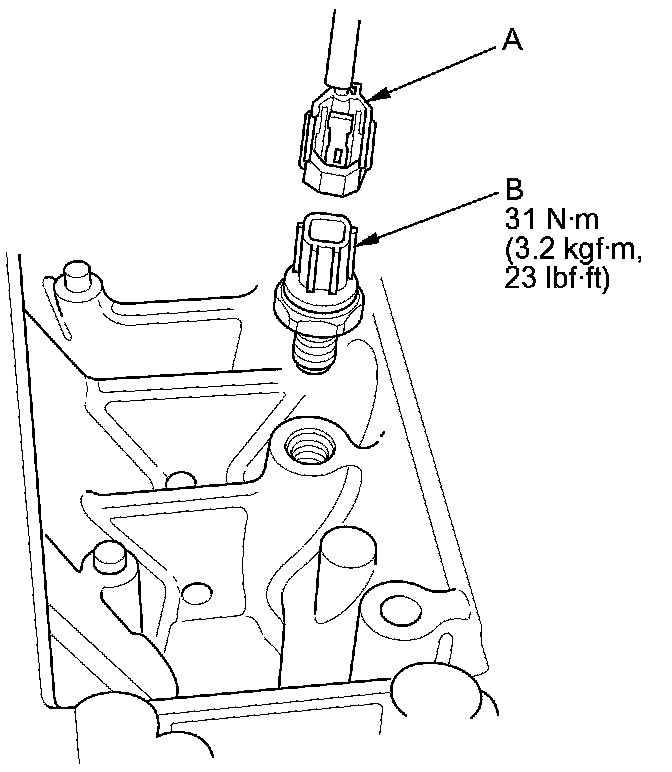
Knock Sensor Replacement

1. Remove the intake manifold Intake Manifold Removal/Installation.

2. Remove the injector rails and the injector base.

3. Disconnect the knock sensor 1P connector (A), then remove the knock sensor (B).





4. Install the parts in the reverse order of removal.