Curiosii for ever!: Car repair manuals for everyone.

A/C Control Panel Removal/Installation




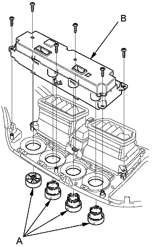
A/C Control Panel Removal/Installation

1. Remove the center panel Dashboard Center Panel Removal/Installation.

2. Remove the dials (A), the self-tapping screws, and the A/C control panel (B).





3. Install the A/C control panel in the reverse order of removal. After installation, operate the various functions to make sure they work properly.

4. Run the self-diagnostic function to confirm that there are no problems in the system How to Troubleshoot the Heating and A/C Systems.