Curiosii for ever!: Car repair manuals for everyone.

Communications Control Module: Service and Repair




HandsFreeLink Control Unit Removal/Installation

SRS components are located in this area. Review the SRS component locations Locations, and the precautions and procedures Service and Repair before doing repairs or service

NOTE:

- Put on gloves to protect your hands.
- Take care not to scratch the dashboard and related parts.
- Tell the customer they need to write down all phone numbers as there is no way to transfer the information in the original HandsFreeLink control unit to a new HandsFreeLink control unit.

1. Remove the center lower cover Dashboard Center Lower Cover Removal/Installation.

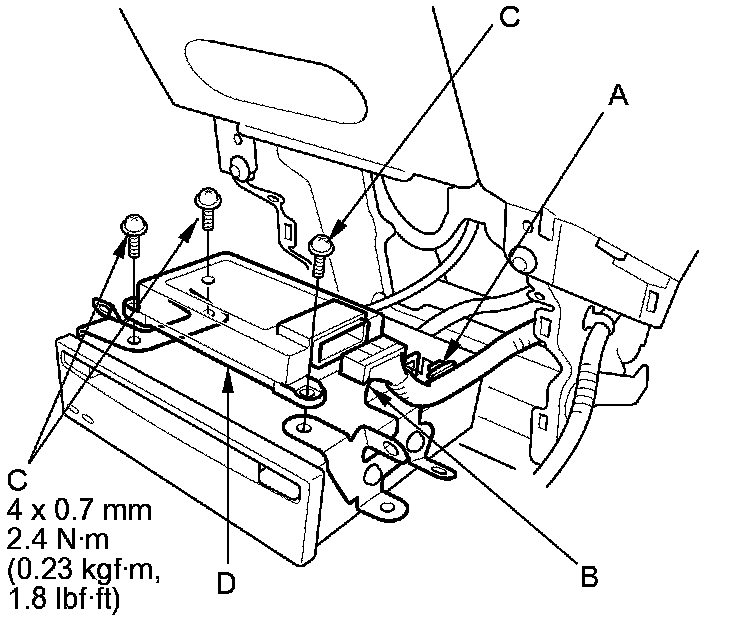
2. Remove the bolts (A), and pull the DVD player unit (B) down.






3. Detach the harness clip (A) and disconnect the connector (B).





4. Remove the bolts (C), and HandsFreeLink control unit (D).

5. Install the HandsFreeLink control unit in the reverse order of removal. After replacing the HandsFreeLink control unit, tell the customer:

- They need to pair the phones to the system.
- They need to set up their system preferences.