Curiosii for ever!: Car repair manuals for everyone.

Procedures




Battery Terminal Disconnection and Reconnection

Disconnection

NOTE: Some systems store data in memory that is lost when the battery is disconnected. Do the following procedures before disconnecting the battery.

1. Make sure you have the anti-theft code(s) for the audio and/or the navigation system (if equipped).

2. Make sure the ignition switch is in LOCK (0).

3. Disconnect and isolate the negative cable from the battery.

NOTE: Always disconnect the negative cable from the battery first.

4. Disconnect the positive cable from the battery.

Reconnection

NOTE: Some systems store data in memory that is lost when the battery is disconnected. Do the following procedures to restore the systems back to normal operation.

1. Clean the battery terminals.

2. Test the battery Testing and Inspection.

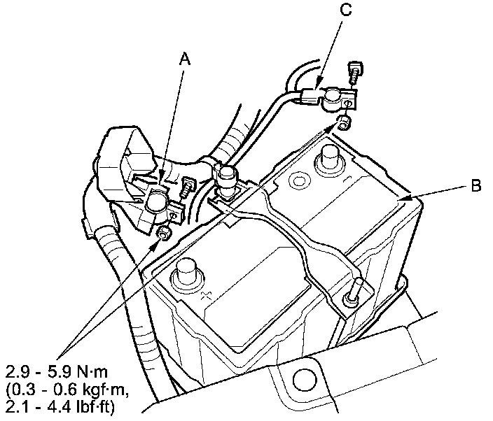
3. Reconnect the positive cable (A) to the battery (B) first, then reconnect the negative cable (C) to the battery.

NOTE: Always connect the positive cable to the battery first.





4. Apply multipurpose grease to the terminals to prevent corrosion.

5. Reset the power window control unit Testing and Inspection.

6. Enter the anti-theft code(s) for the audio system and/or the navigation system (if equipped).

7. Set the clock (for vehicles without navigation).