Curiosii for ever!
: Car repair manuals for everyone.
Home
>>
Honda Truck
>>
2010
>>
Element 2WD L4-2.4L
>>
Repair and Diagnosis
>>
Powertrain Management
>>
Computers and Control Systems
>>
Variable Valve Timing Actuator
>>
Locations
>>
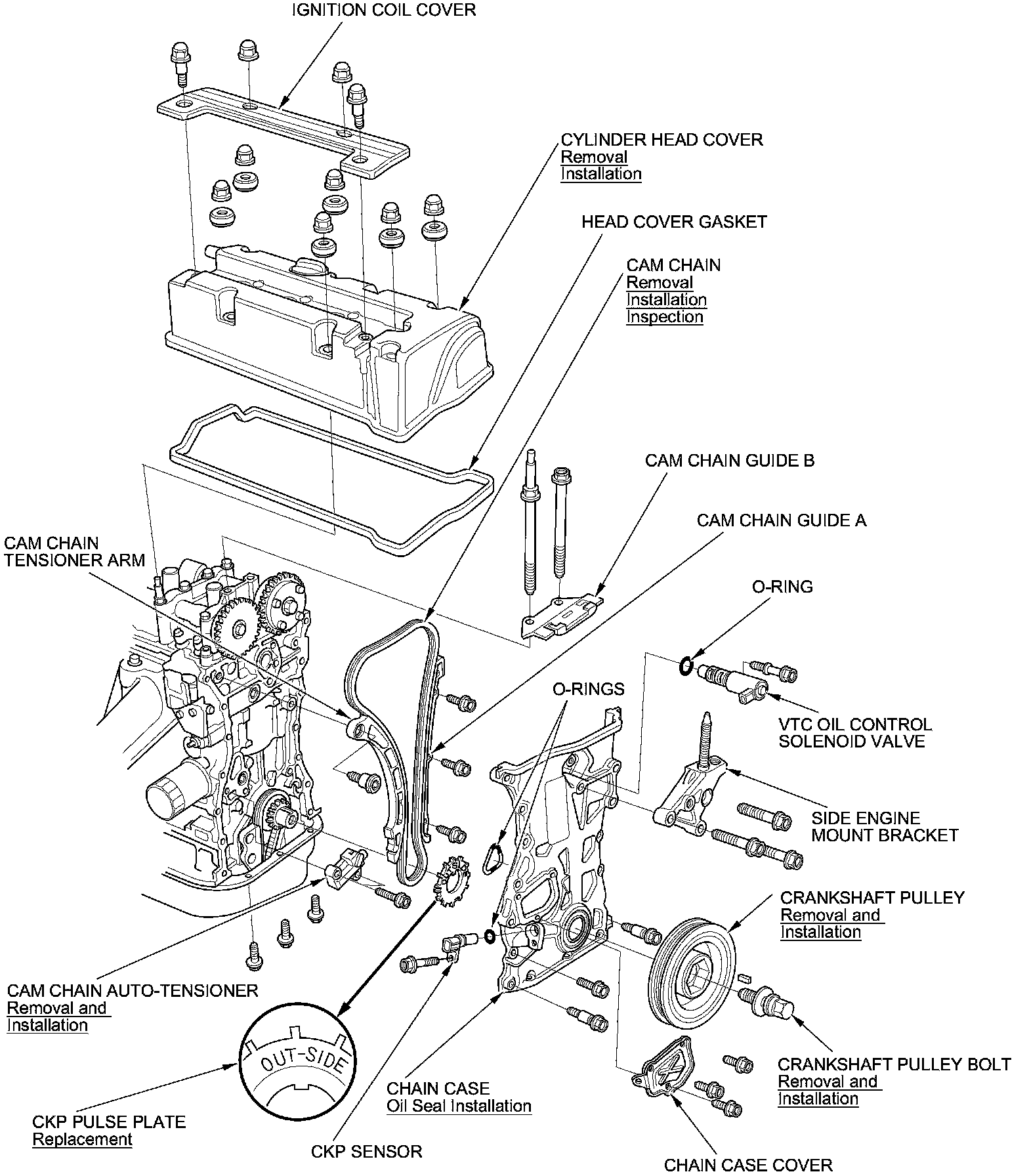
Cylinder Head Assembly Component Location Index
Cylinder Head Assembly Component Location Index
Cylinder Head Assembly Component Location Index