Curiosii for ever!: Car repair manuals for everyone.

ABS Sensor Block: Service and Repair




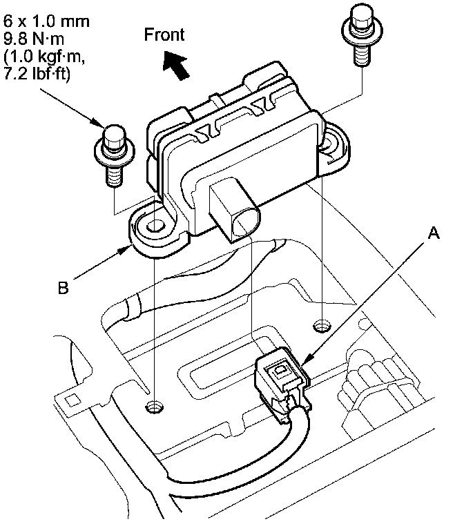
VSA Sensor Cluster Replacement

NOTE:

- Do not damage or drop the sensor as it is sensitive.
- Do not use power tools when replacing the sensor.

1. Turn the ignition switch to LOCK (0).

2. Remove the center console:

- SC model Center Console Removal/Installation (SC)
- Except SC model Center Console Removal/Installation (Except SC Models)

3. Disconnect the sensor cluster 6P connector (A).





4. Remove the sensor cluster (B).

5. Install the sensor cluster in the reverse order of removal.

6. Do the VSA sensor neutral position memorization Programming and Relearning.