Curiosii for ever!
: Car repair manuals for everyone.
Home
>>
Honda Truck
>>
2009
>>
Ridgeline V6-3.5L
>>
Repair and Diagnosis
>>
Powertrain Management
>>
Computers and Control Systems
>>
Data Link Connector
>>
Locations
>>
SRS Component Location Index
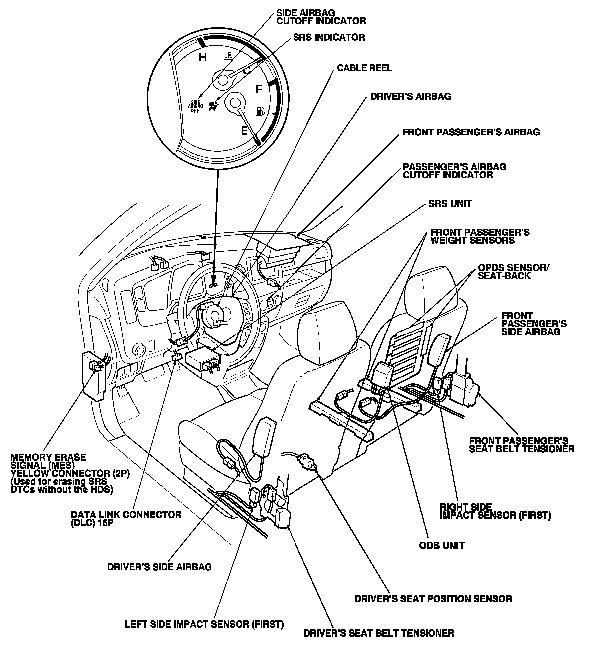
SRS Component Location Index
SRS Component Location Index