Curiosii for ever!
: Car repair manuals for everyone.
Home
>>
Honda Truck
>>
2009
>>
Pilot 2WD V6-3.5L
>>
Repair and Diagnosis
>>
Starting and Charging
>>
Power and Ground Distribution
>>
Fuse Block
>>
Locations
>>
Component Locations
>>
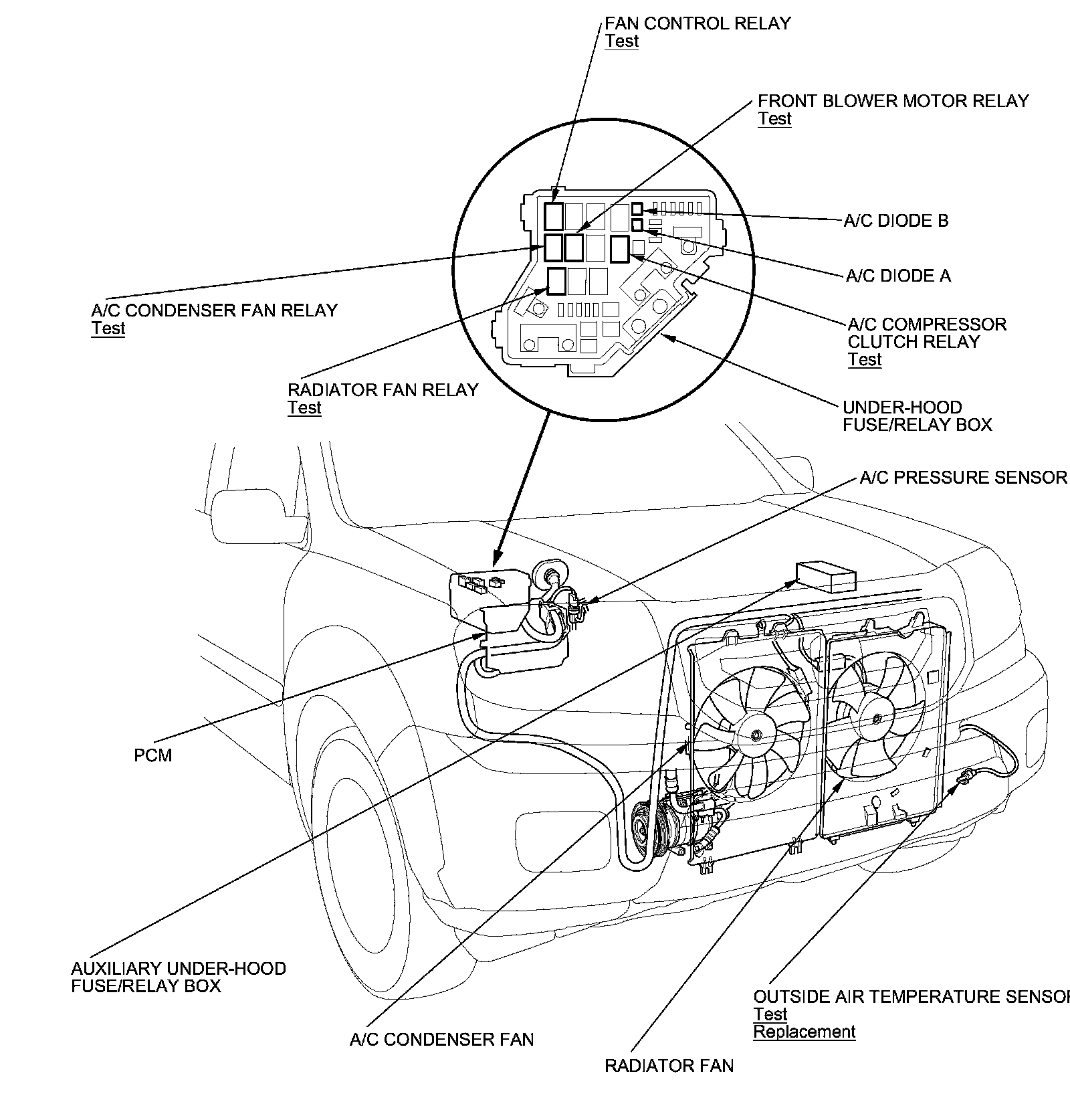
Climate Control System Component Location Index
Climate Control System Component Location Index
Climate Control System Component Location Index