Curiosii for ever!: Car repair manuals for everyone.

Under-Hood Fuse/Relay Box Removal/Installation




Under-hood Fuse/Relay Box Removal and Installation

Special Tools Required

- Relay Puller 07AAC-000A1A0

Removal

1. Do the battery terminal disconnection procedure Procedures.

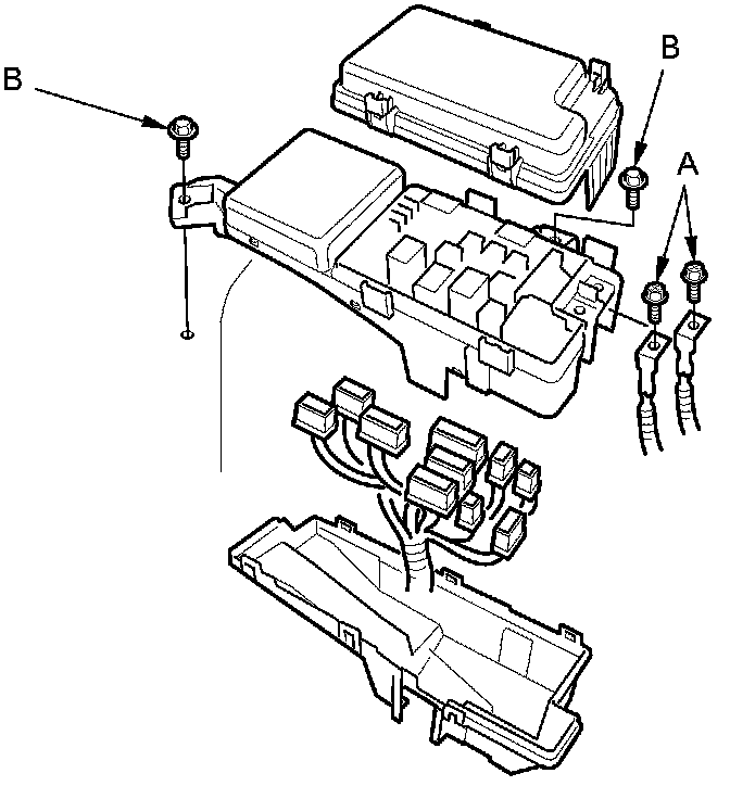
2. Remove the screws (A) for the alternator and battery cable terminals from the under-hood fuse/relay box.





3. Remove the two mounting bolts (B) from the under-hood fuse/relay box.

4. Remove the bottom cover from the under-hood fuse/relay box.

5. Disconnect the connectors from the under-hood fuse/relay box.

6. Carefully remove the relays using the relay puller Power Relay Test or by prying under the base of the relay.

NOTE: Do not use pliers; pliers will damage the relays, which could cause the engine to stall or not start.

Installation

1. Install the relays and connect the connectors to the under-hood fuse/relay box, then install the under-hood fuse/relay box in the reverse order of removal.

2. Install the removed parts in the reverse order of removal.

3. Do the battery terminal reconnection procedure Procedures.

4. Confirm that all systems work properly.