Curiosii for ever!: Car repair manuals for everyone.

Climate Control Panel Removal/Installation




Climate Control Panel Removal/Installation

1. Remove the center panel Dashboard Center Panel Removal/Installation.

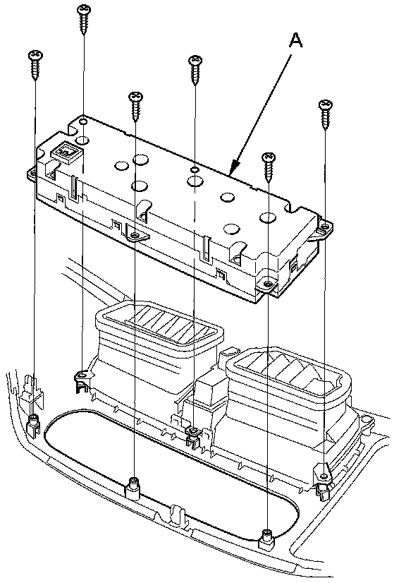
2. Remove the self-tapping screws and the climate control panel (A).





3. Install the control panel in the reverse order of removal. After installation, operate the various functions to see whether works properly.

4. Run the self-diagnostic function to confirm that there are no problems in the system How to Troubleshoot the Climate Control System.