Curiosii for ever!: Car repair manuals for everyone.

Traction Control Module: Service and Repair




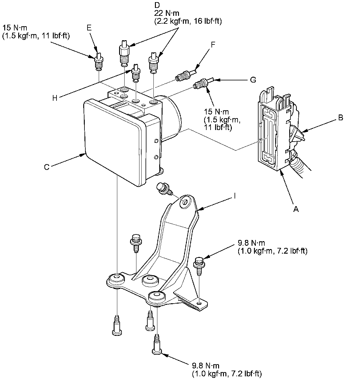
VSA Modulator-Control Unit Removal and Installation

NOTE:

- Do not spill brake fluid on the vehicle; it may damage the paint. If brake fluid gets on the paint, wash it off immediately with water.
- Be careful not to damage or deform the brake lines during removal and installation.
- After removal, plug the ends of the hoses and the joints to prevent spilling brake fluid.

Removal

1. Turn the ignition switch to LOCK (0).

2. Disconnect the VSA modulator-control unit 47P connector (A) by pushing down the lever (B); the connector disconnects itself.





3. Disconnect the six brake lines from the VSA modulator-control unit (C).

NOTE: Brake lines are connected to the master cylinder (D) and to the right-front (E), the left-rear (F), the right-rear (G), and the left-front (H) brake systems.

4. Remove the VSA modulator-control unit with the bracket (I) from the body.

5. Remove the three TORX bolts, then remove the VSA modulator-control unit from the bracket.

Installation

1. Install the VSA modulator-control unit onto the bracket, then tighten the three TORX bolts.

2. Install the bracket with the VSA modulator-control unit to the body.

3. Reconnect the six brake lines, then tighten the flare nuts to the specified torque.

4. Align the connecting surface of the VSA modulator-control unit 47P connector to the VSA modulator-control unit.

5. Pull up the lock of the VSA modulator-control unit 47P connector until you hear it click into place, then confirm the connector is fully seated.

6. Bleed the brake system Service and Repair.

7. Do the VSA sensor neutral position memorization Programming and Relearning

8. Start the engine, and test-drive the vehicle. Make sure the ABS and VSA indicators turn off during the test-drive and do not comeback on.

NOTE: If the brake pedal is spongy, there may be air trapped in the modulator which could then be induced into the normal brake system during brake pedal modulation. Bleed the brake system again Service and Repair.