Curiosii for ever!
: Car repair manuals for everyone.
Home
>>
Honda Truck
>>
2009
>>
CR-V 2WD L4-2.4L
>>
Repair and Diagnosis
>>
Heating and Air Conditioning
>>
Control Assembly
>>
Locations
>>
Component Locations
>>
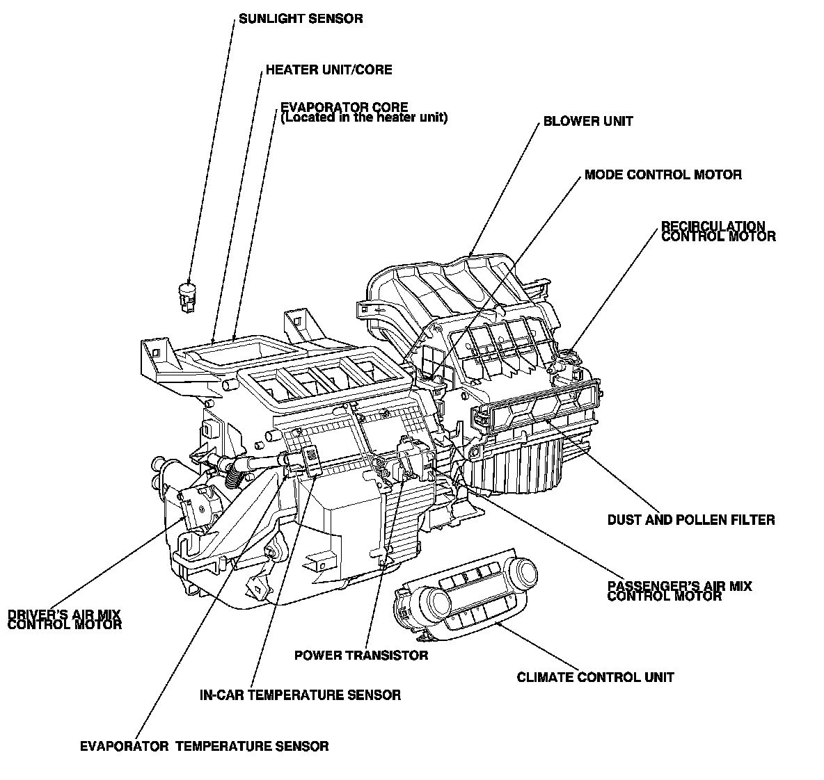
Climate Control System Component Location Index (With Climate Control)
Climate Control System Component Location Index (With Climate Control)
Climate Control System Component Location Index