Curiosii for ever!
: Car repair manuals for everyone.
Home
>>
Honda Truck
>>
2008
>>
Ridgeline V6-3.5L
>>
Repair and Diagnosis
>>
Powertrain Management
>>
Computers and Control Systems
>>
Accelerator Pedal Position Sensor
>>
Description and Operation
>>
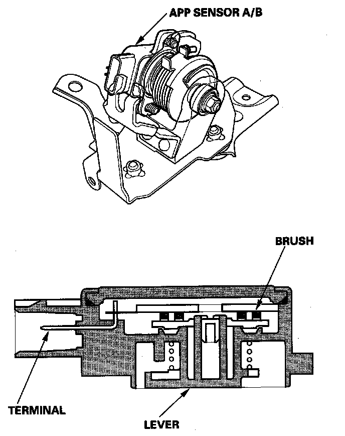
Accelerator Pedal Position (APP) Sensor
Accelerator Pedal Position (APP) Sensor
Accelerator Pedal Position (APP) Sensor
As the accelerator pedal position changes, the sensor varies the signal voltage to the PCM.