Curiosii for ever!
: Car repair manuals for everyone.
Home
>>
Honda Truck
>>
2008
>>
Ridgeline V6-3.5L
>>
Repair and Diagnosis
>>
Diagrams
>>
Exploded Views
>>
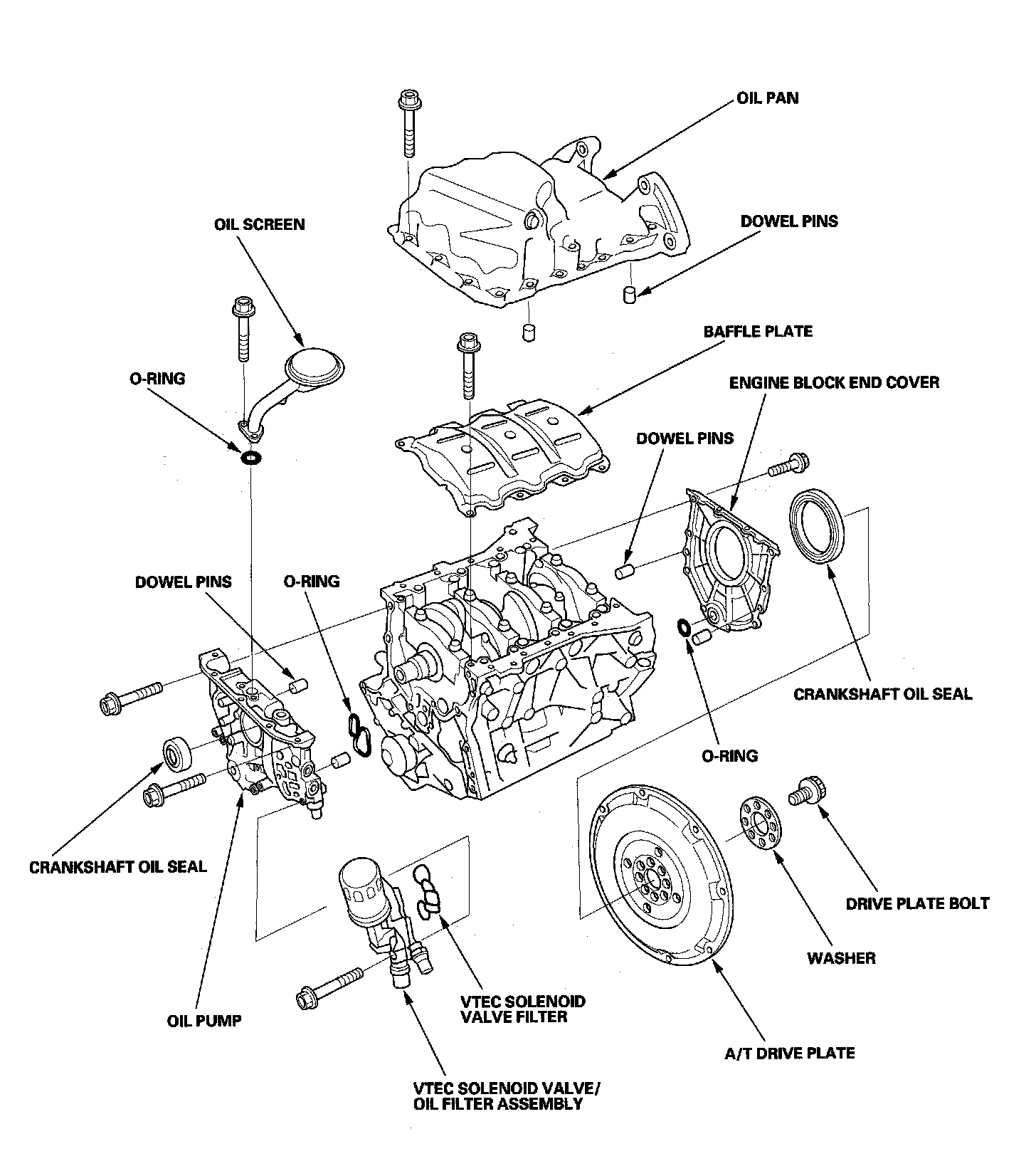
Cylinder Block Assembly
Cylinder Block Assembly
Engine Block Component Location Index (Part 1):
Engine Block Component Location Index (Part 2):
Engine Block Component Location Index (Part 3):