Curiosii for ever!: Car repair manuals for everyone.

PCM Circuit Diagrams

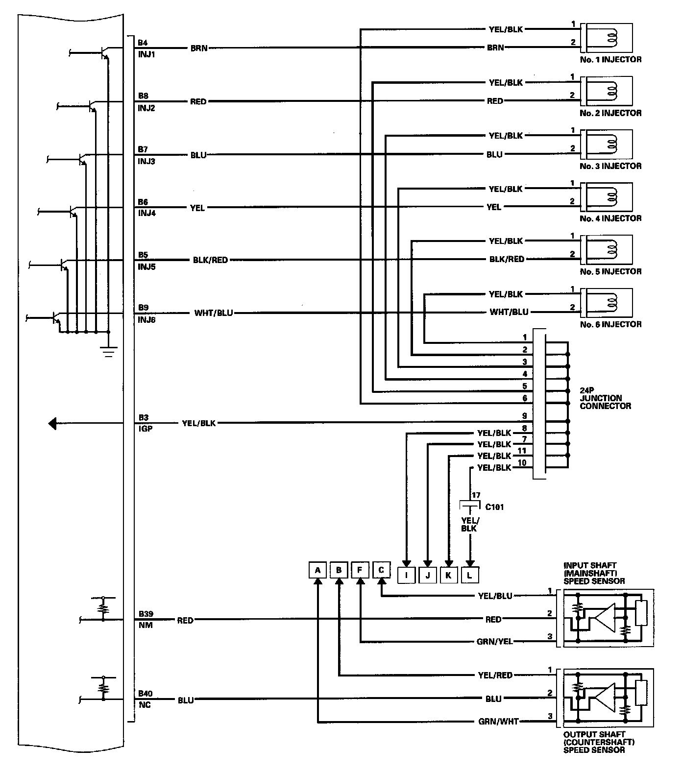
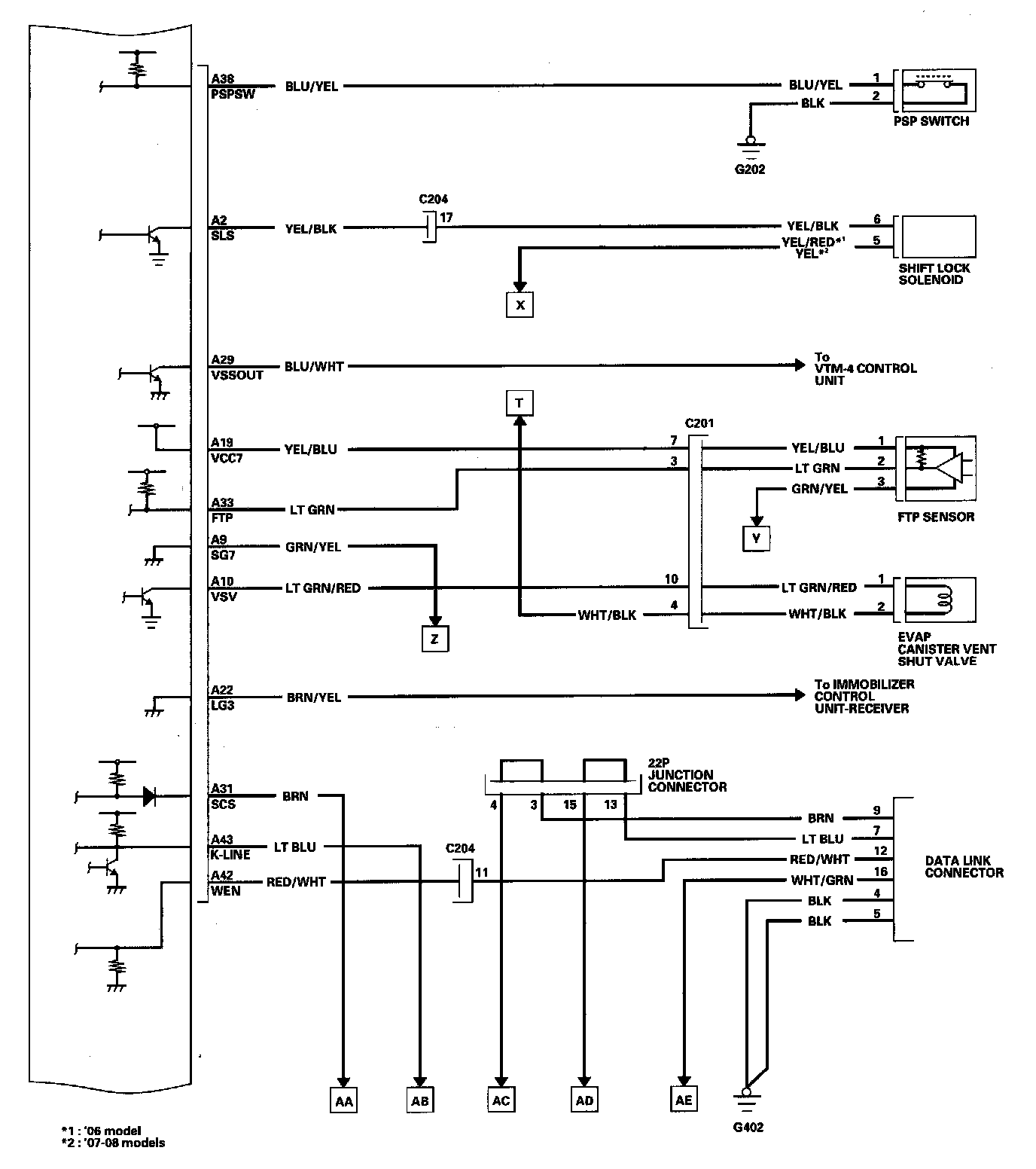
PCM Circuit Diagram Part 1:



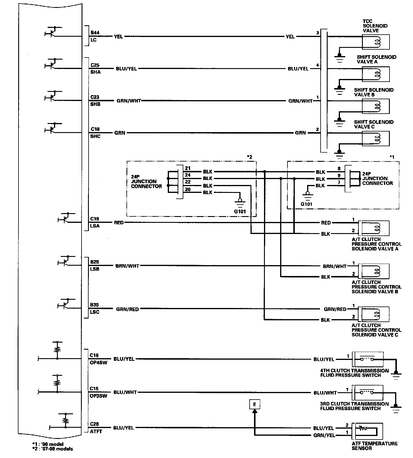
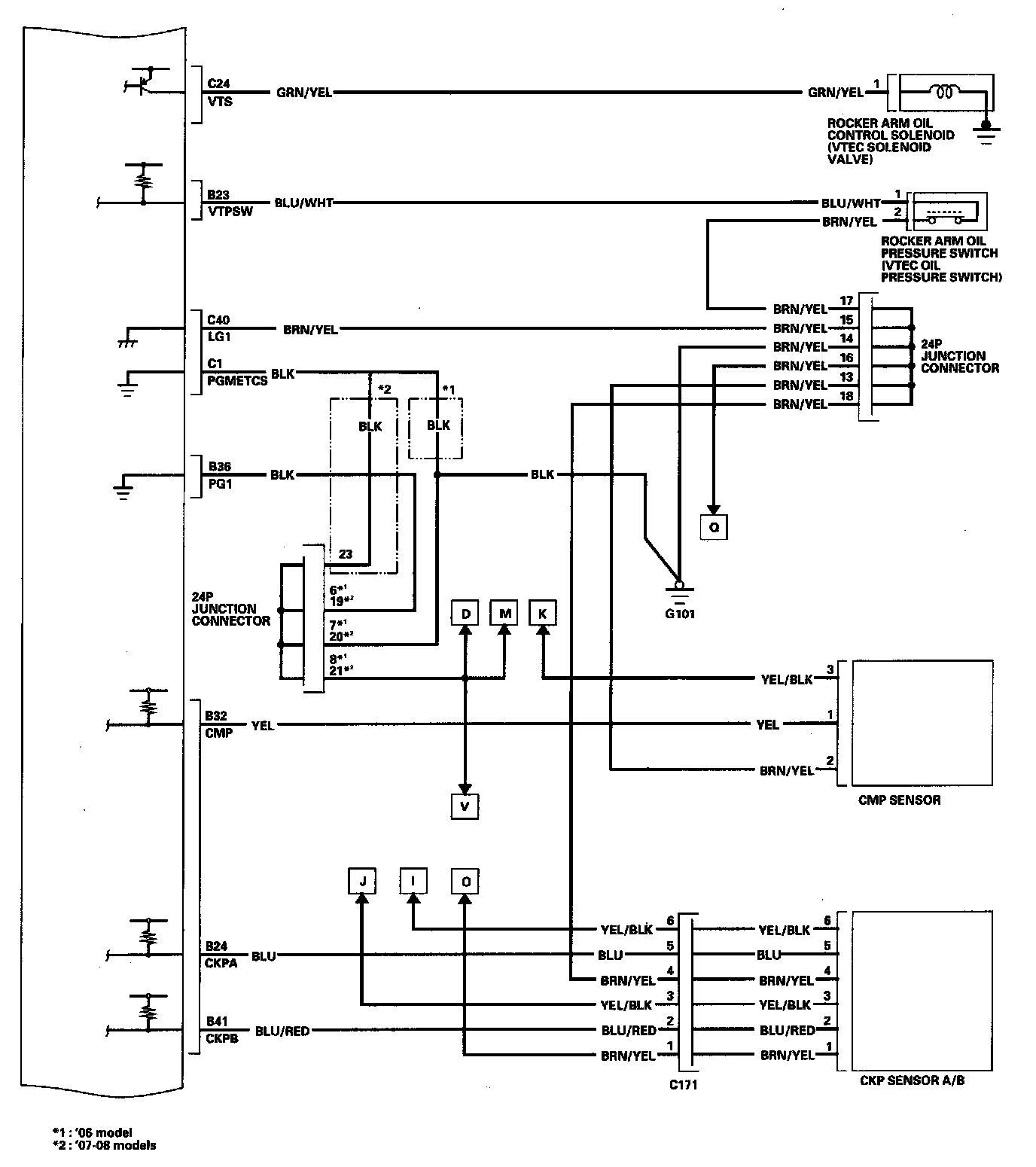
PCM Circuit Diagram Part 2:



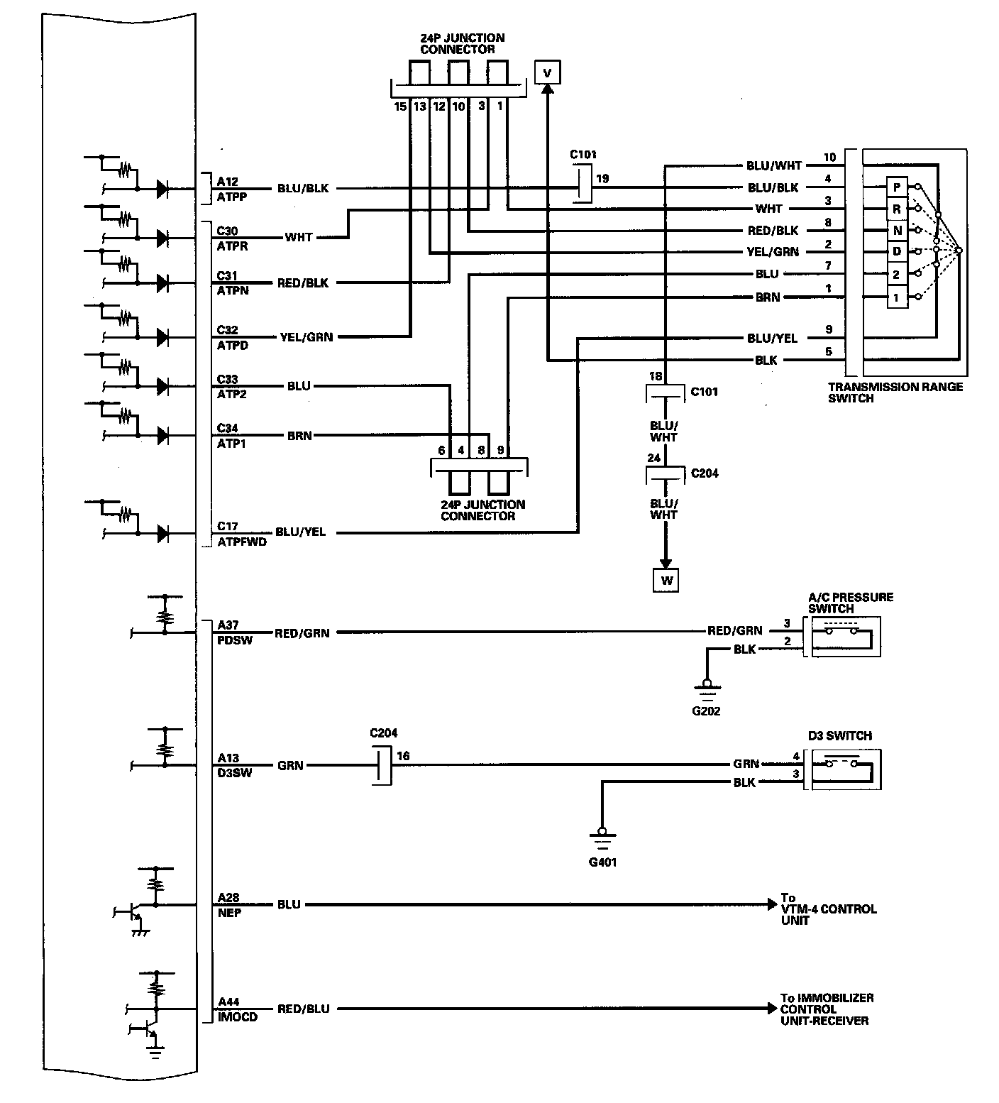
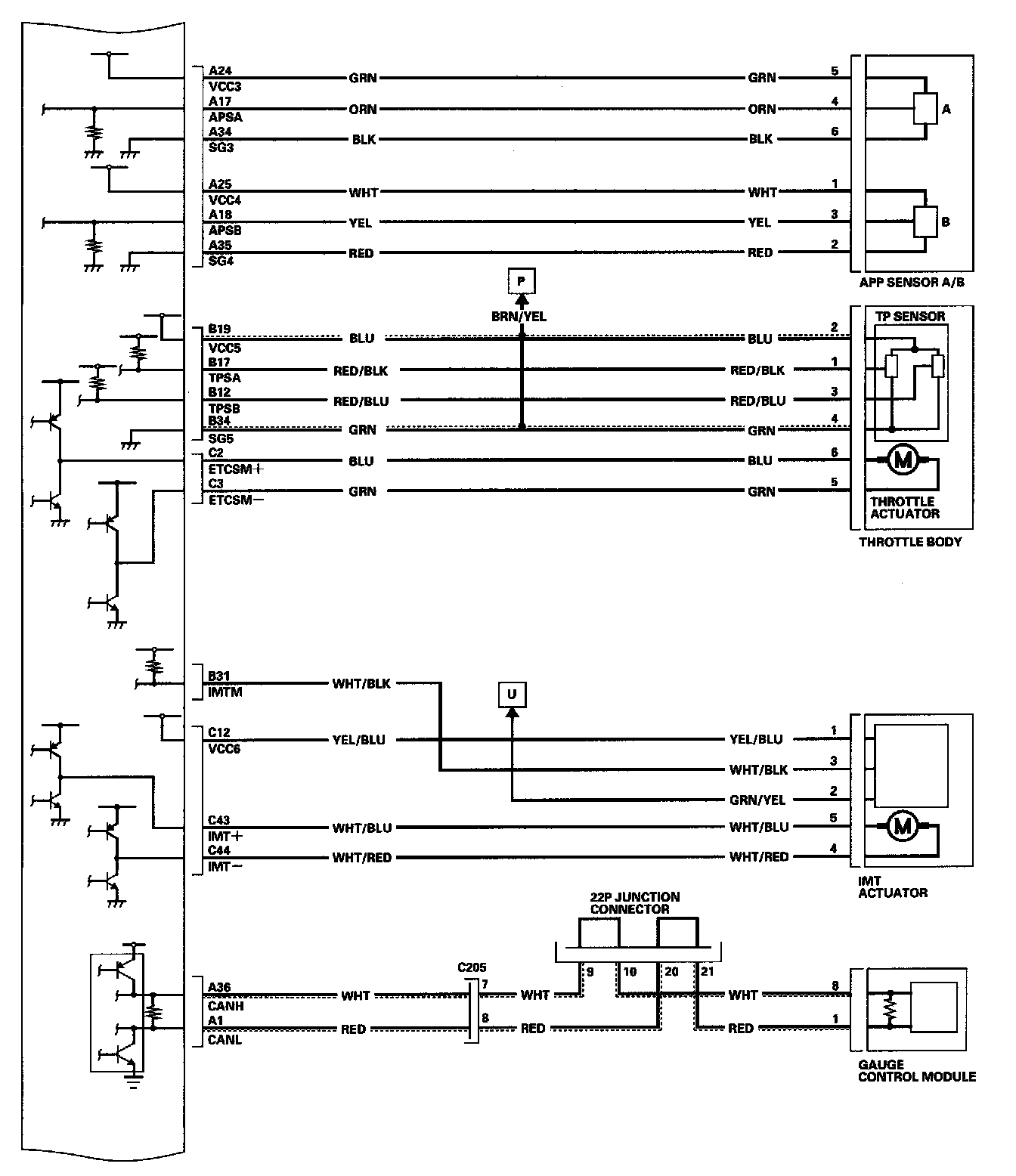
PCM Circuit Diagram Part 3:



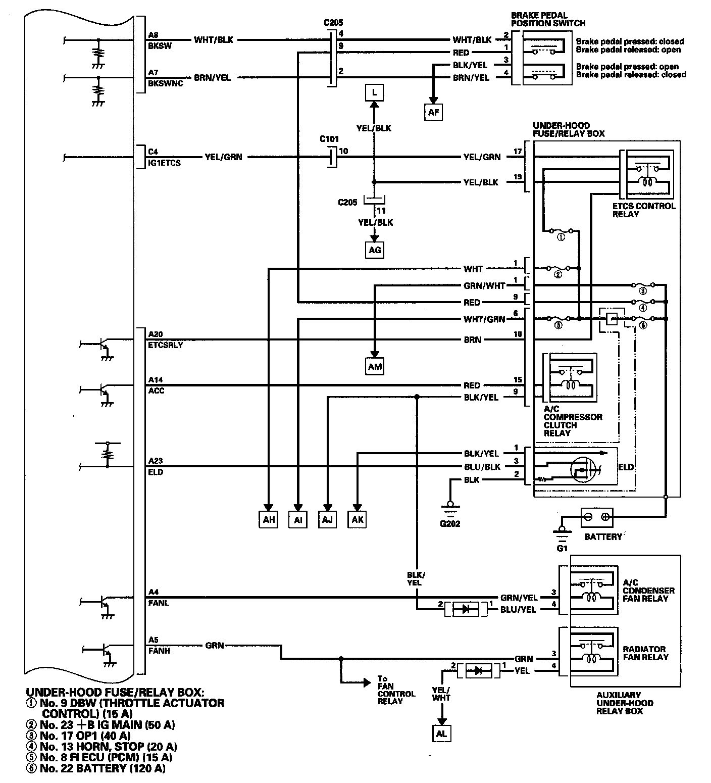
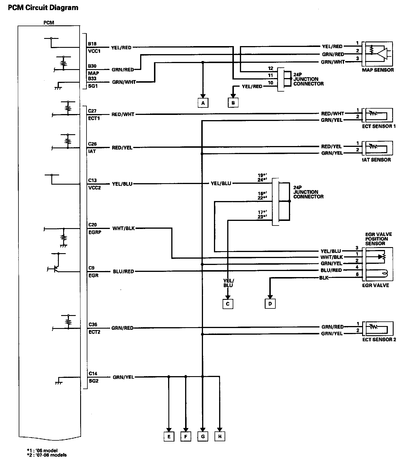
PCM Circuit Diagram Part 4:



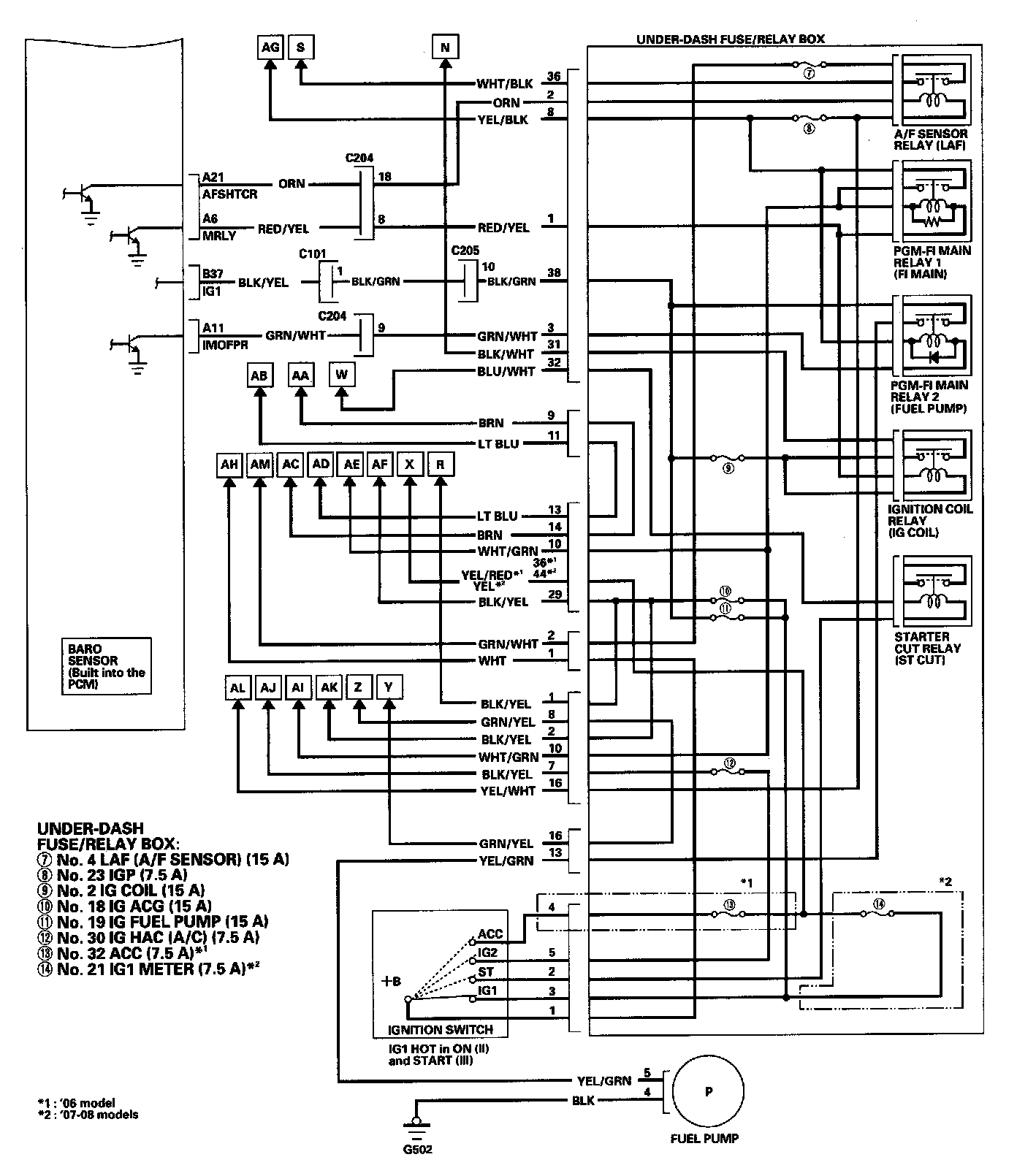
PCM Circuit Diagram Part 5:



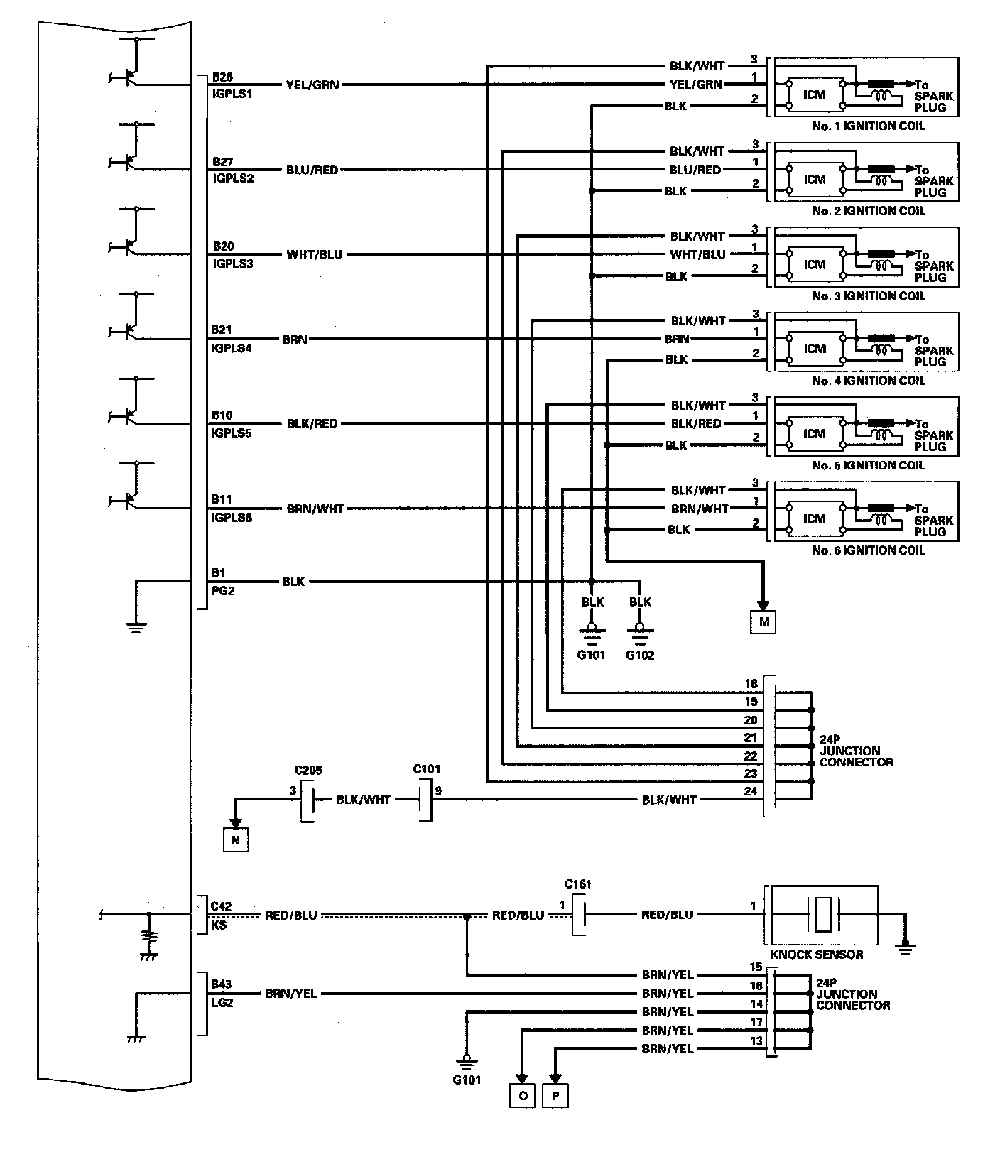
PCM Circuit Diagram Part 6:



PCM Circuit Diagram Part 7:



PCM Circuit Diagram Part 8:



PCM Circuit Diagram Part 9:



PCM Circuit Diagram Part 10:



PCM Circuit Diagram Part 11: