Curiosii for ever!: Car repair manuals for everyone.

Knock Sensor: Service and Repair

Knock Sensor Replacement

1. Remove the intake manifold.
2. Remove the fuel rails and the injector base.
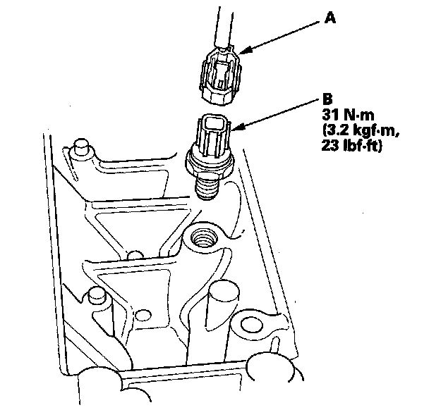
3. Disconnect the knock sensor 1P connector (A), then remove the knock sensor (B).






4. Install the parts in the reverse order of removal.