Curiosii for ever!: Car repair manuals for everyone.

APP Sensor Replacement

APP Sensor Replacement

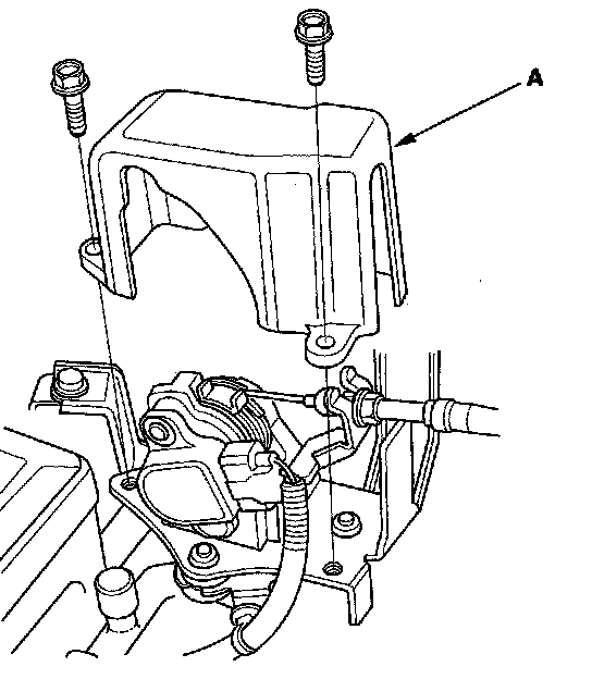
1. Remove the bolts and the throttle cable cover (A).






2. Remove the throttle cable.
3. Disconnect the APP sensor 6P connector (A).






4. Remove the bolts (B) and APP sensor (C).
5. Install the parts in the reverse order of removal.