Curiosii for ever!: Car repair manuals for everyone.

Navigation Module: Service and Repair

Navigation Unit Removal/Installation

NOTE:
- Before replace the navigation unit, back-up the customer data using system diagnostic mode "save users memory" under the functional set up.
- If the navigation unit is replaced or disconnected, a Map Matching must be done.

1. Turn the ignition switch ON (II).
2. Eject the DVD from the original navigation unit. To avoid scratching or damaging the DVD, temporarily place the DVD in a jewel case.

NOTE: If the DVD will not eject, refer to symptom troubleshooting Symptom Troubleshooting Index "Navigation unit will not eject or accept the navigation DVD".

3. Turn the ignition switch OFF.
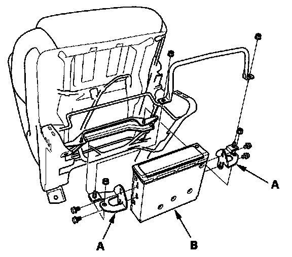
4. Remove the passenger's seat.






5. Remove the navigation unit bracket (A) from the passenger's seat.
6. Remove the bracket from the navigation unit (B).
7. Install the navigation unit in the reverse order of removal.
8. Turn the ignition switch ON (II), then reinstall the original DVD, verifying that the DVD is free of scratches or smudges.
9. Check online for any service publications prescribing patches for the navigation system, and if any should be applied to the new navigation unit.

NOTE: Simply transferring the DVD from the original navigation unit to the new navigation unit does not assure the correct software for the vehicle will be loaded into the new navigation unit. Doing the DVD transfer without doing software patches may cause the new navigation unit to appear to be malfunctioning.

10. Enter the new navigation anti-theft code.
11. Park the vehicle outside, and do the GPS initialization.
12. Give the new navigation anti-theft code to the customer.