Curiosii for ever!
: Car repair manuals for everyone.
Home
>>
Honda Truck
>>
2008
>>
Odyssey V6-3.5L
>>
Repair and Diagnosis
>>
Powertrain Management
>>
Computers and Control Systems
>>
Fuel Tank Pressure Sensor
>>
Service and Repair
Fuel Tank Pressure Sensor: Service and Repair
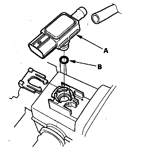
FTP Sensor Replacement
1.
Remove the EVAP canister.
2.
Remove the FTP sensor (A).
3.
Install the parts in the reverse order of removal with a new O-ring (B).