Curiosii for ever!: Car repair manuals for everyone.

ECM/PCM Electrical Connections

PCM Electrical Connections Part 1:



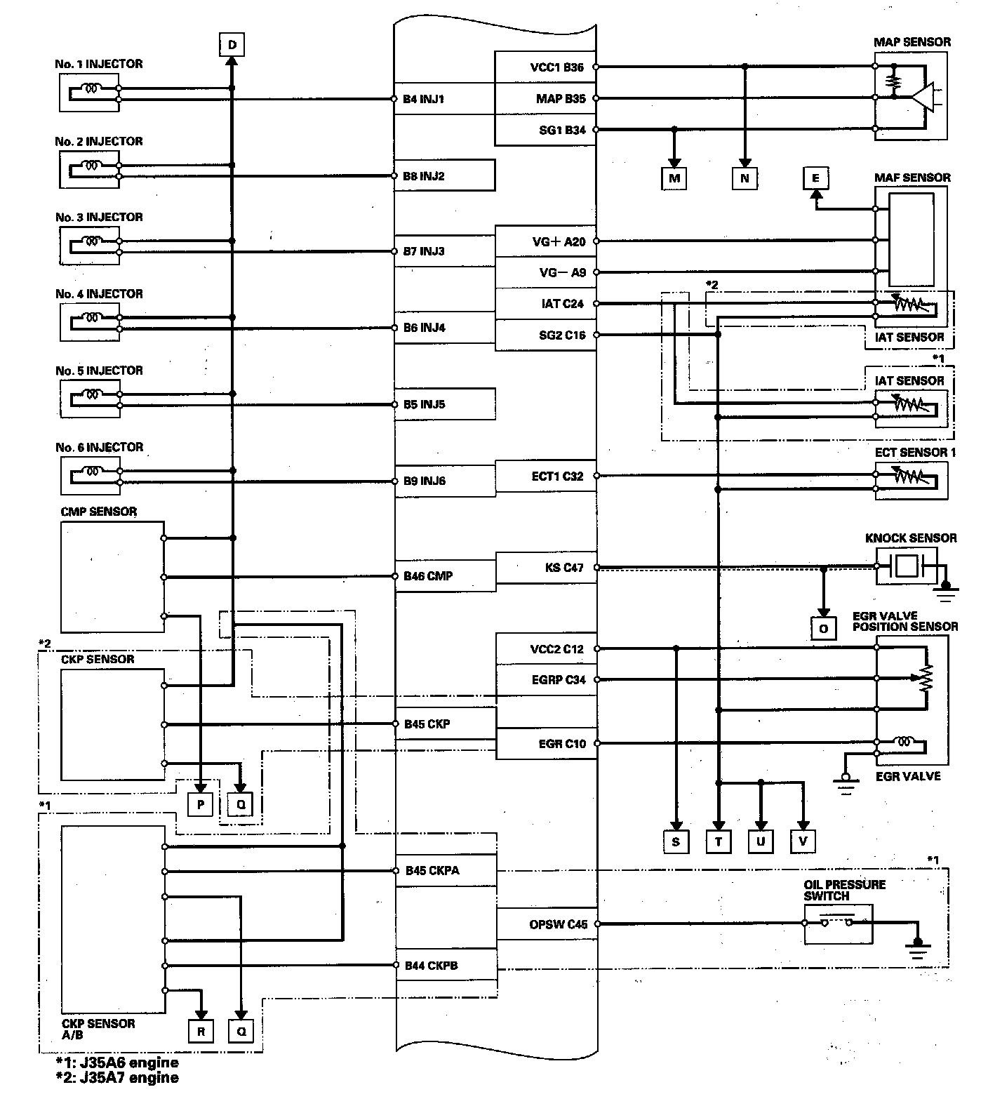
PCM Electrical Connections Part 2:



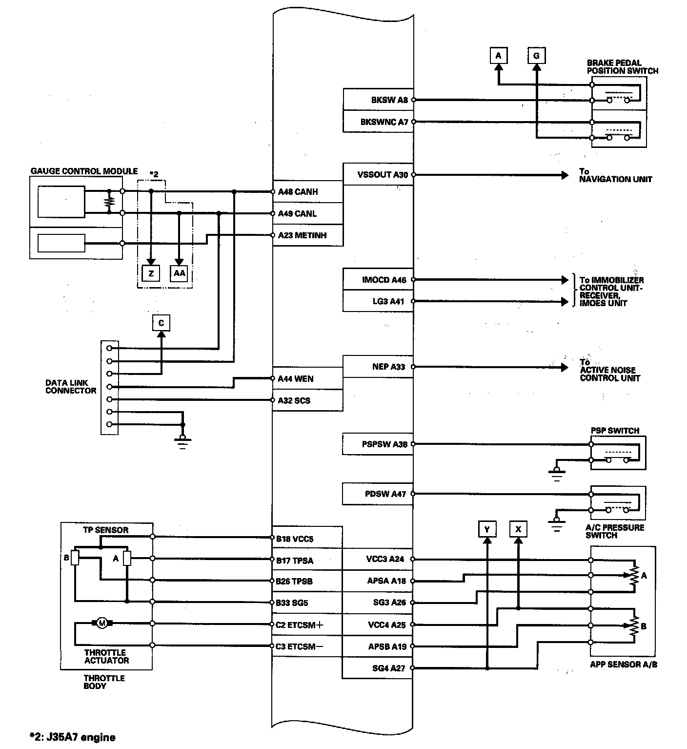
PCM Electrical Connections Part 3:



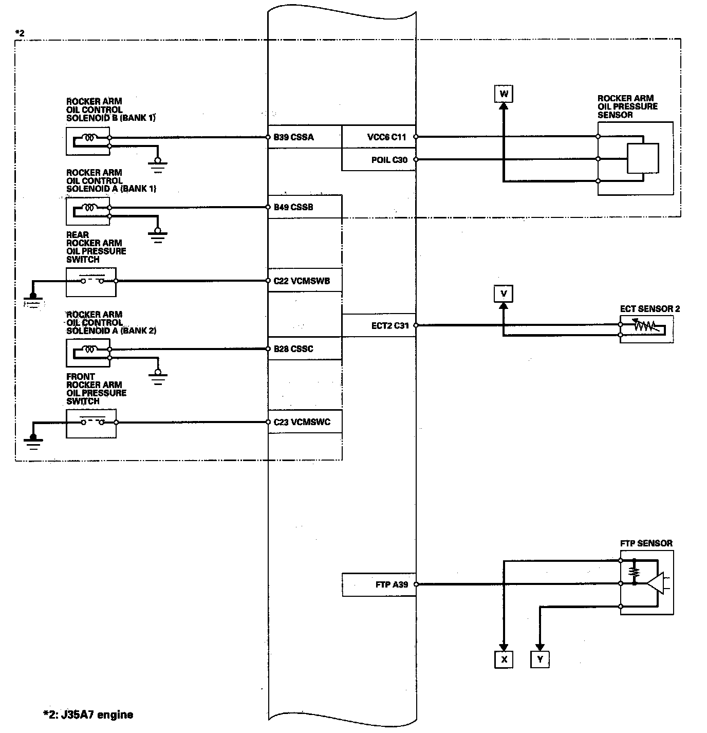
PCM Electrical Connections Part 4:



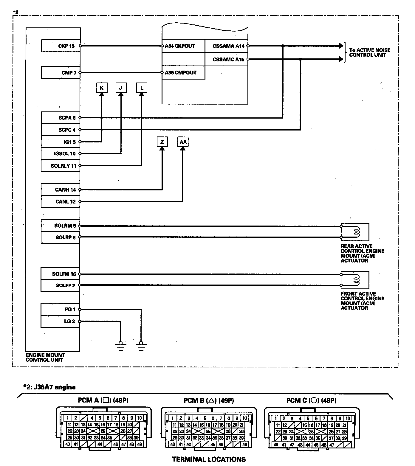
PCM Electrical Connections Part 5:



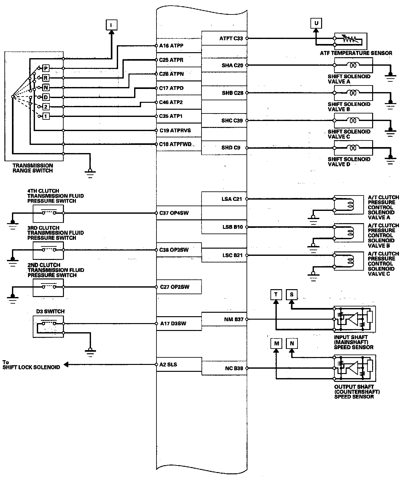
PCM Electrical Connections Part 6:



PCM Electrical Connections Part 7: