Driving Position Memory System (DPMS) Circuit Diagram
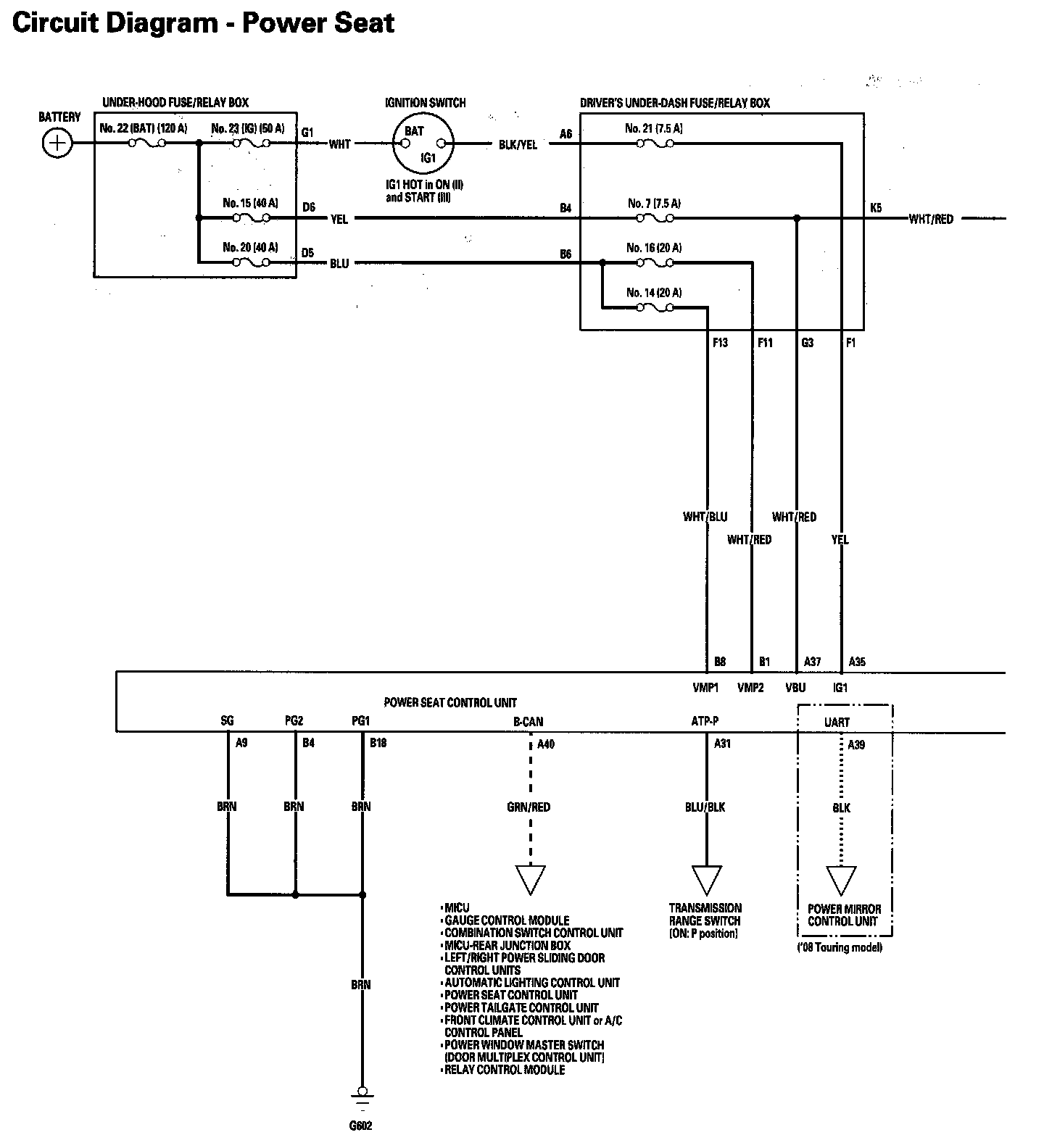
Driving Position Memory Systems (DPMS) Circuit Diagram (Part 1):
Driving Position Memory Systems (DPMS) Circuit Diagram (Part 2):
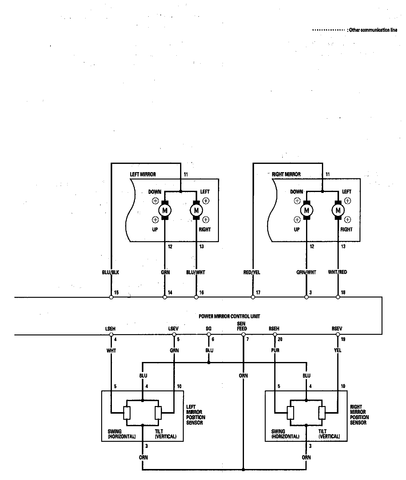
Driving Position Memory Systems (DPMS) Circuit Diagram (Part 3):
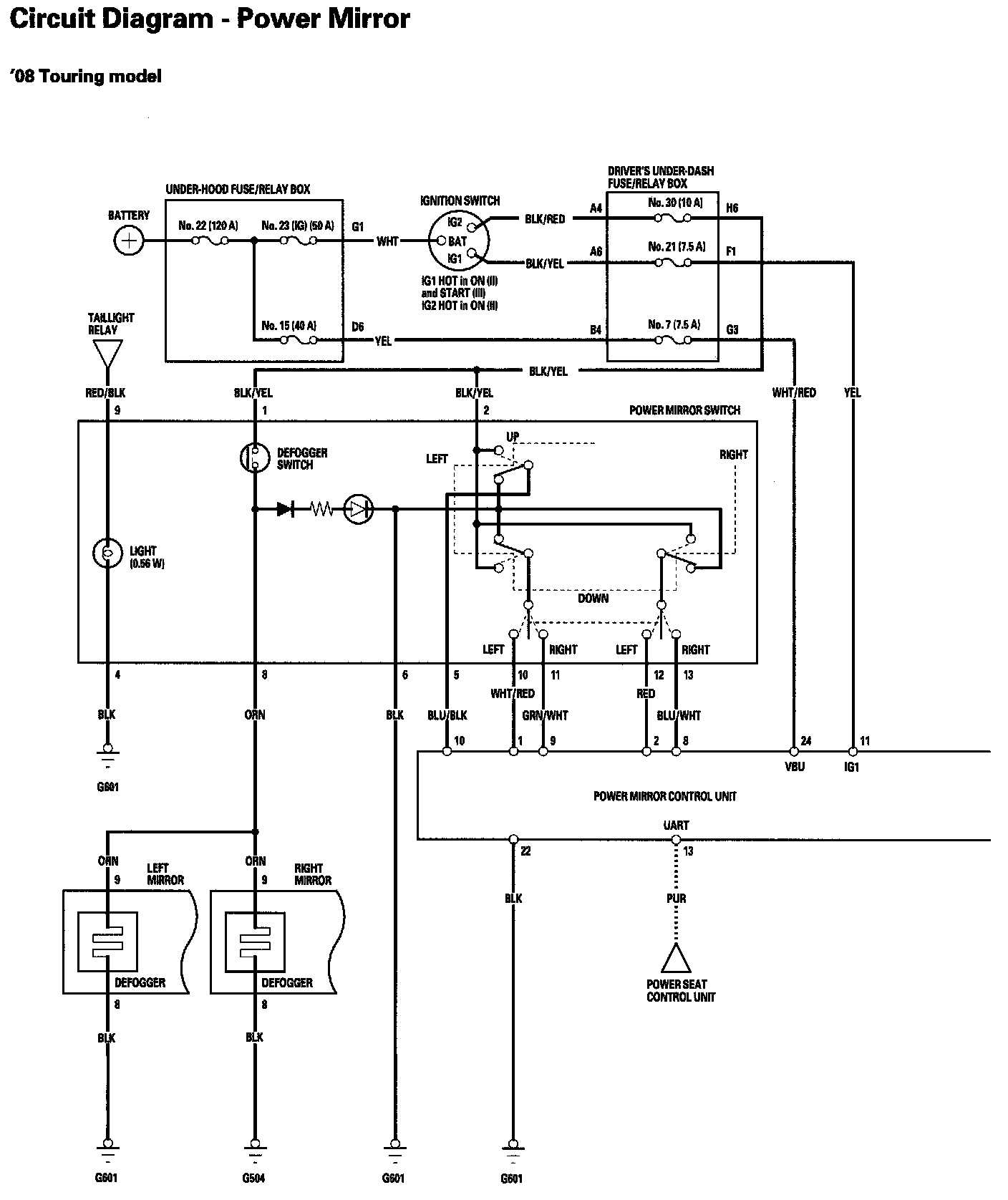
Driving Position Memory Systems (DPMS) Circuit Diagram (Part 4):
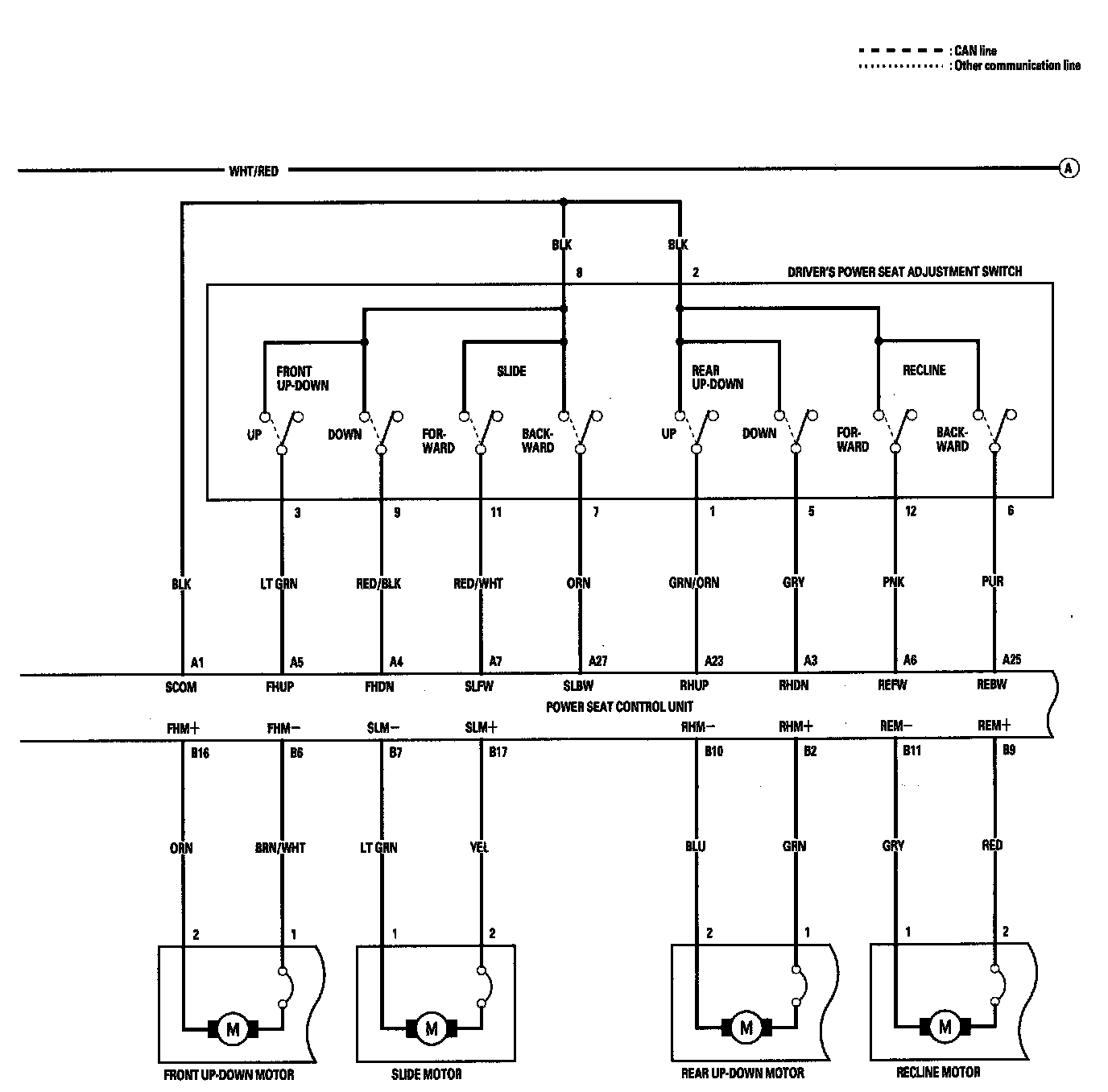
Driving Position Memory Systems (DPMS) Circuit Diagram (Part 5):