Curiosii for ever!: Car repair manuals for everyone.

Variable Valve Timing Solenoid: Service and Repair

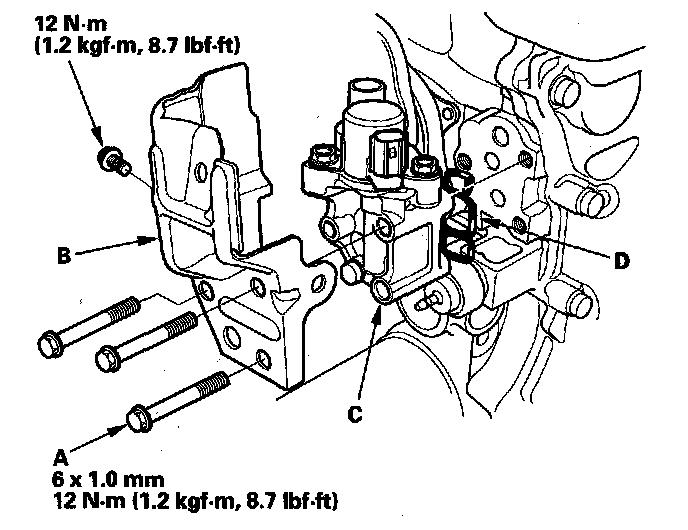
Rocker Arm Oil Control Valve Removal/Installation

1. Disconnect the rocker arm oil control solenoid 2P connector, the rocker arm oil pressure switch 2P connector, and the bolts (A).






2. Remove the cover (B), and the rocker arm oil control solenoid assembly (C).
3. Install the parts in the reverse order of removal with a new solenoid valve filter (D).