Curiosii for ever!: Car repair manuals for everyone.

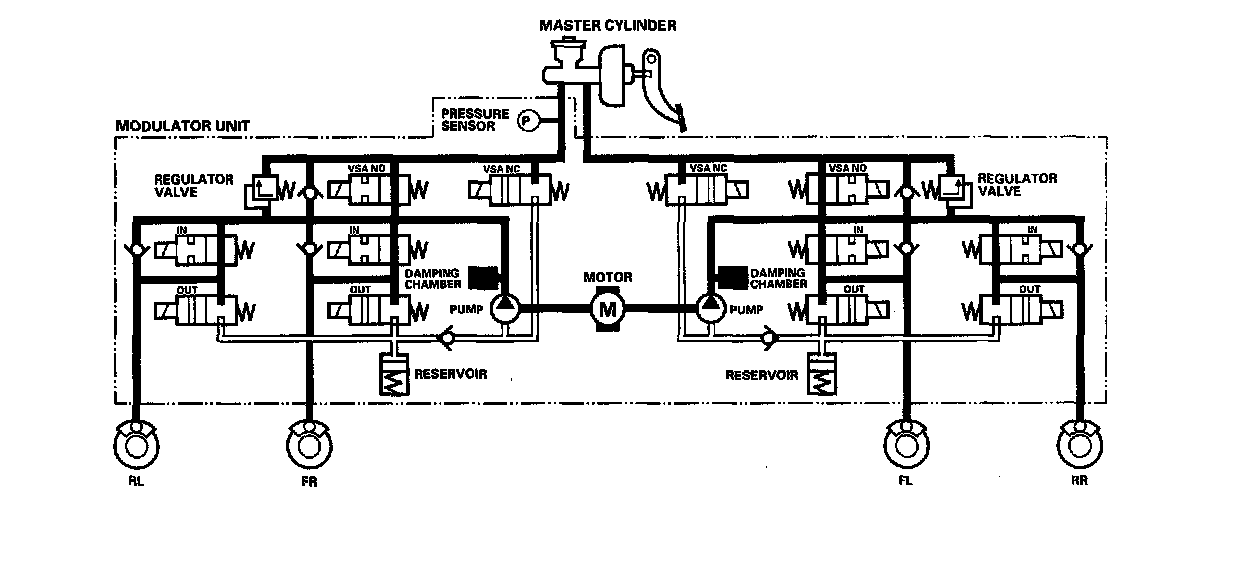
Electronic Brake Control Module: Description and Operation

ABS Control

Pressure Intensifying Mode
VSA NO valve open, VSA NC valve closed, inlet valve open, outlet valve closed.
Master cylinder fluid is pumped out to the caliper.

Pump Motor
When starting the pressure reducing mode, the pump motor is ON. When stopping ABS operation, the pump motor is OFF.

The reservoir fluid is pumped out by the pump, through the damping chamber, to the master cylinder.





Pressure Retaining Mode
VSA NO valve open, VSA NC valve closed, inlet valve closed, outlet valve closed.
Caliper fluid is retained by the inlet valve and outlet valve.





Pressure Reducing Mode
VSA NO valve open, VSA NC valve closed, inlet valve closed, outlet valve open.
Caliper fluid flows through the outlet valve to the reservoir.