Curiosii for ever!: Car repair manuals for everyone.

Tire Pressure Module: Service and Repair

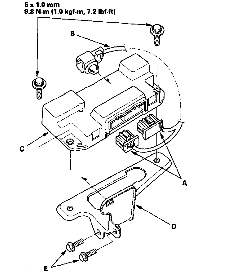
TPMS Control Unit Replacement

NOTE: Make sure the TPMS control unit mounting bracket is not bent or twisted as this may affect its communication with the tire pressure sensors.

1. Turn the ignition switch OFF.
2. Remove the center panel.
3. Remove the audio unit with the bracket.
4. Disconnect the TPMS control unit subharness connector (A).





5. Loosen the bracket mount bolts (B). Do not remove the bolts from the bracket.
6. Remove the TPMS control unit (A) with the bracket and the subharness.





7. Disconnect the TPMS control unit connectors (A) and remove the TPMS control unit subharness (9).





8. Remove the TPMS control unit (C) from the bracket (D).

NOTE: Remove the bracket mount bolts (E) if it is necessary.

9. Install the TPMS control unit in the reverse order of removal.
10. Connect the HDS and memorize the pressure sensor IDs using the TPMS sensor initializer tool.