Curiosii for ever!
: Car repair manuals for everyone.
Home
>>
Honda Truck
>>
2008
>>
CR-V 4WD L4-2.4L
>>
Repair and Diagnosis
>>
Diagrams
>>
Electrical Diagrams
>>
Powertrain Management
>>
System Diagram
>>
Control Module Circuit Diagrams
>>
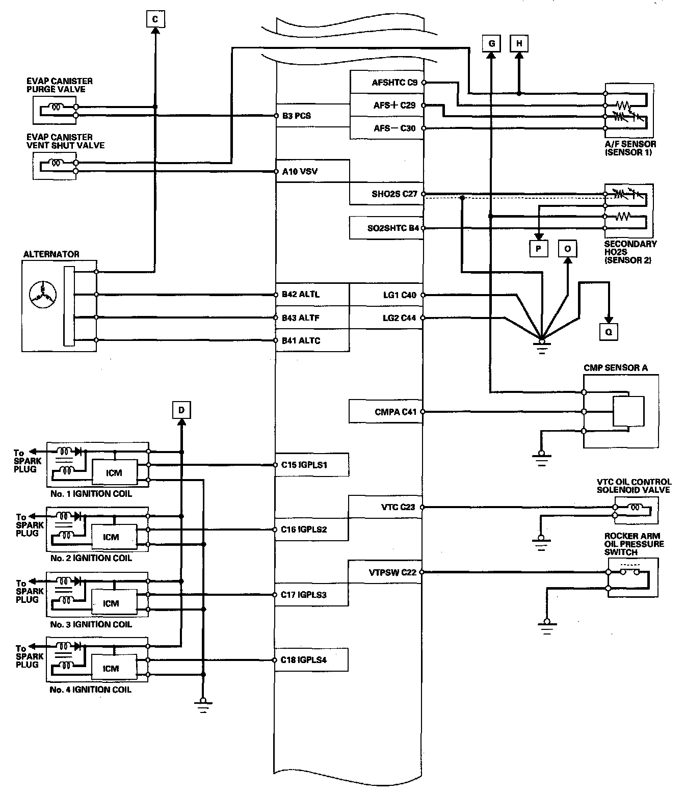
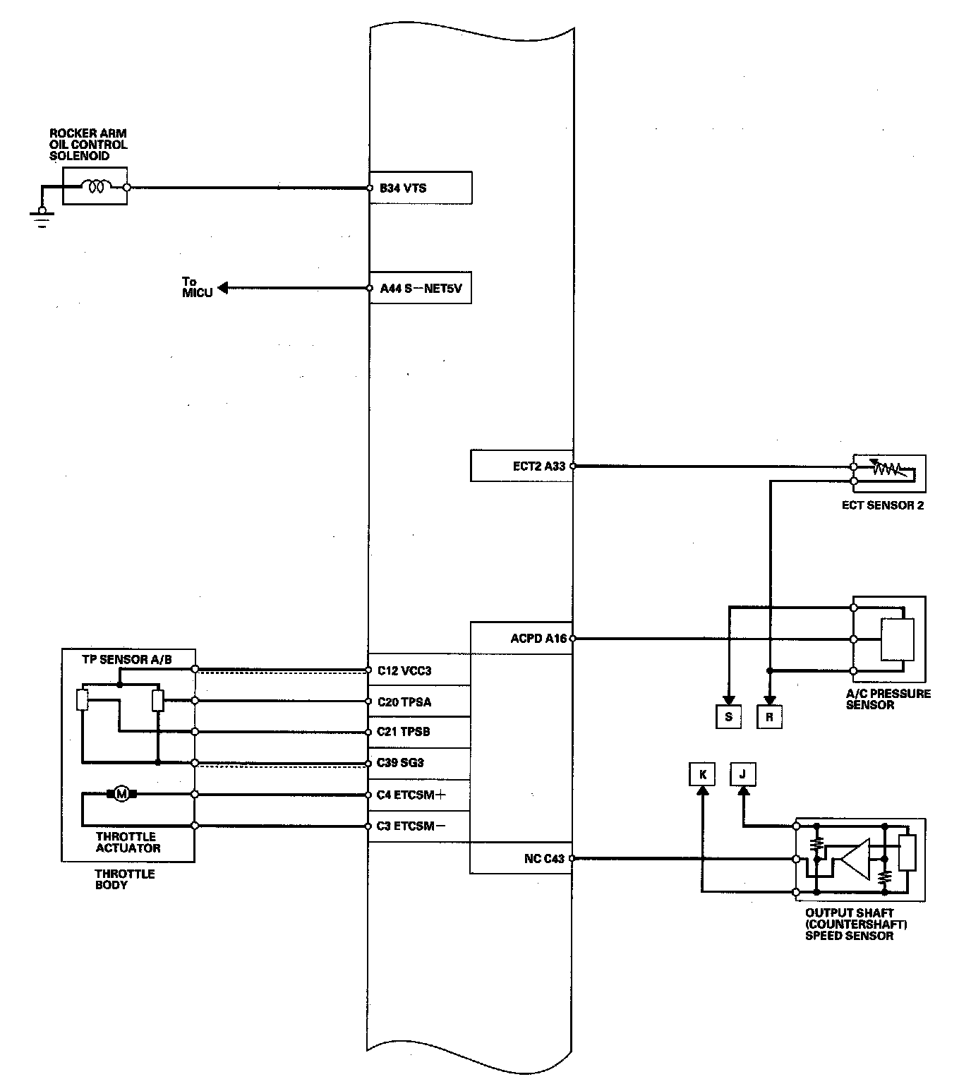
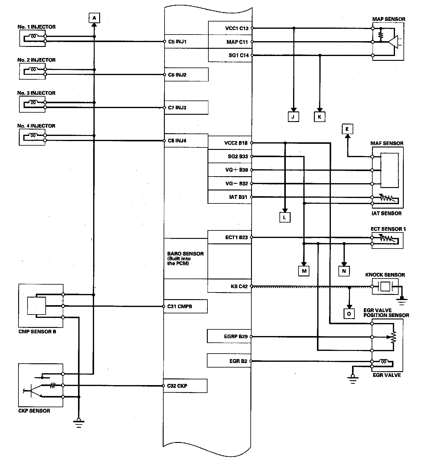
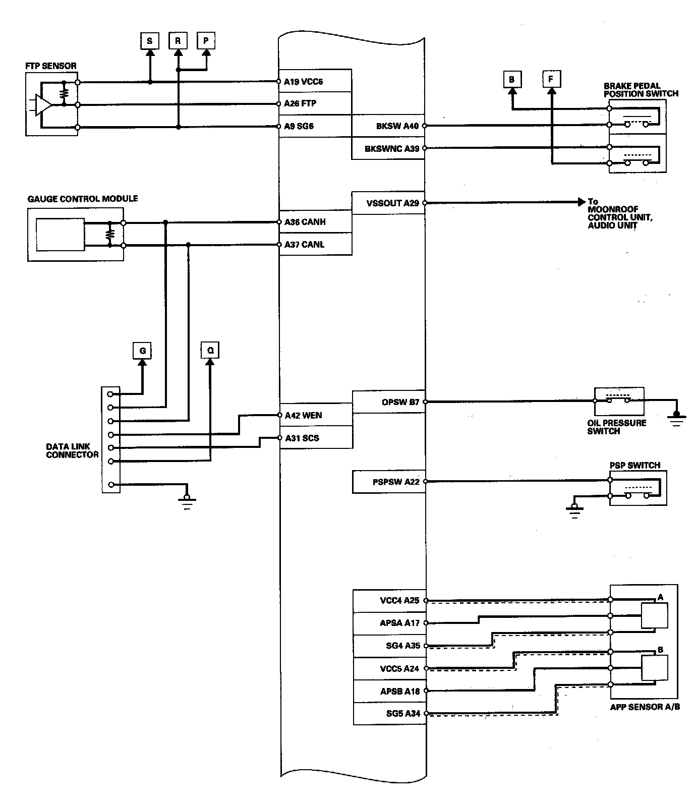
PCM Electrical Connections
PCM Electrical Connections
PCM Electrical Connections (Part 1):
PCM Electrical Connections (Part 2):
PCM Electrical Connections (Part 3):
PCM Electrical Connections (Part 4):
PCM Electrical Connections (Part 5):
PCM Electrical Connections (Part 6):