Curiosii for ever!: Car repair manuals for everyone.

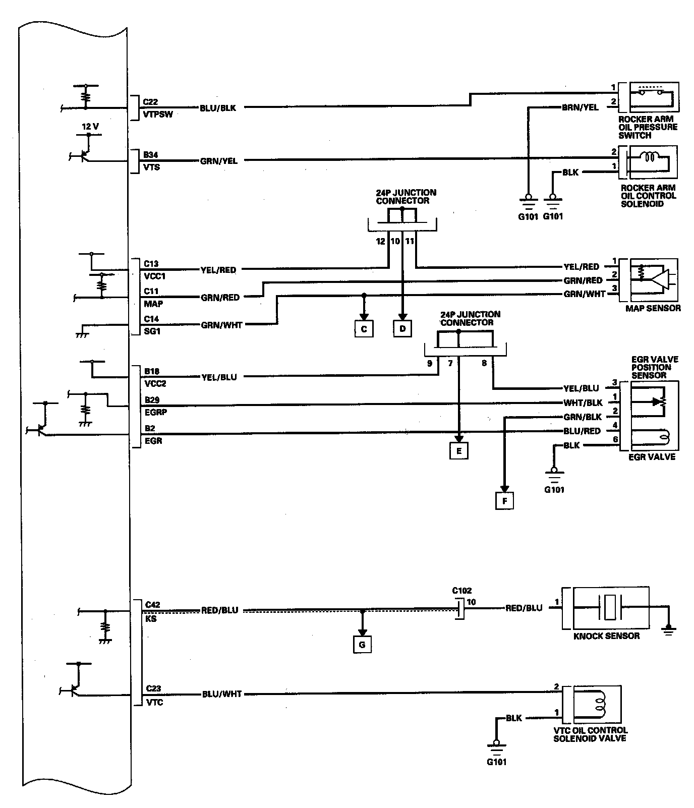
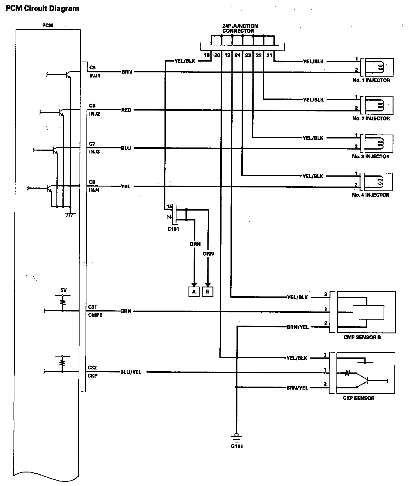
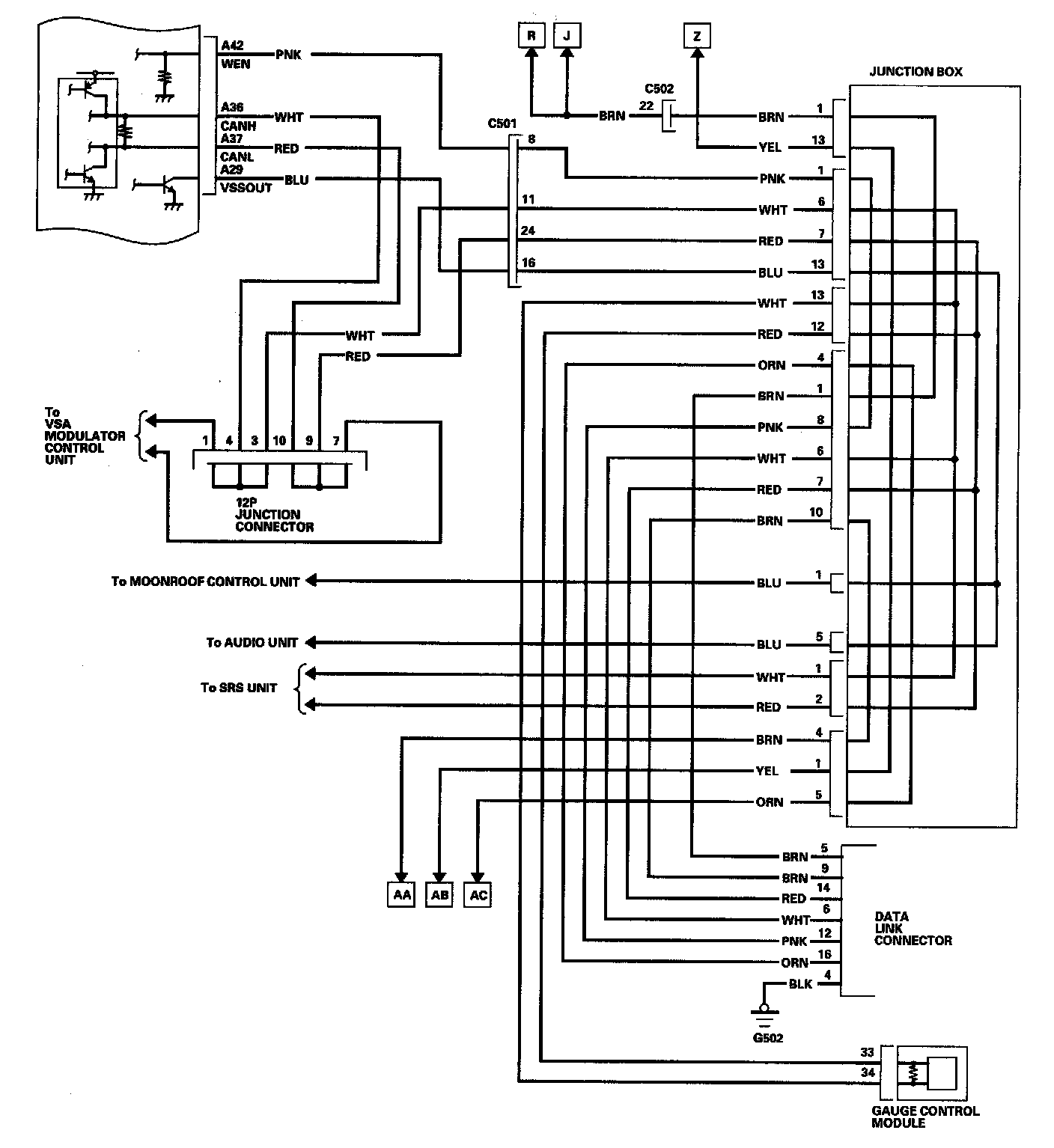
PCM Circuit Diagrams

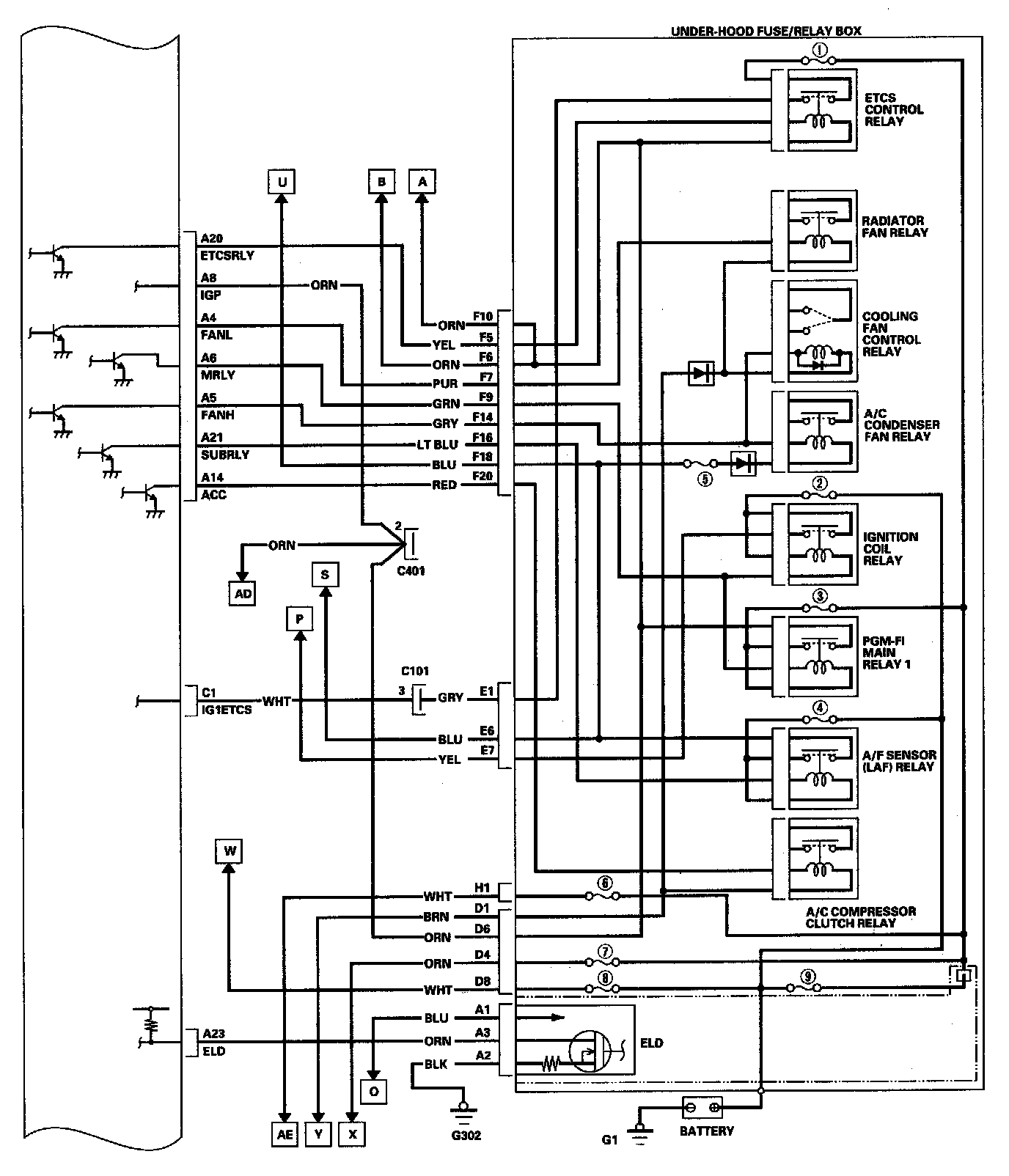
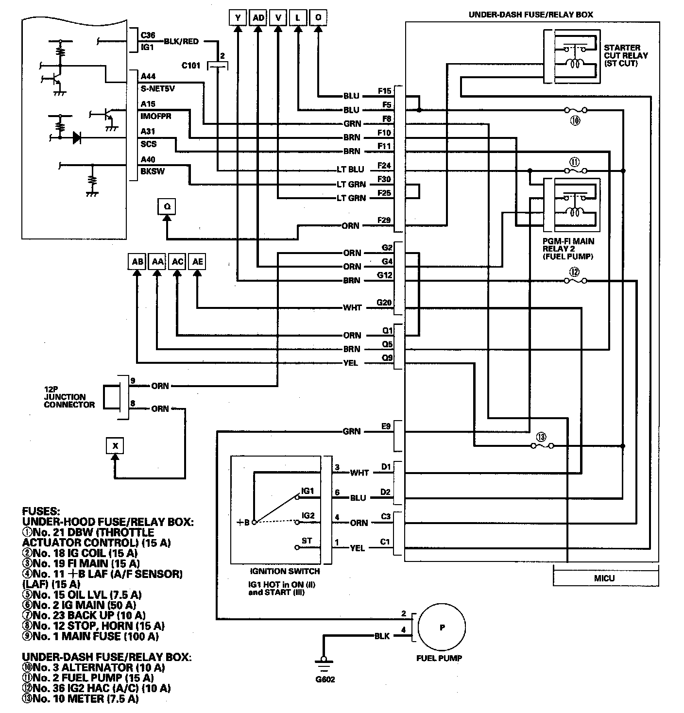
PCM Circuit Diagram (Part 1):



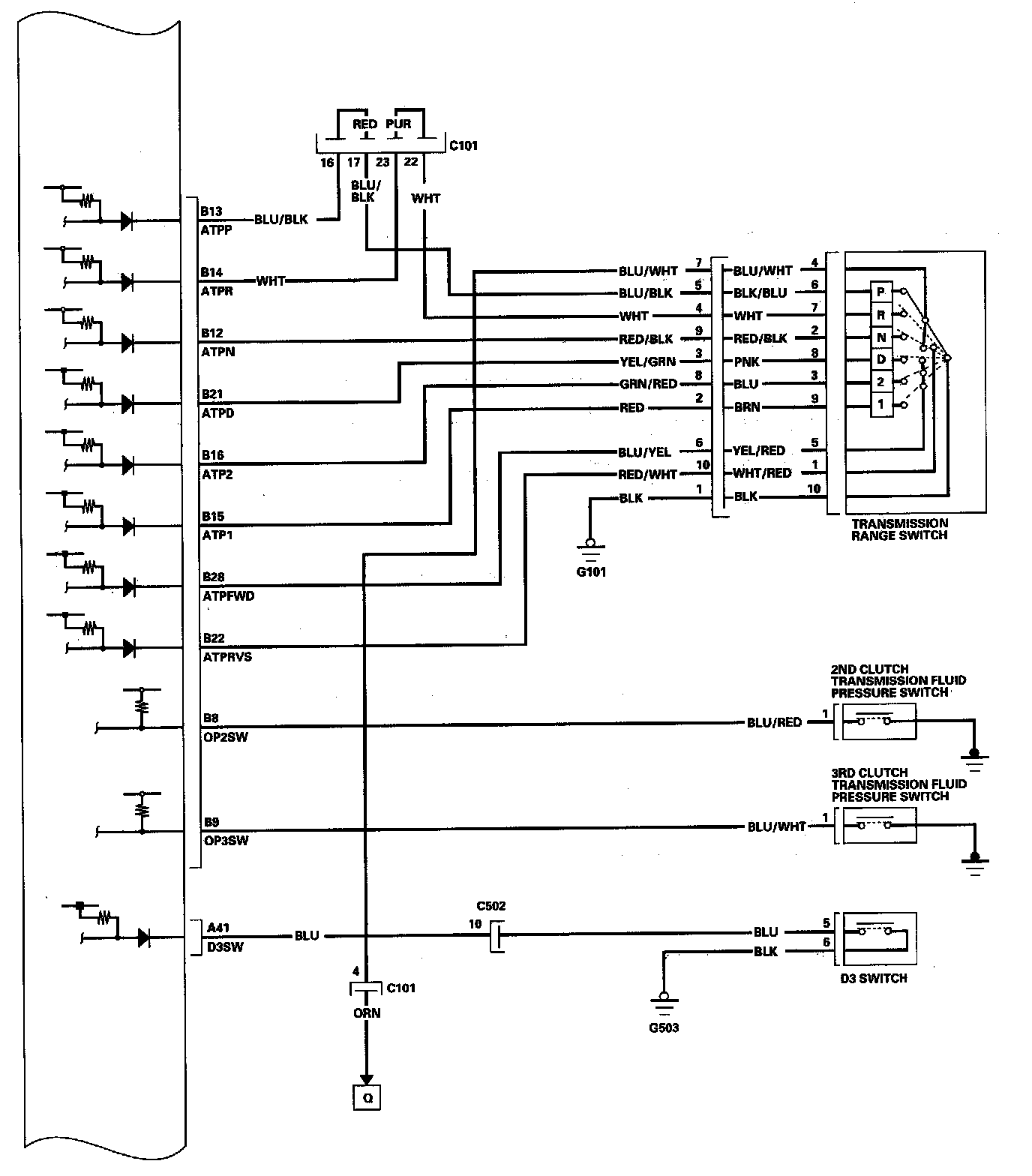
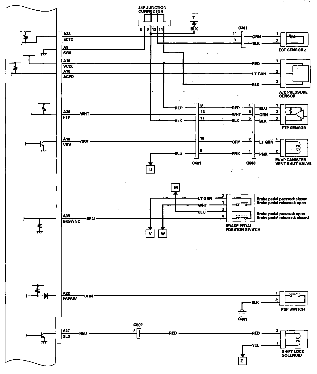
PCM Circuit Diagram (Part 2):



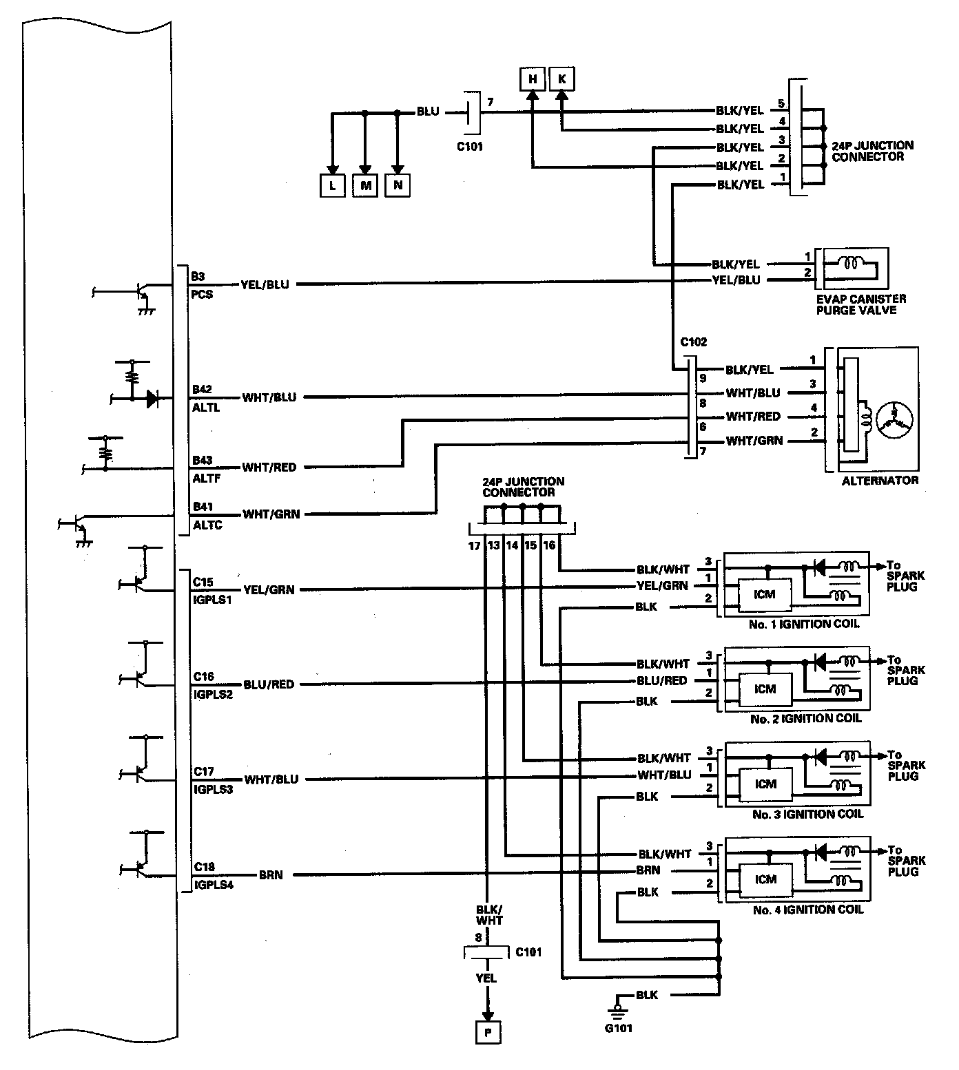
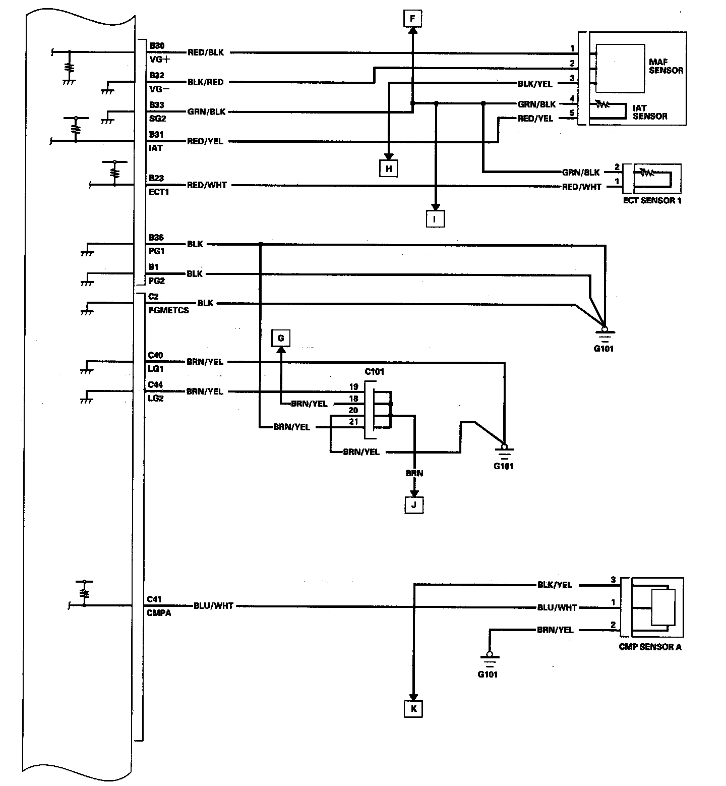
PCM Circuit Diagram (Part 3):



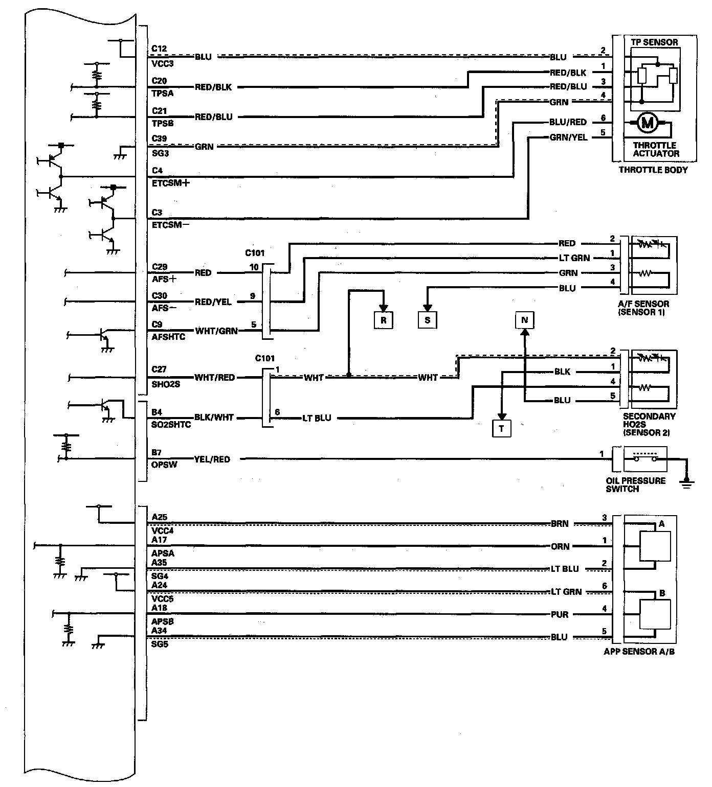
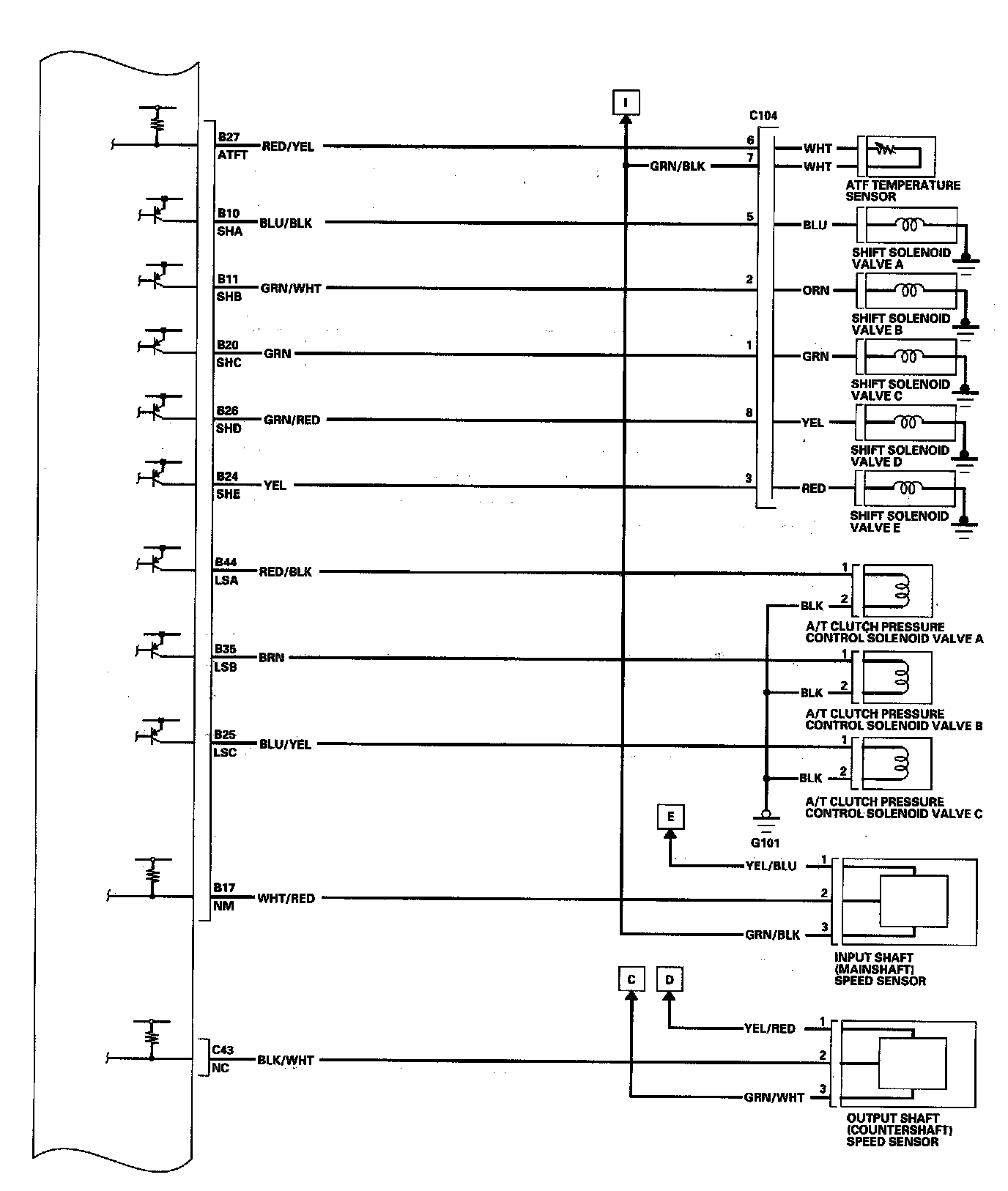
PCM Circuit Diagram (Part 4):



PCM Circuit Diagram (Part 5):



PCM Circuit Diagram (Part 6):



PCM Circuit Diagram (Part 7):



PCM Circuit Diagram (Part 8):



PCM Circuit Diagram (Part 9):



PCM Circuit Diagram (Part 10):



PCM Circuit Diagram (Part 11):