Curiosii for ever!: Car repair manuals for everyone.

Power Window Switch: Service and Repair

Power Window Switch Replacement

Driver's

1. Remove the driver's door panel.
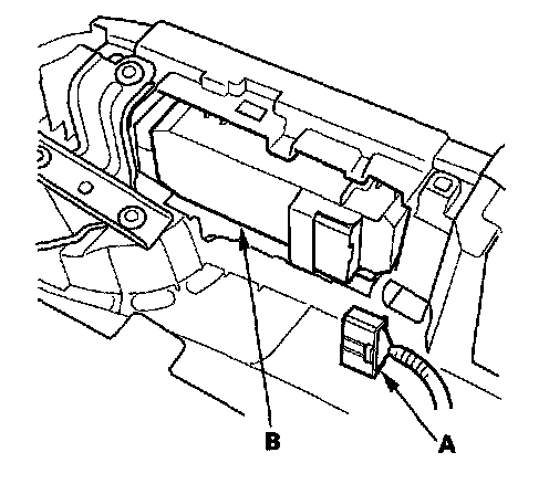
2. Disconnect the 22P connector (A) from the power window master switch (B).






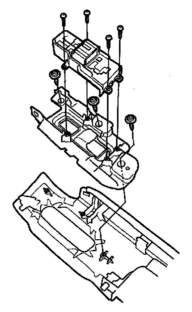
3. Remove the four screws and the power window master switch.






4. Install the switch in the reverse order of removal.
5. After replacement, reset the power window control unit.

Passenger's

1. Remove the passenger's door panel.
- Front
- Rear

2. Disconnect the 8P connector (A) from the passenger's power window switch (B).






3. Remove the four screws and the passenger's power window switch.






4. Install the switch in the reverse order of removal.