Curiosii for ever!: Car repair manuals for everyone.

How to Substitute the PCM

How to Substitute the PCM
1. Make sure you have the anti-theft code for the audio system or the navigation system (if equipped).
2. Connect the HDS to the DLC (A).





3. Turn the ignition switch to ON (II).
4. Make sure the HDS communicates with the PCM. If it does not, go to the DLC circuit troubleshooting. If you did the DLC circuit troubleshooting, skip steps 5 thru 9, then clean the throttle body after substituting the PCM.
5. Select the INSPECTION MENU with the HDS.
6. Select the TP POSITION CHECK in the ETCS TEST with the HDS.

NOTE: If the result of TP POSITION CHECK was failed, clean the throttle body after this procedure.

7. Turn the ignition switch to LOCK (0).
8. Remove the battery.
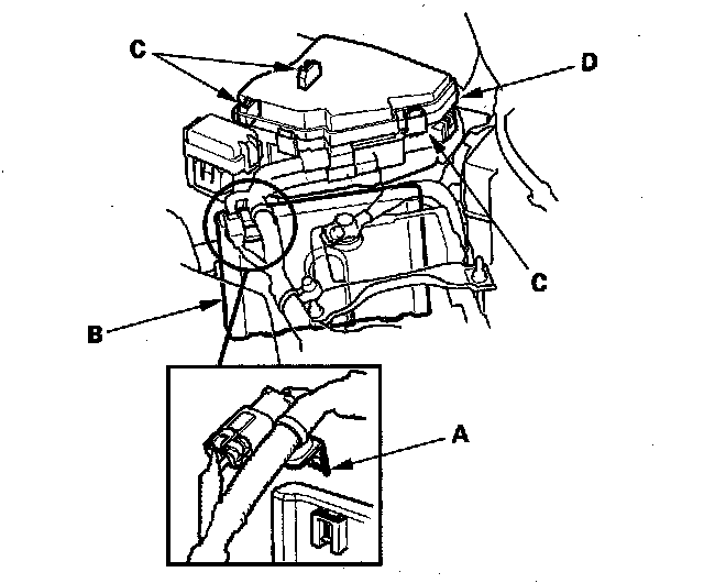
9. Remove the harness clamp bracket (A) from the PCM cover (B).





10. Release the three clips (C) securing the under-hood fuse/relay box (D), and lift up the box.
11. Remove the bolts (A), and remove the PCM (B).





12. Disconnect the PCM connectors A (C), B (D), and C (E).

NOTE: PCM connectors A, B, and C have symbols (A=[], B=^, C=O) embossed on them for identification.

13. Install the PCM and the battery in the reverse order of removal.
14. Turn the ignition switch to ON (II).

NOTE: DTC P0630 "VIN not Programmed or Mismatch" will be stored because VIN has not been programmed into the PCM. Ignore it, and continue this procedure.

15. Input the VIN to the PCM with the HDS.
16. Update the PCM if it does not have the latest software.
17. Select the IMMOBILIZER SYSTEM with the HDS.
18. Rewrite the immobilizer code with the PCM replacement procedure in the HDS; it allows you to start the engine.
19. Reset the PCM with the HDS.
20. Do the PCM idle learn procedure.
21. Do the crank pattern learn procedure.
22. Enter the anti-theft code for the audio system or the navigation system (if equipped). Set the clock (on vehicles without navigation).