Curiosii for ever!: Car repair manuals for everyone.

Air Flow Meter/Sensor: Service and Repair

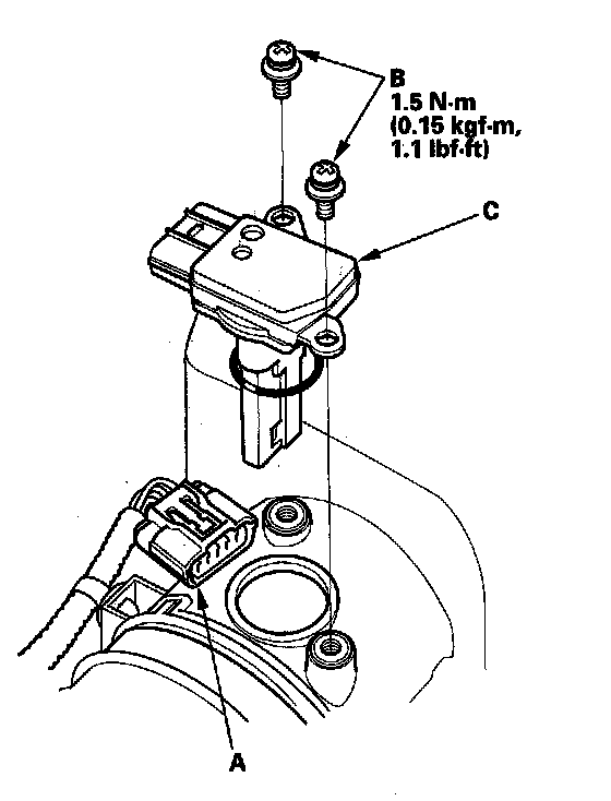
MAF Sensor/IAT Sensor Replacement




1. Disconnect the MAF sensor/IAT sensor connector (A).
2. Remove the screws (B).
3. Remove the MAF sensor/IAT sensor (C).
4. Install the parts in the reverse order of removal with a new O-ring (D).