Curiosii for ever!: Car repair manuals for everyone.

ECM/PCM Circuit Diagrams

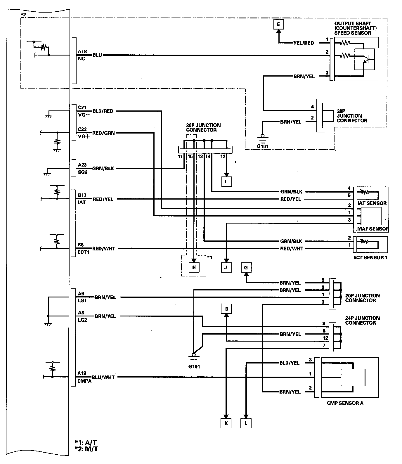
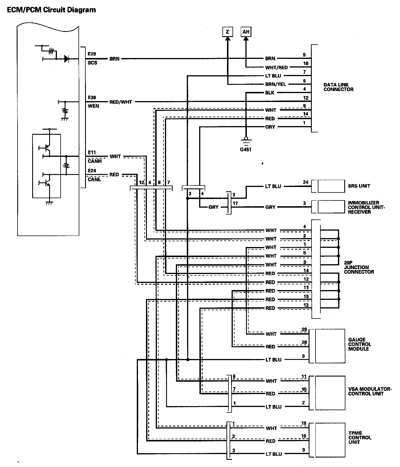
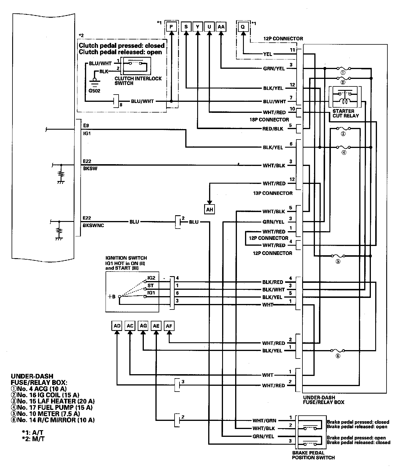
ECM/PCM Circuit Diagram Part 1:



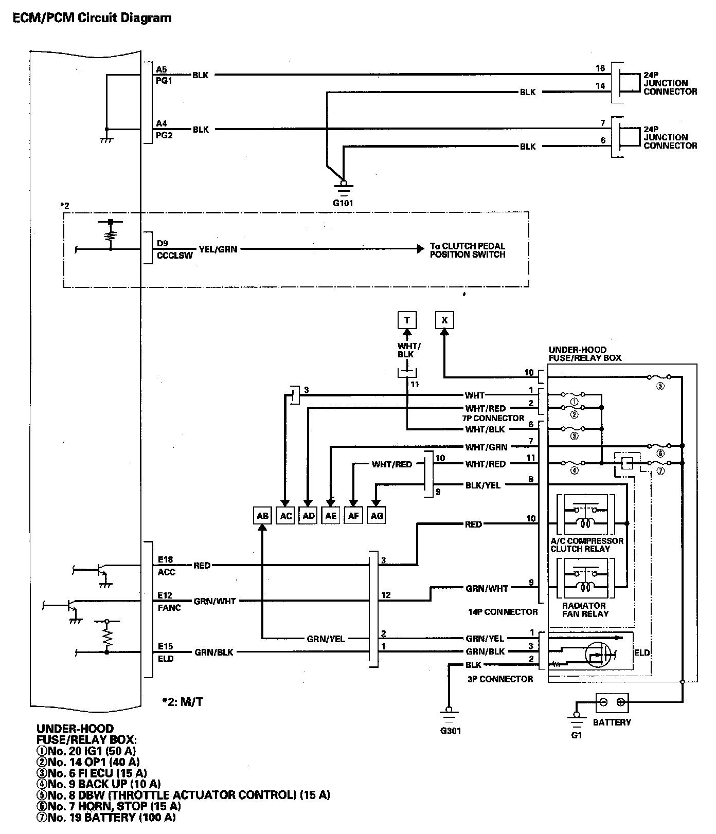
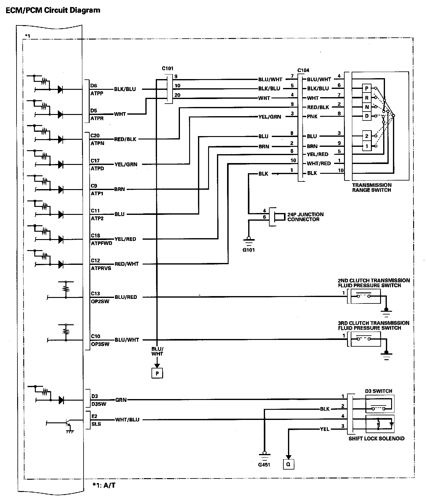
ECM/PCM Circuit Diagram Part 2:



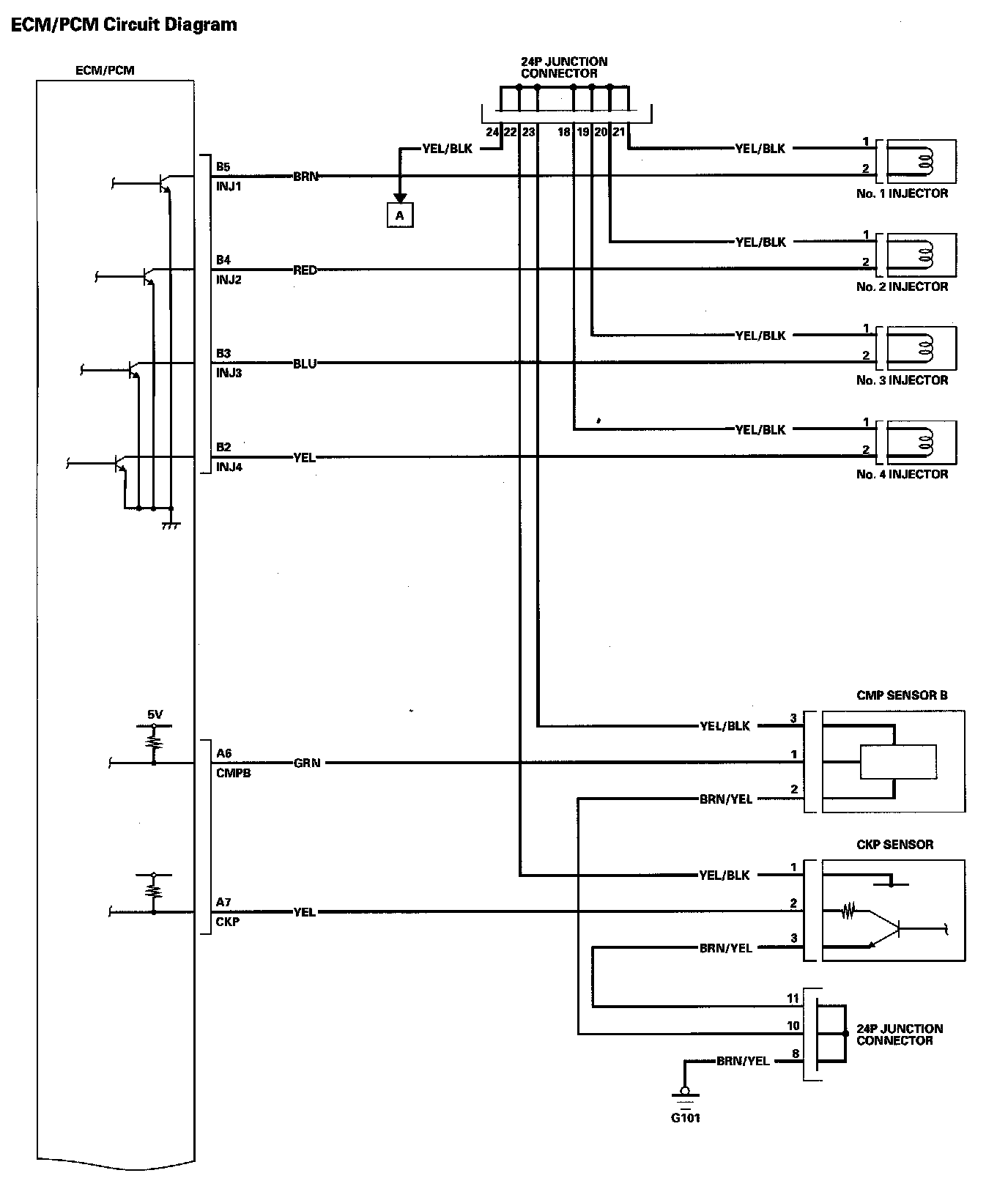
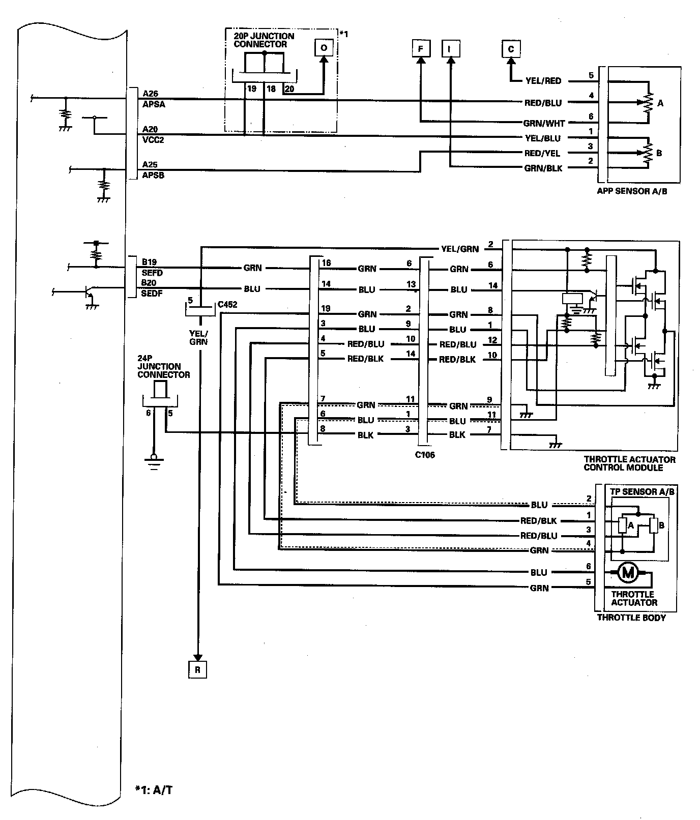
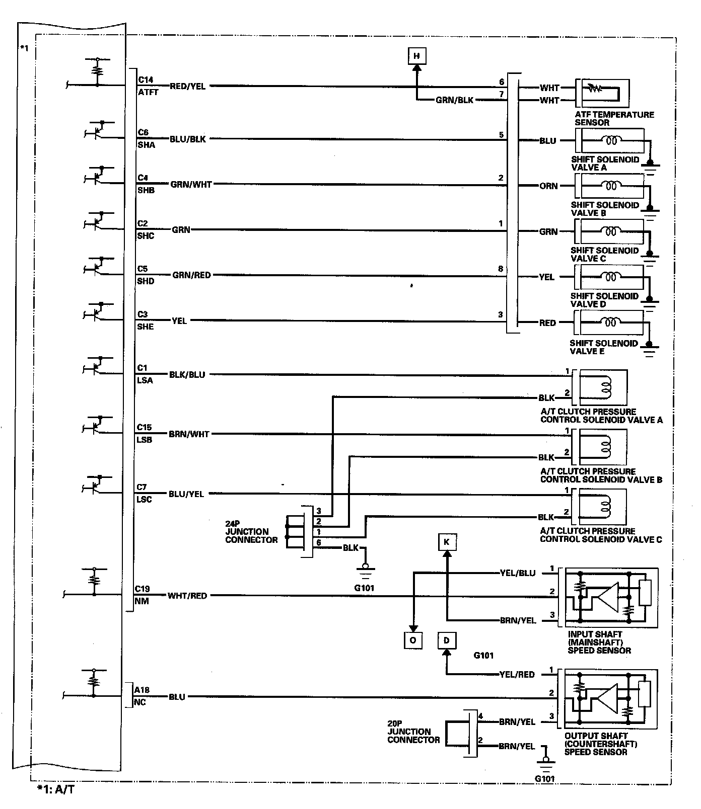
ECM/PCM Circuit Diagram Part 3:



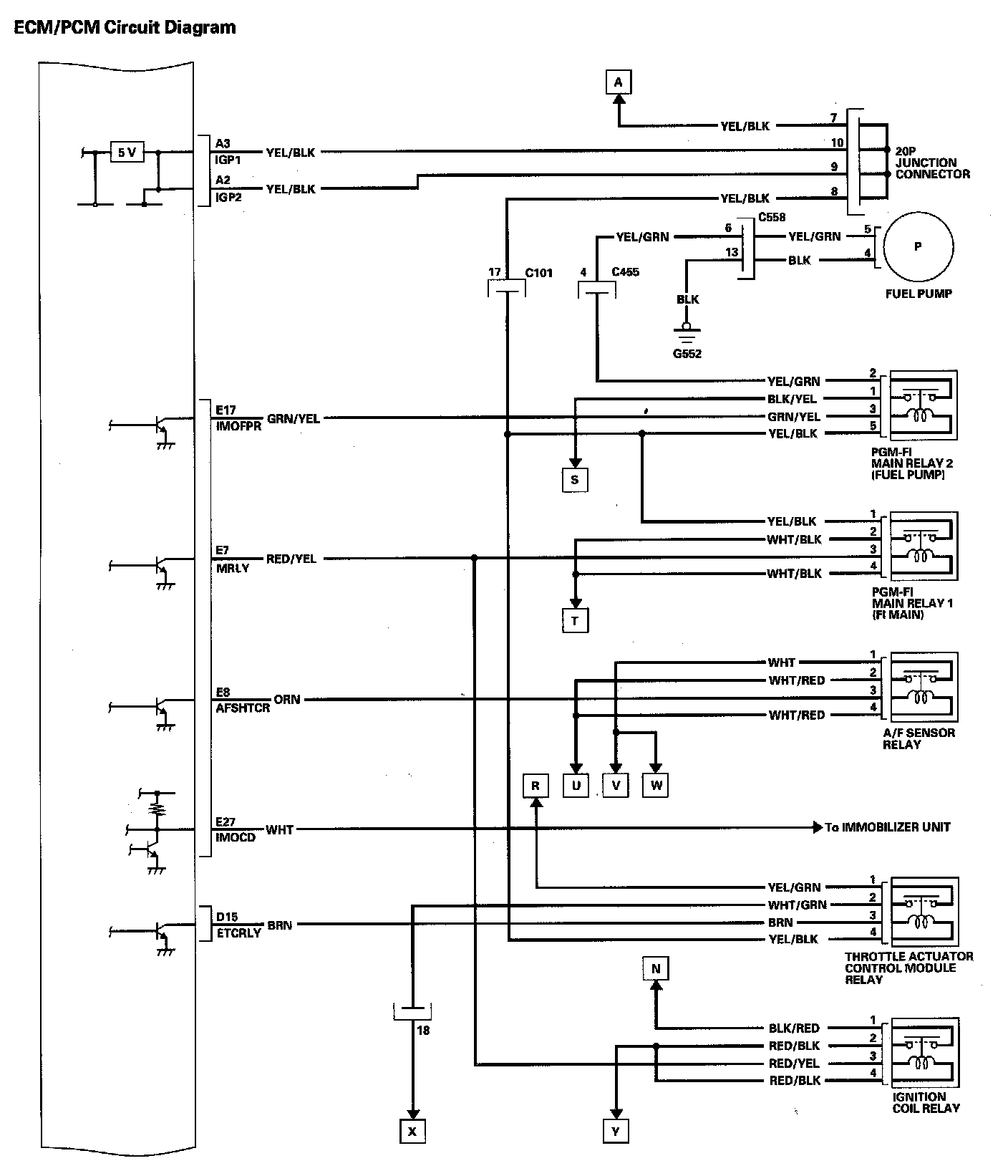
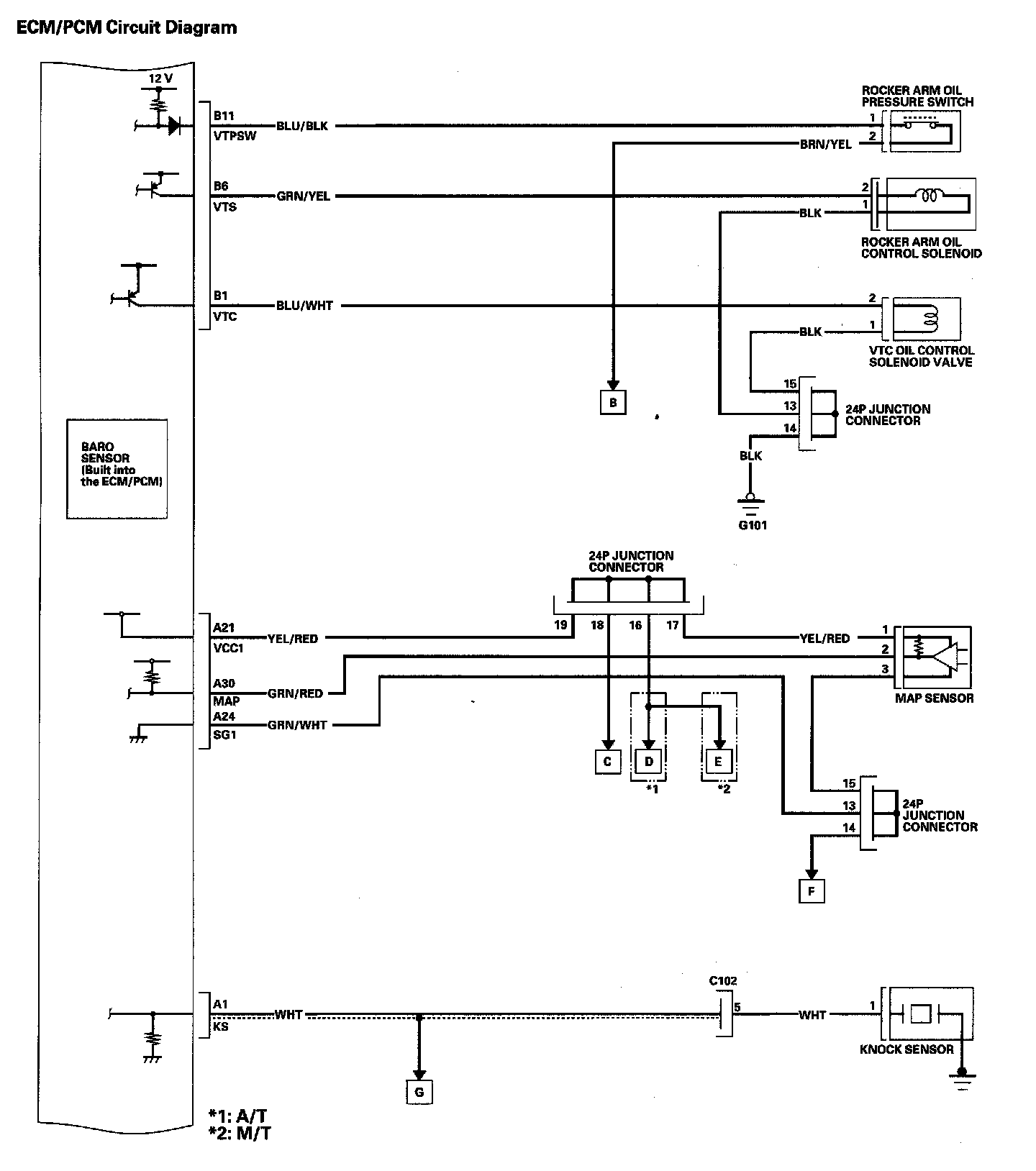
ECM/PCM Circuit Diagram Part 4:



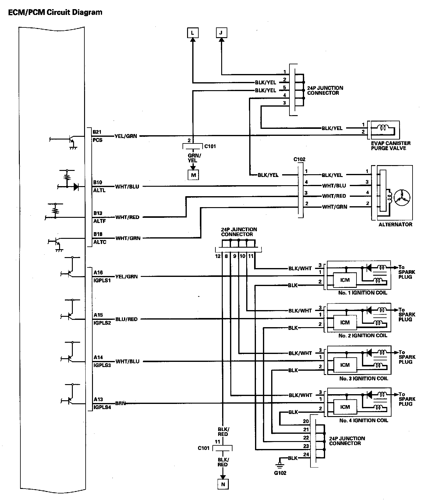
ECM/PCM Circuit Diagram Part 5:



ECM/PCM Circuit Diagram Part 6:



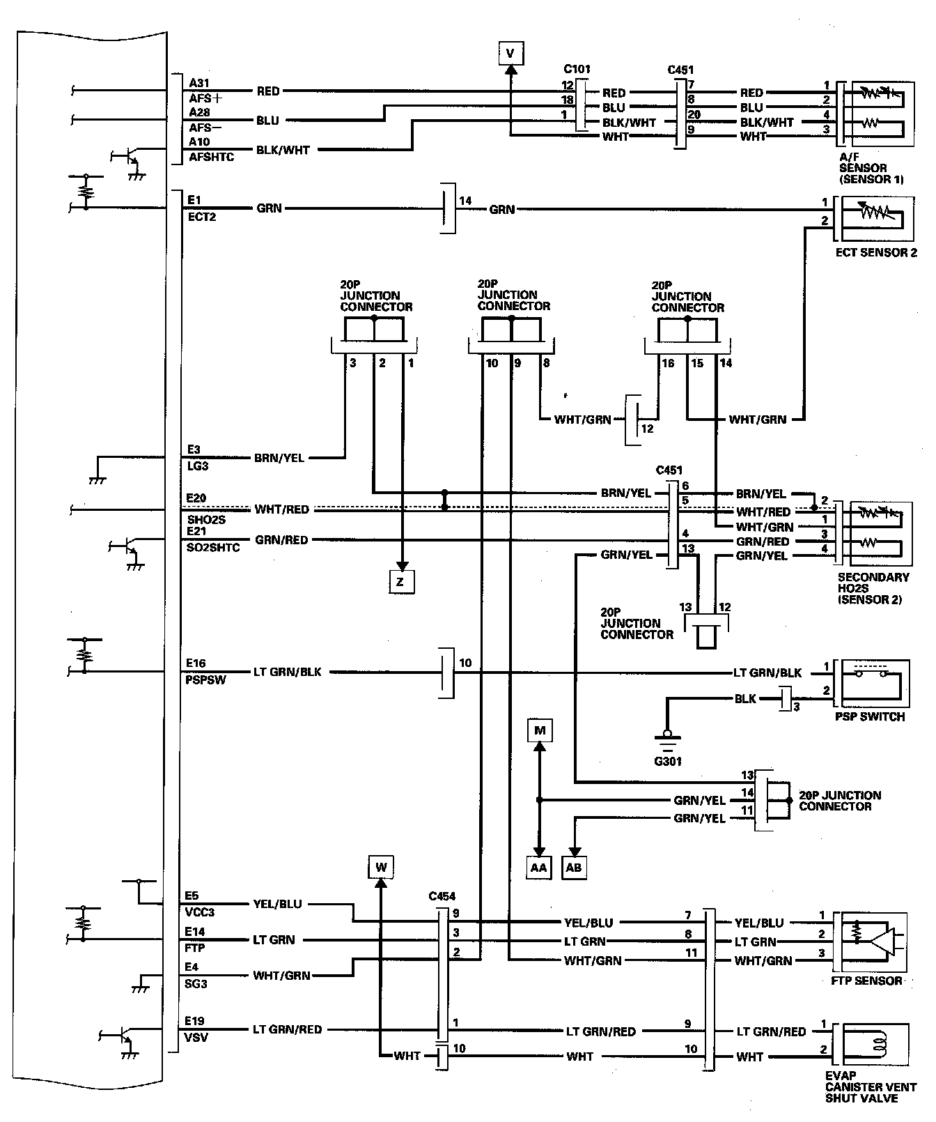
ECM/PCM Circuit Diagram Part 7:



ECM/PCM Circuit Diagram Part 8:



ECM/PCM Circuit Diagram Part 9:



ECM/PCM Circuit Diagram Part 10:



ECM/PCM Circuit Diagram Part 11:



ECM/PCM Circuit Diagram Part 12: