Curiosii for ever!: Car repair manuals for everyone.

Tire Pressure Module: Service and Repair

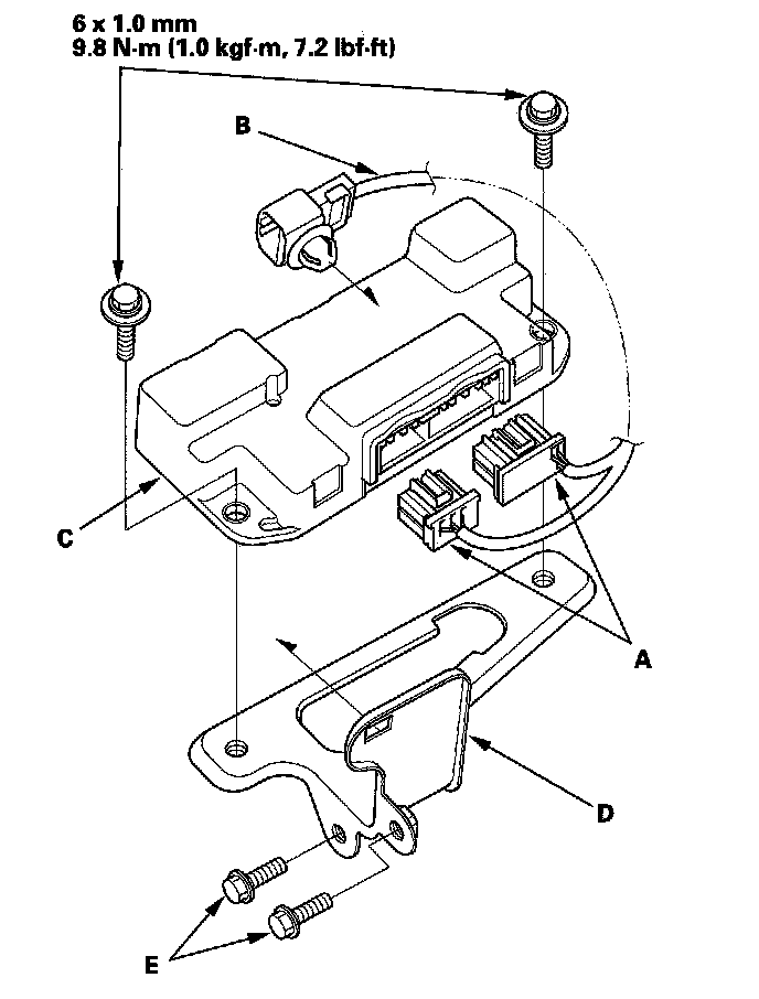
TPMS Control Unit Replacement

NOTE: Make sure the TPMS control unit mounting base is not bent or twisted as this may effect communication with the tire pressure sensors.

1. Remove the center panel.
2. Remove the audio unit with the bracket.
3. Disconnect the TPMS control unit subharness connector (A).





4. Loosen the bracket mouth bolts (B). Do not remove the bolts from the bracket.
5. Remove the TPMS control unit (A) with the bracket and the subharness.





6. Disconnect the TPMS control unit connectors (A), and remove the TPMS control unit subharness (B).





7. Remove the TPMS control unit (C) from the bracket (D).

NOTE: Remove the bracket mount bolts (E) if it necessary.

8. Install the TPMS control unit in the reverse order of remove.
9. Connect the HDS and memorize the pressure sensor IDs using the TPMS sensor initializer tool.