Curiosii for ever!: Car repair manuals for everyone.

Intake Manifold: Service and Repair

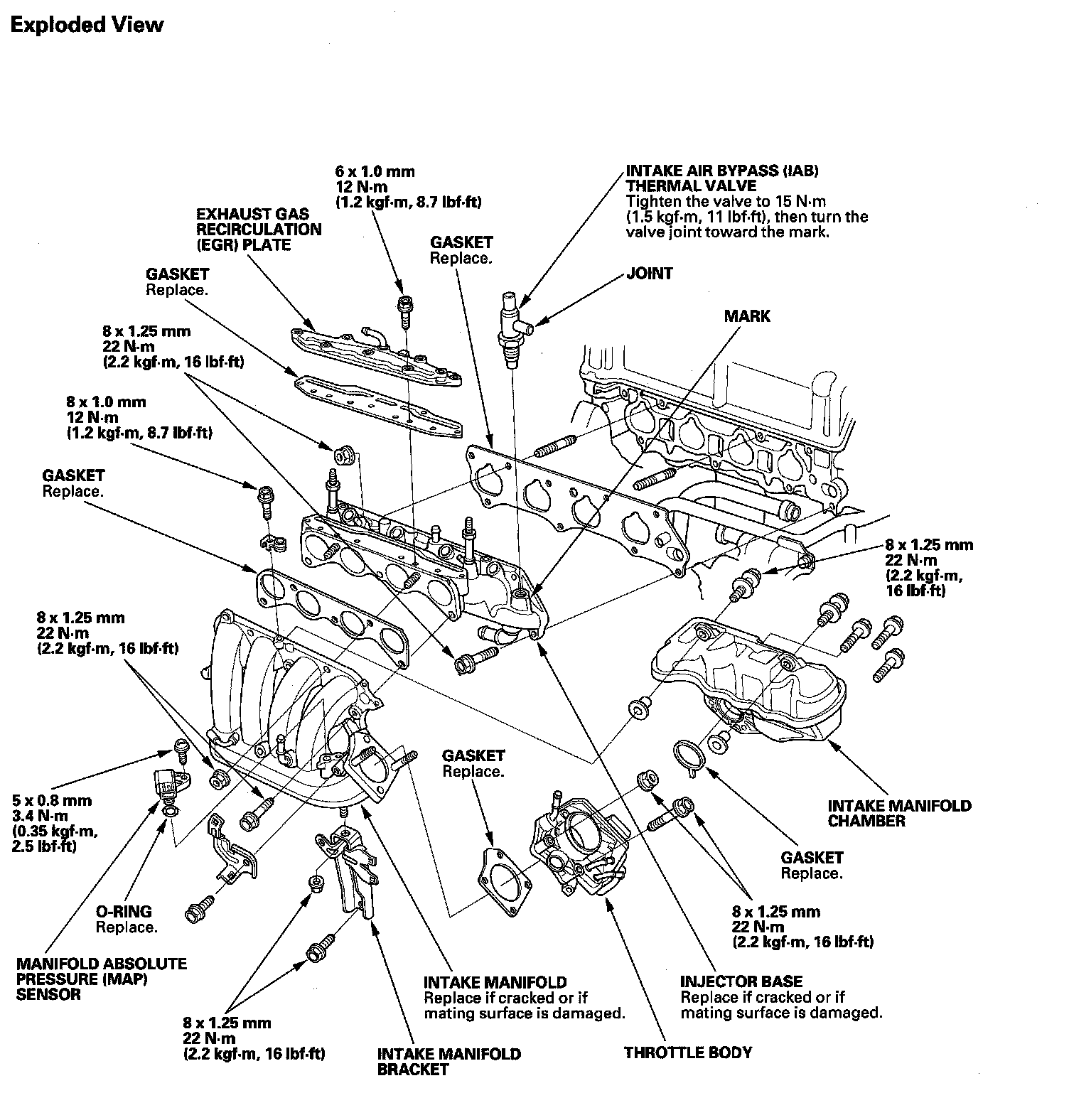
Intake Manifold Removal and Installation

Intake Manifold:





Removal
1. Disconnect the mass air flow (MAF) sensor/intake air temperature (IAT) sensor connector (A).





2. Remove the vacuum hose (B) and breather pipe (C), then remove the intake air duct (D).
3. Remove the engine cover.





4. Remove the evaporative emission (EVAP) canister hose (A) manifold absolute pressure (MAP) sensor connector (B) and brake booster vacuum hose (C).





5. Remove the harness bracket mounting bolts (D).
6. Remove the water bypass hoses, then plug the water bypass hoses.





7. Disconnect the throttle actuator connector (A).
8. Remove the front grille cover.





9. Disconnect the fan motor connectors (A) and engine coolant temperature (ECT) sensor 2 connector (B), then remove the harness clamps (C) and A/C compressor clutch connector (D).





10. Remove the upper brackets and cushions (A), then remove the bulkhead (B).





11. Remove the coolant reservoir (A), then remove the A/C condenser fan shroud (B).





12. Raise the vehicle on the lift.
13. Remove the connectors (A), then remove the intake manifold bracket (B).





14. Lower the vehicle on the lift.
15. Remove the intake manifold.





Installation
1. Install the intake manifold (A) with a new gasket (B), and tighten the bolts/nuts in a crisscross pattern in two or three steps, beginning with the inner bolt.





2. Raise the vehicle on the lift to full height.
3. Install the intake manifold bracket (A), then install the connectors (B).





4. Lower the vehicle on the lift.
5. Install the A/C condenser fan shroud (A), then install the reserve tank (B).





6. Install the bulkhead (A), then install the upper bracket and cushions (B).





7. Install the A/C compressor clutch connector (A) and harness clamps (B), then connect the engine coolant temperature (ECT) sensor 2 connector (C) and fan motor connectors (D).





8. Install the front grille cover.





9. Install the water bypass hoses.





10. Connect the throttle actuator connector (A).
11. Install the evaporative emission (EVAP) canister hose (A), manifold absolute pressure (MAP) sensor connector (B) and brake booster vacuum hose (C).





12. Install the harness bracket mounting bolts (D).
13. Install the engine cover.





14. Install the intake air duct (A), then connect the mass air flow (MAF) sensor/intake air temperature (IAT) sensor connector (B), and install the vacuum hose (C) and breather pipe (D).





15. Clean up any spilled engine coolant.
16. After installation, check that all tubes, hoses, and connectors are installed correctly.
17. Refill the radiator with engine coolant, and bleed air from the cooling system with the heater valve open.