Curiosii for ever!
: Car repair manuals for everyone.
Home
>>
Honda Truck
>>
2007
>>
Element 2WD L4-2.4L
>>
Repair and Diagnosis
>>
Diagrams
>>
Electrical Diagrams
>>
Powertrain Management
>>
System Diagram
>>
Control Module Circuit Diagrams
>>
ECM/PCM Electrical Connections
ECM/PCM Electrical Connections
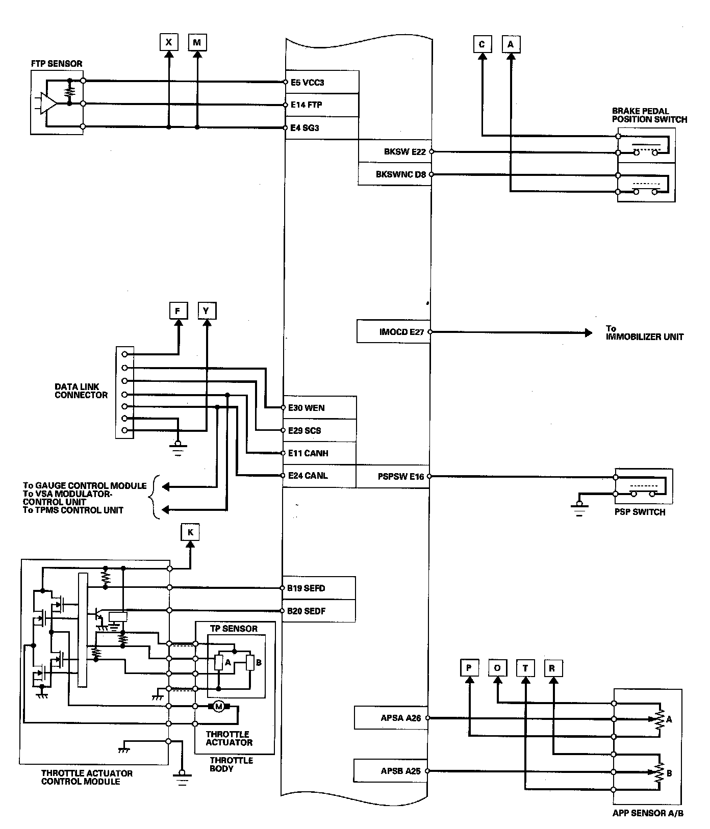
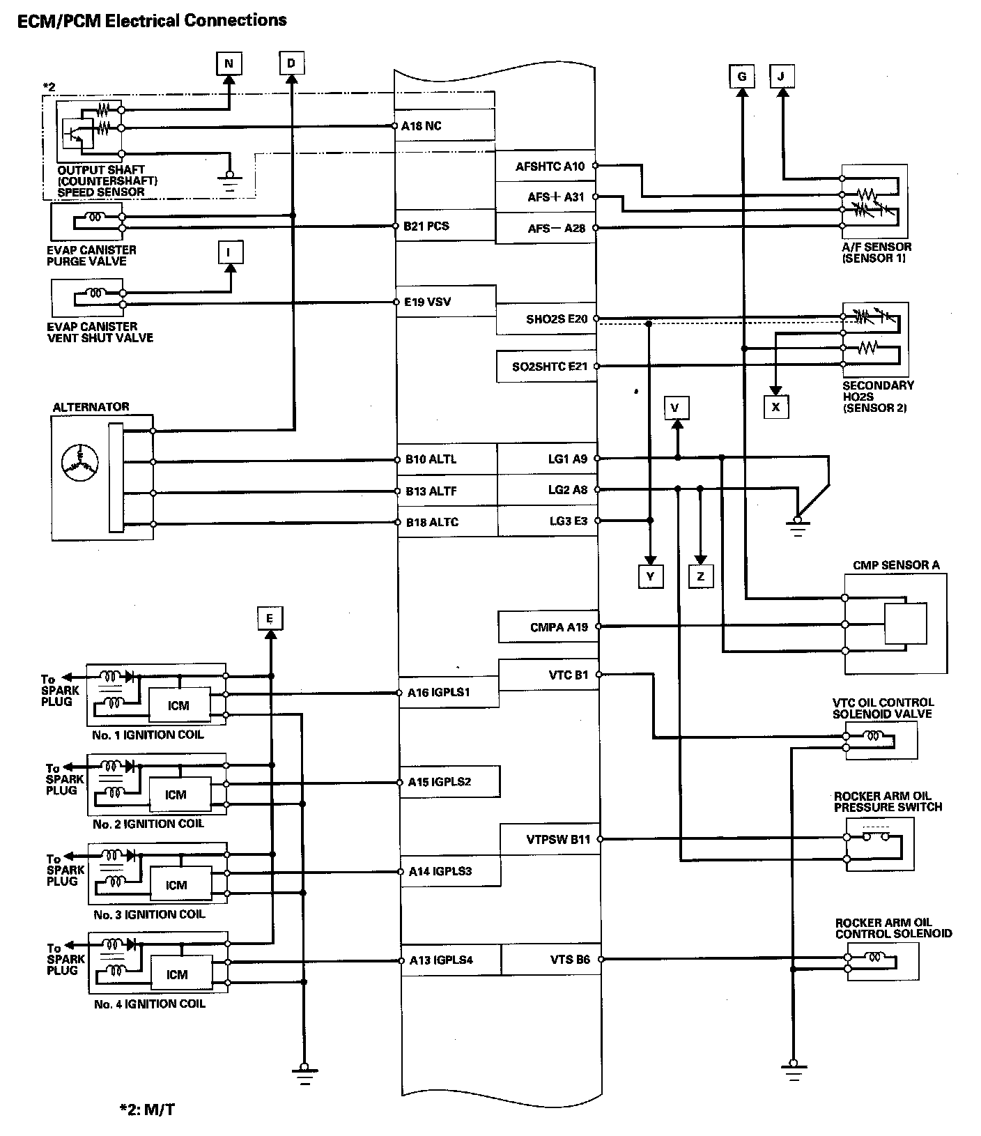
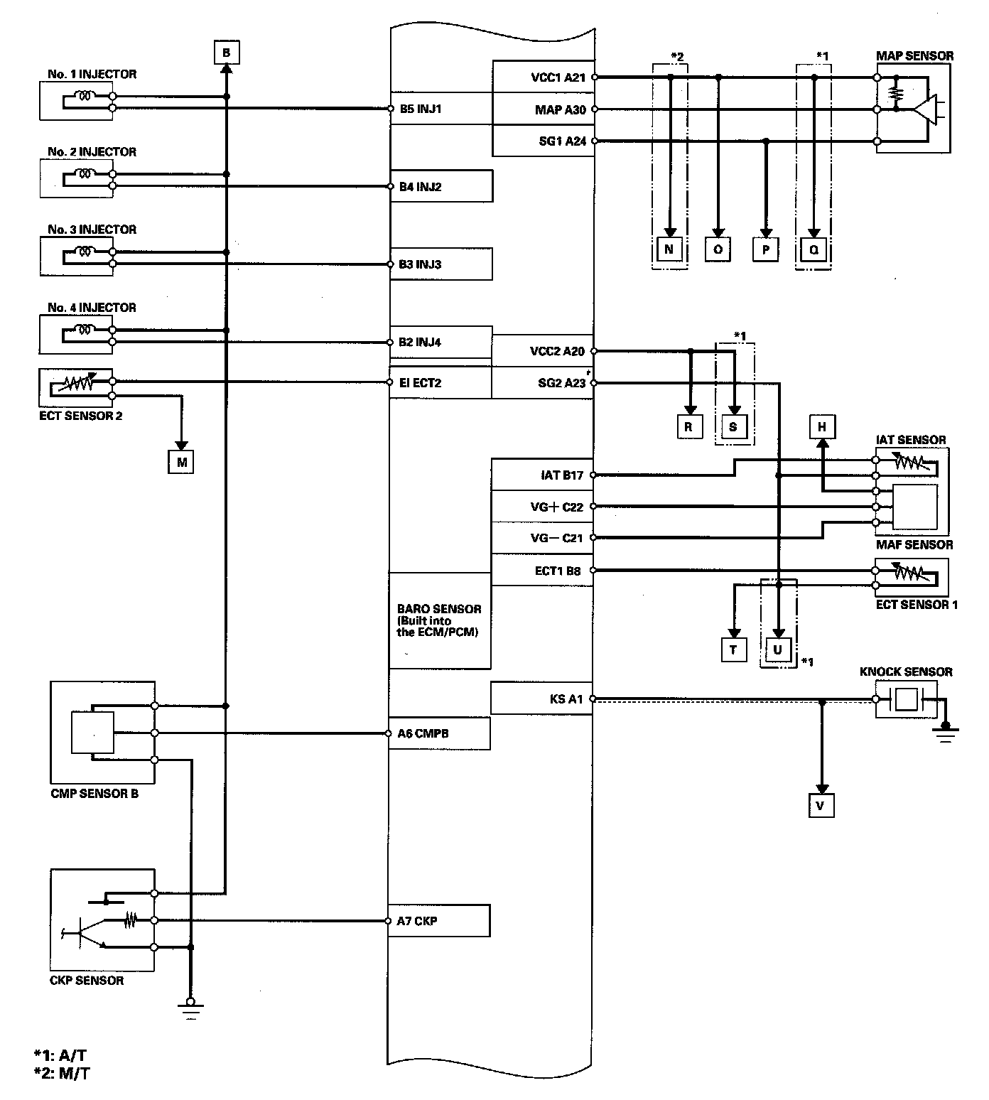
ECM/PCM Electrical Connections Part 1:
ECM/PCM Electrical Connections Part 2:
ECM/PCM Electrical Connections Part 3:
ECM/PCM Electrical Connections Part 4:
ECM/PCM Electrical Connections Part 5: