Curiosii for ever!: Car repair manuals for everyone.

Power Mirror Switch Test/ Replacement

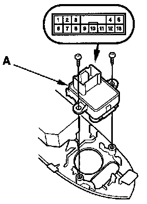
Power Mirror Switch Test/Replacement

1. Remove the driver's door panel.




2. Disconnect the 13P connector from the power mirror switch (A).




3. Check for continuity between the terminals in each switch position according to the table.
4. If the continuity is not as specified, remove the screws and replace the switch.