Curiosii for ever!: Car repair manuals for everyone.

Front Fender Liner: Service and Repair

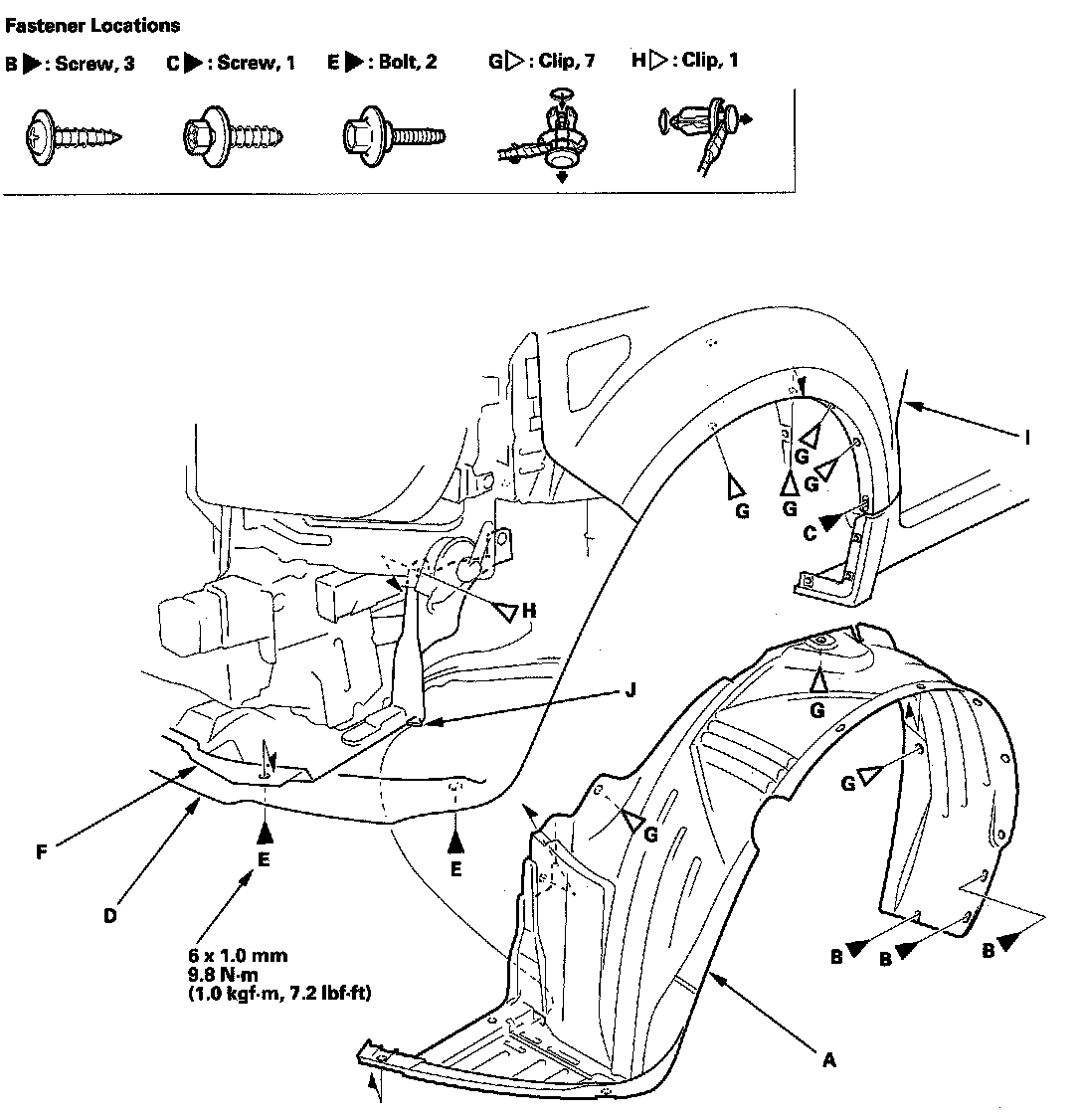
Front Inner Fender Replacement

NOTE: Take care not to scratch the body.




1. Remove the front inner fender (A).
1. On the back of the wheel arch, remove the screws (B, C).
2. From under the front bumper (D), remove the bolts (E) securing the front bumper, splash shield (F), and front inner fender.
3. From the wheel arch, remove the clips (G, H) securing the front inner fender, front cladding (I) (and splash shield) on the body.
4. Release the hook (J) of the splash shield from the front inner fender.
5. From the wheel arch, pull the front inner fender out from between the body and front cladding, then remove the front inner fender.

2. Install the inner fender in the reverse order of removal, and note these items:
- Check if the clips are damaged or stress-whitened, and if necessary, replace them with new ones.
- Push the clips into place securely.