Curiosii for ever!: Car repair manuals for everyone.

Transmission Position Sensor/Switch: Service and Repair

Transmission Range Switch Replacement
1. Raise the vehicle on a lift, or apply the parking brake, block rear wheels, and raise the front of the vehicle. Make sure it is securely supported.
2. Shift the N position.
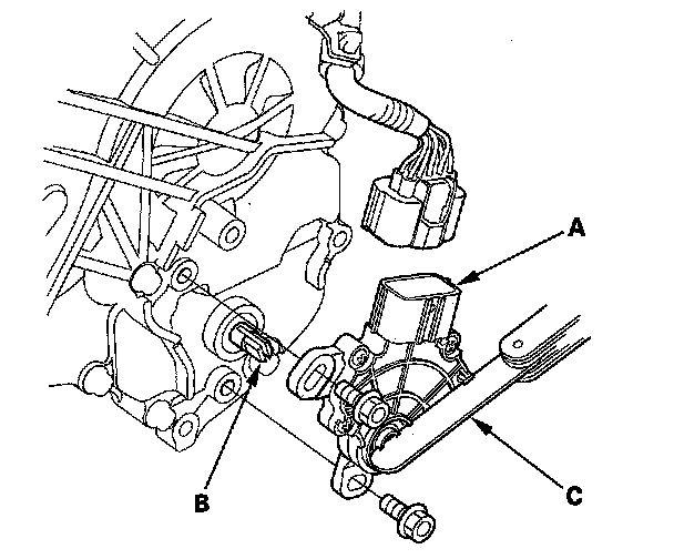
3. Remove the transmission range switch cover.





4. Remove the transmission range switch.





5. Make sure the control shaft is in the N position. If necessary, move the shift lever to the N position.

NOTE: Do not use the selector control shaft to adjust the shift position. If the control shaft tips are squeezed together it will cause a faulty signal or position due to play between the selector control shaft and switch.





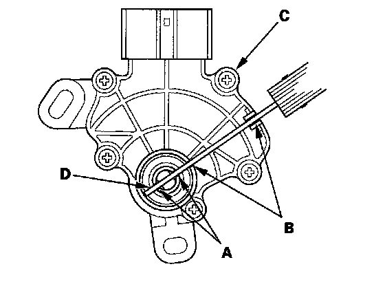
6. Align the cutouts (A) on the rotary-frame with the neutral positioning cutouts (B) on the transmission range switch (C), then put a 2.0 mm (0.08 in.) feeler gauge blade (D) in the cutouts to hold the switch in the N position.

NOTE: Be sure to use a 2.0 mm (0.08 in.) blade or equivalent to hold the switch in the N position.





7. Install the transmission range switch (A) gently on the selector control shaft (B) while holding it in the N position with the 2.0 mm (0.08 in.) blade (C).





8. Tighten the bolts on the transmission range switch while you continue to hold the N position. Do not move the transmission range switch when tightening the bolts. Remove the feeler gauge.





9. Check the connectors for rust, dirt, or oil, then connect the connector securely.
10. Turn the ignition switch ON (II). Move the shift lever through all positions, and make sure the transmission range switch is synchronized with the A/T gear position indicator.
11. Make sure the engine will start in the P and N positions, and will not start in any other shift lever position.
12. Make sure the back-up lights come on when the shift lever is in the R position.
13. Allow the all four wheels (4WD model) or the front wheels (2WD model) to rotate freely, then start the engine, and check the shift lever operation.
14. Install the transmission range switch cover.