Curiosii for ever!
: Car repair manuals for everyone.
Home
>>
Honda Truck
>>
2007
>>
CR-V 2WD L4-2.4L
>>
Repair and Diagnosis
>>
Powertrain Management
>>
Diagrams
>>
Electrical Diagrams
>>
Control Module Circuit Diagrams
>>
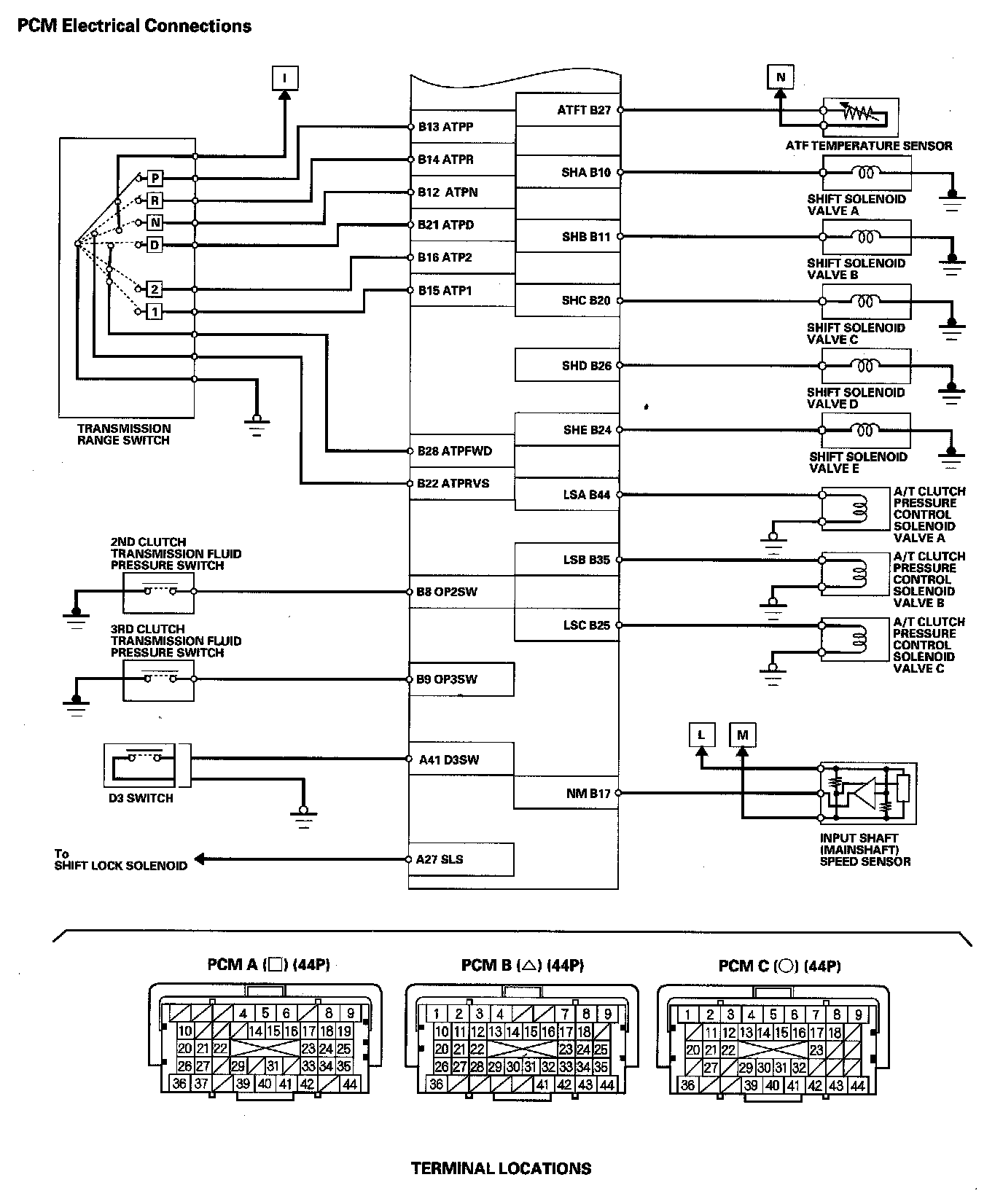
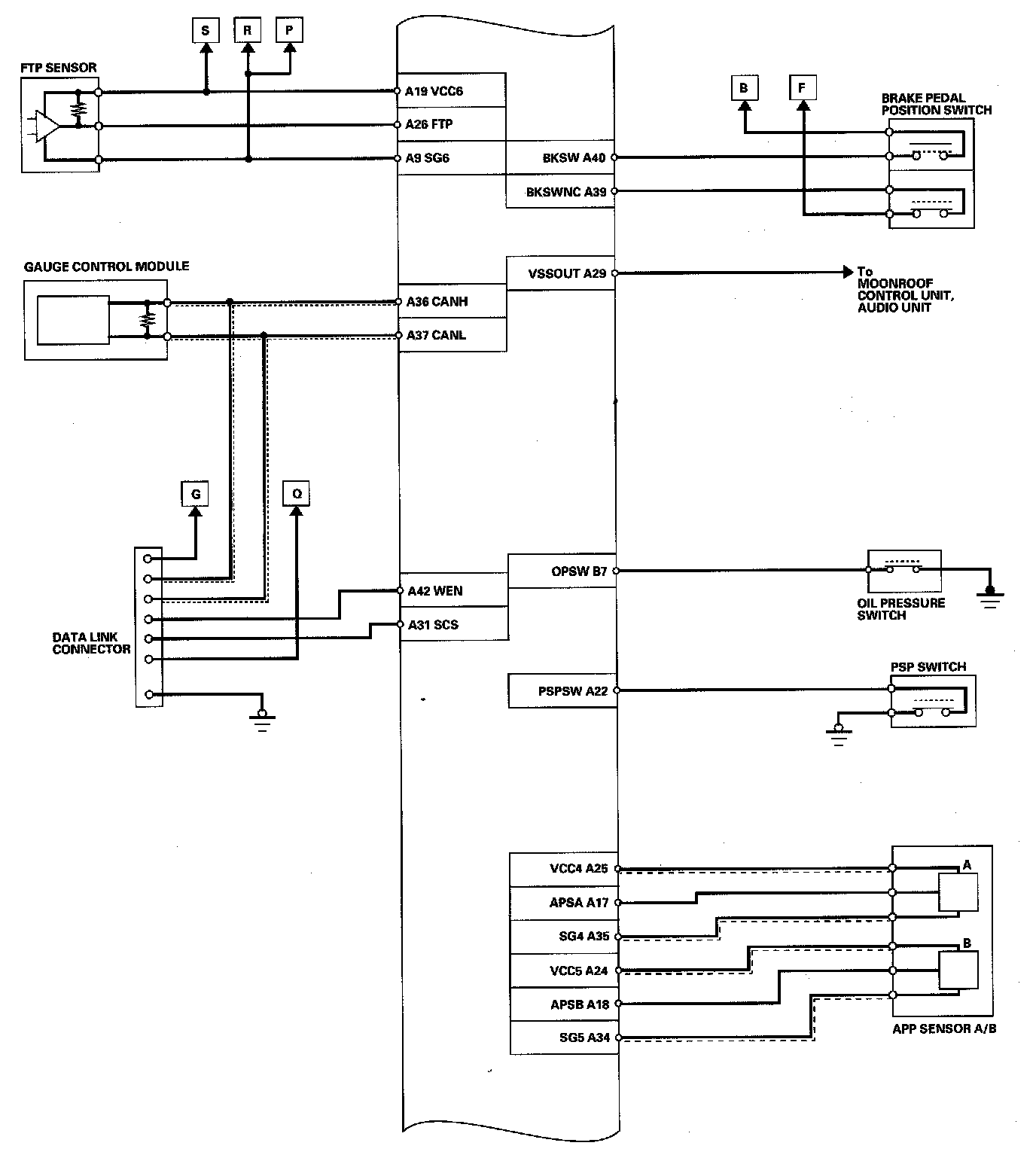
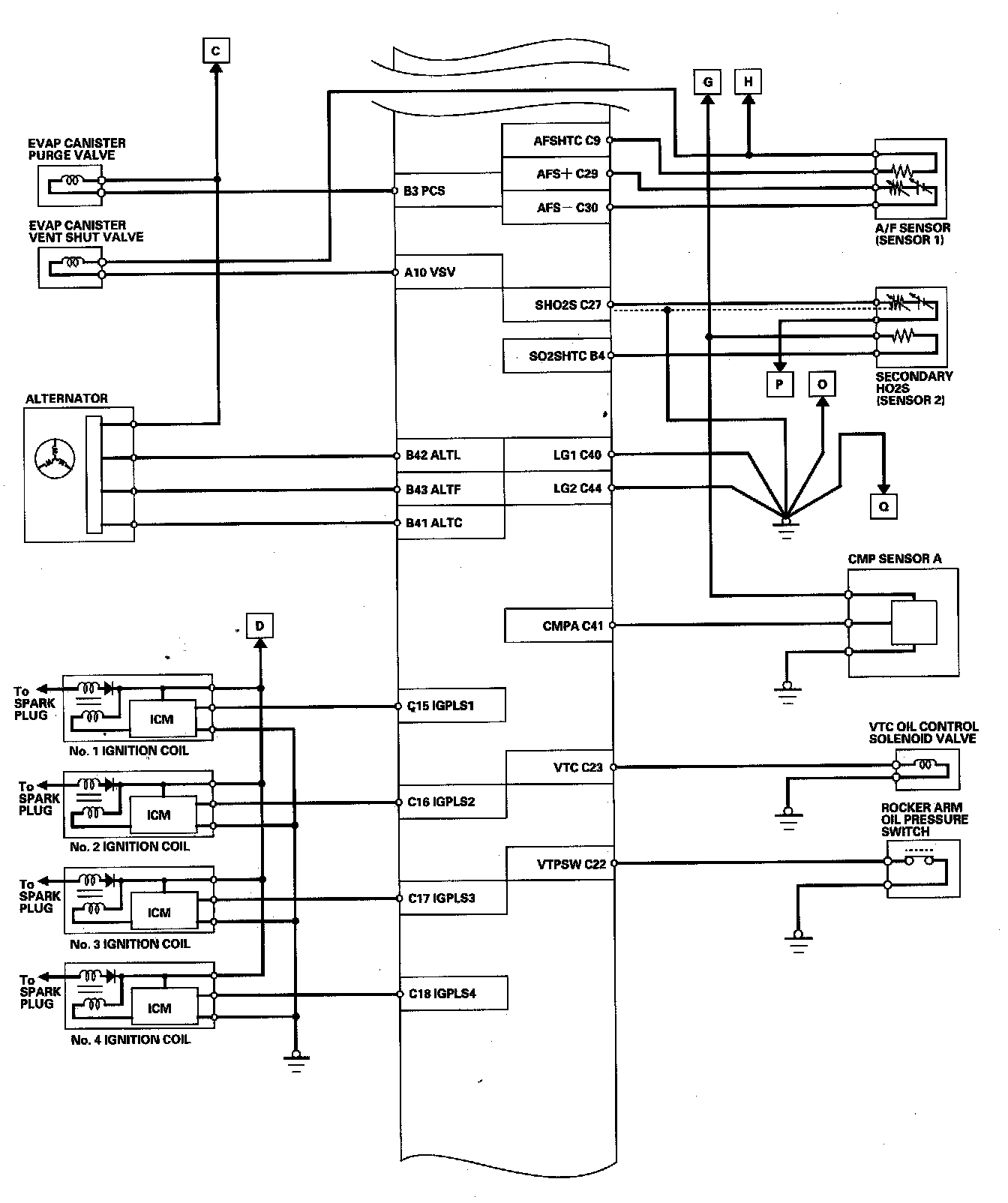
PCM Electrical Connections
PCM Electrical Connections
PCM Electrical Connections Part 1:
PCM Electrical Connections Part 2:
PCM Electrical Connections Part 3:
PCM Electrical Connections Part 4:
PCM Electrical Connections Part 5:
PCM Electrical Connections Part 6: