Curiosii for ever!: Car repair manuals for everyone.

Intake Manifold

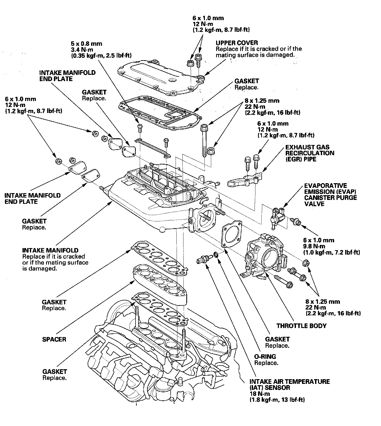
Intake Manifold:





Intake Manifold





Install the intake manifold. Tighten the bolts and nuts sequentially, in two or three steps. Always use a new intake manifold gasket.





Install the upper cover. Tighten the bolts and nuts sequentially, in two or three steps. Always use a new gasket.