Curiosii for ever!
: Car repair manuals for everyone.
Home
>>
Honda Truck
>>
2006
>>
Ridgeline V6-3.5L
>>
Repair and Diagnosis
>>
Heating and Air Conditioning
>>
Control Assembly
>>
Locations
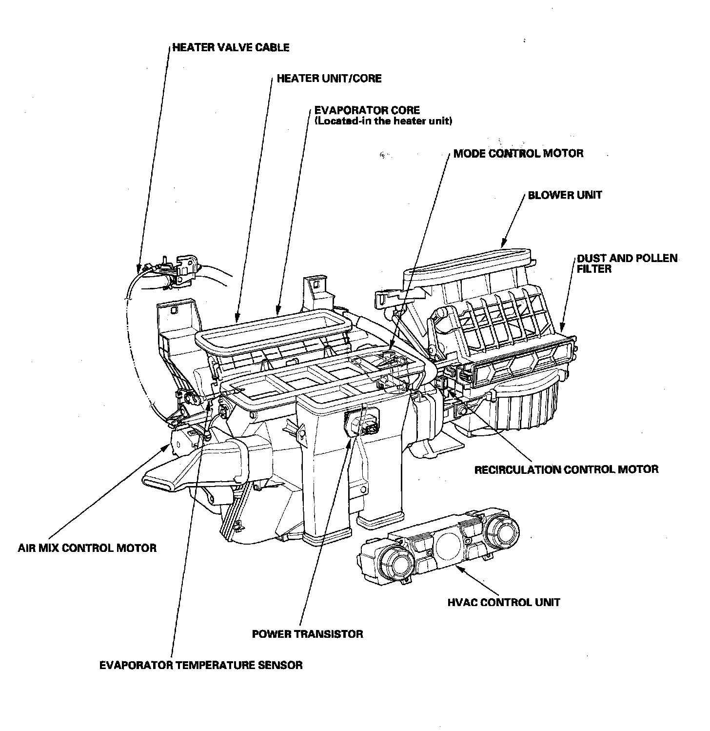
Control Assembly: Locations
Heating/Air Conditioning - Component Location Index: