Control Unit: Service and Repair
VTM-4 Control Unit ReplacementNOTE: The VTM-4 control unit must be initialized after replacement, otherwise the 4WD system will not work.
1. Remove the jack cover and jack.
2. Remove the fuel filler door latch from the body by turning it 90 degrees.
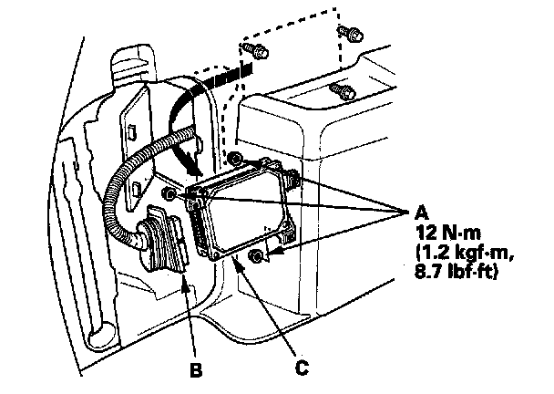
3. Loosen the three nuts (A).
4. Disconnect the VTM-4 control unit connectors (B).
5. Remove the VTM-4 control unit (C).
6. Install the VTM-4 control unit in the reverse order of removal.