Curiosii for ever!: Car repair manuals for everyone.

Compressor HVAC: Service and Repair

A/C Compressor Replacement

1. If the A/C compressor is marginally operable, run the engine at idle speed, and let the air conditioning work for a few minutes, then shut the engine off.
2. Make sure you have the anti-theft codes for the radio and the navigation system, then write down the audio presets.
3. Disconnect the negative cable from the battery.
4. Recover the refrigerant with a recovery/recycling/charging station.
5. Remove the alternator.




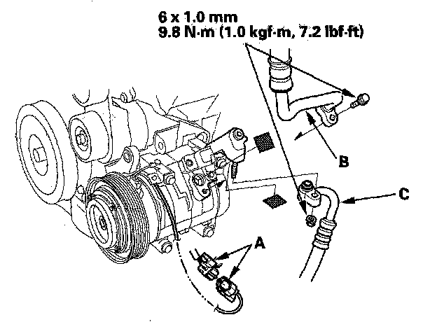
6. Remove the bolts from the cooler line brackets (A).




7. Remove the A/C compressor clutch harness clip (A) from the A/C condenser fan shroud (B), then disconnect the connector. Disconnect the A/C condenser fan connector (C), then remove the wire harness clips (D) from the A/C condenser fan shroud. Loosen the lower mounting bolts, then remove the upper mounting bolts and the A/C condenser fan shroud. Be careful not to damage the radiator fins when removing the A/C condenser fan shroud.




8. Disconnect the A/C compressor clutch connector (A) remove the bolt and the nut, then disconnect the suction line (B) and discharge line (C) from the A/C compressor. Plug or cap the lines immediately after disconnecting them to avoid moisture and dust contamination.




9. Remove the mounting bolts and the A/C compressor, Be careful not to damage the radiator fins when removing the A/C compressor.
10. Install the A/C compressor in the reverse order of removal, and note these items:
- If you're installing a new A/C compressor, you must calculate the amount of refrigerant oil to be removed from it.
- Replace the O-rings with new ones at each fitting, and apply a thin coat of refrigerant oil before installing them. Be sure to use the correct O-rings for HFC-134a (R-134a) to avoid leakage.
- Use refrigerant oil (DENSO ND-OIL 8) for HFC-134a DENSO piston type A/C compressor only.
- To avoid contamination, do not return the oil to the container once dispensed, and never mix it with other refrigerant oils.
- Immediately after using the oil, reinstall the cap on the container, and seal it to avoid moisture absorption.
- Do not spill the refrigerant oil on the vehicle; it may damage the paint; if the refrigerant oil contacts the paint, wash it off immediately.
- Be careful not to damage the radiator fins when installing the A/C compressor or the A/C condenser fan shroud.
- Charge the system.
- Reset the power window control unit.
- Enter the anti-theft codes for the radio, and the navigation system then enter the audio presets.