Curiosii for ever!: Car repair manuals for everyone.

How to Substitute the PCM

How to Substitute the PCM





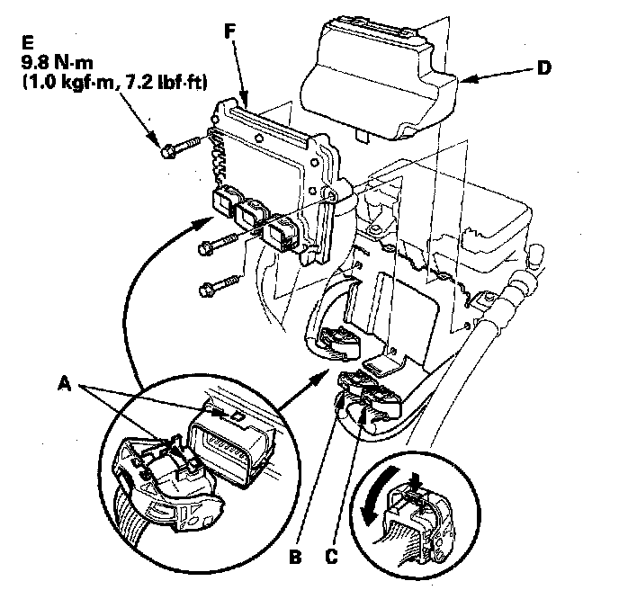
1. Connect the HDS to the DLC (A).
2. Jump the SCS line with the HDS.





3. Remove the PCM cover (D).
4. Disconnect PCM connectors A, B, and C.

NOTE: PCM connectors A, B, and C have symbols (A=[square], B=[circle], C=[triangle]) embossed on them for identification.

5. Remove the mounting bolts (E), and remove the PCM (F).
6. Install a known-good PCM in the reverse order of removal.
7. Open the SCS with the HDS.
8. Turn the ignition switch ON (II).

NOTE: If DTC P0630 VIN not Programmed or Mismatch will be stored because the VIN has not been programmed into the PCM; ignore it, and continue this procedure.

9. Input the VIN to the PCM with the HDS.
10. Rewrite the immobilizer code with the PCM replacement procedure in the HDS; it allows you to start the engine.
11. Reset the PCM with the HDS while the engine is stopped.
12. Select INSPECTION MENU with the HDS.
13. Do the TP POSITION CHECK in the ETCS TEST.
14. Do the PCM idle learn procedure.