Curiosii for ever!
: Car repair manuals for everyone.
Home
>>
Honda Truck
>>
2006
>>
Pilot 2WD V6-3.5L
>>
Repair and Diagnosis
>>
Heating and Air Conditioning
>>
Solar Sensor
>>
Locations
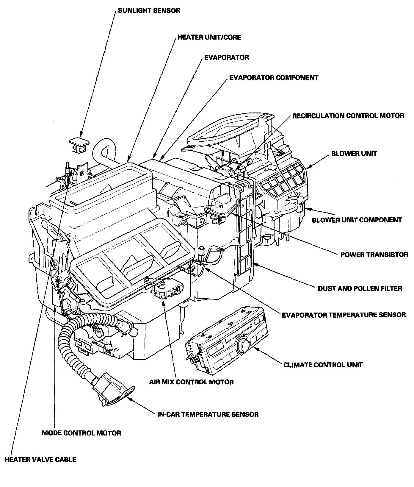
Solar Sensor: Locations
Climate Control - Component Location Index:
59. Middle Of Dash (EX, EX-L):