Curiosii for ever!
: Car repair manuals for everyone.
Home
>>
Honda Truck
>>
2006
>>
Pilot 2WD V6-3.5L
>>
Repair and Diagnosis
>>
Diagrams
>>
Exploded Views
>>
Cylinder Block Assembly
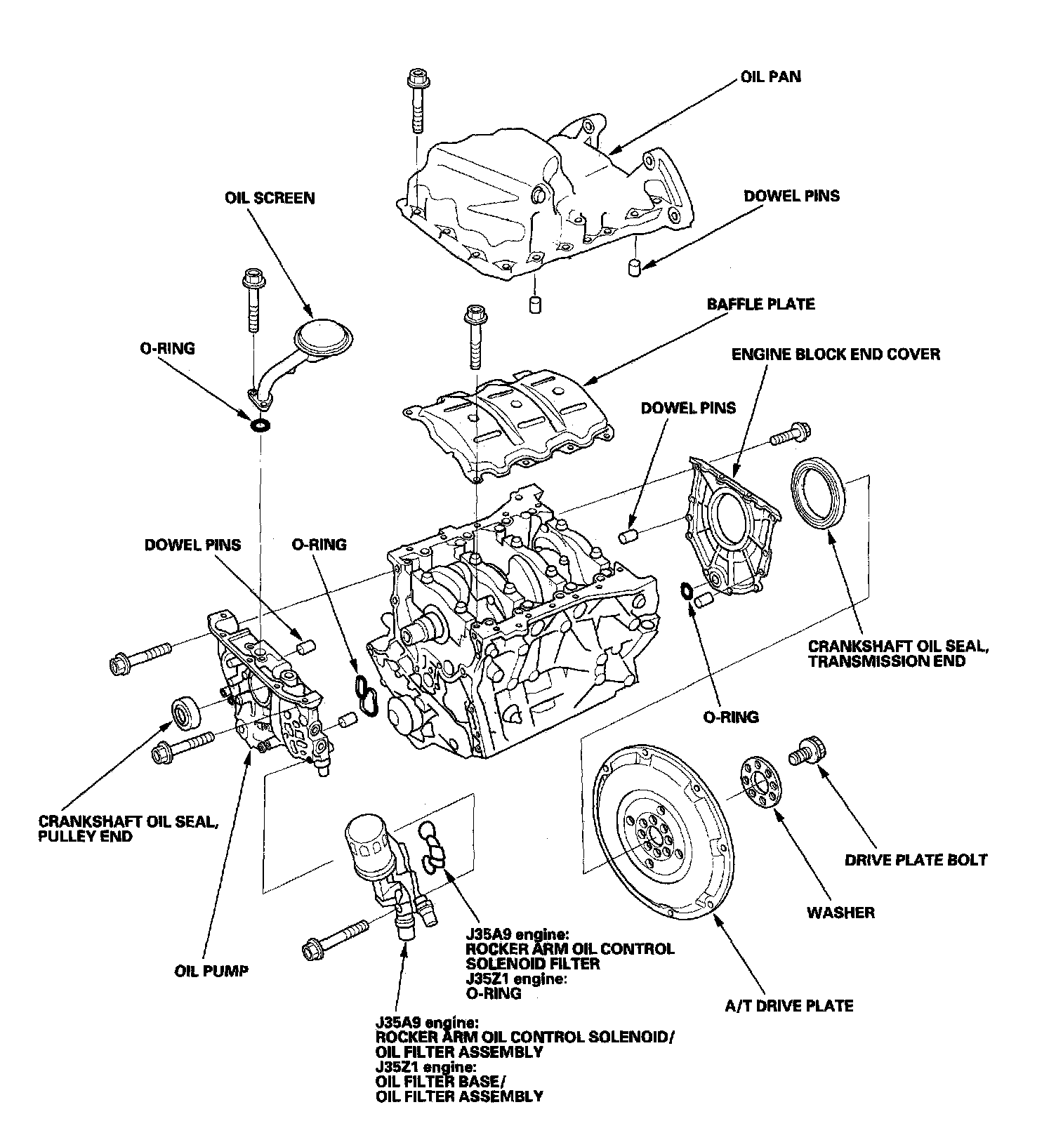
Cylinder Block Assembly
Engine Block Component Location Index:
Engine Block Component Location Index:
Engine Block Component Location Index: