Curiosii for ever!: Car repair manuals for everyone.

Fuel Level Sensor: Service and Repair

Fuel Pump/Fuel Gauge Sending Unit Replacement

Special Tools Required
Fuel sender wrench 07AAA-S0XA100

1. Relieve the fuel pressure.
2. Remove the fuel fill cap.
3. Remove the second row seat.




4. Remove the access panel (A) from the floor.

5. Disconnect the fuel pump 5P connector (B).
6. Disconnect the quick-connect fitting (C) from the fuel tank unit.




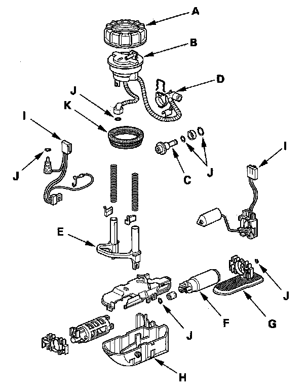
7. Using the special tool, loosen the locknut (A).




8. Remove the locknut (A) and the fuel tank unit.
9. Remove the fuel filter (B), fuel pressure regulator (C), pressure regulator bracket (D) and linkage (E).
10. Remove the fuel pump (F) and suction filter (G) from the reservoir (H).
11. When installing the fuel pump, make sure the connection is secure and the suction filter is firmly connected to the fuel pump.
12. Check these items before installing the fuel tank unit:
- When connecting the wire harness, make sure the connection is secure and the connectors (I) are firmly locked into place.
- When installing the fuel gauge sending unit make sure the connection is secure and the connector is firmly looked into place. Be careful not to bend or twist it excessively.

13. Install the parts in the reverse order of removal with new O-rings (J) a new base gasket (K), and a new locknut.

NOTE: After installation, check the base gasket visually or by hand to be sure the gasket is not pinched.