Curiosii for ever!: Car repair manuals for everyone.

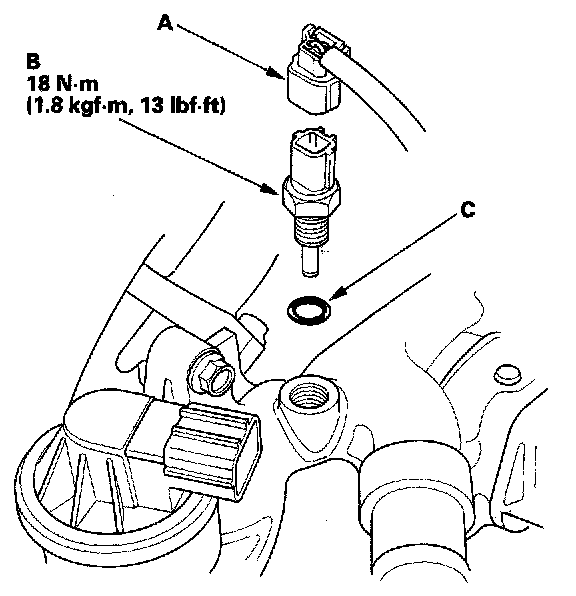
ECT Sensor 1 Replacement

ECT Sensor 1 Replacement

1. Drain the engine coolant.
2. Remove the intake manifold cover.




3. Disconnect the ECT sensor 1 2P connector (A).
4. Remove ECT sensor 1 (B).
5. Install the sensor in the reverse order of removal with a new O-ring (C), then refill the radiator with engine coolant, and bleed air from the cooling system with the heater valve open.