Curiosii for ever!: Car repair manuals for everyone.

EGR Valve: Service and Repair

EGR Passage Replacement
1. Drain the engine coolant.





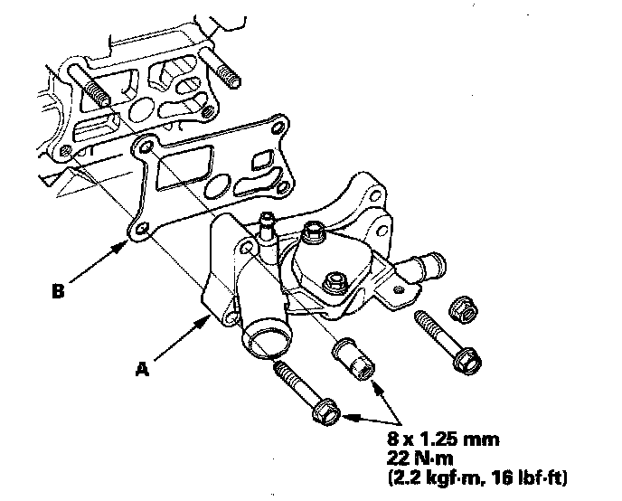
2. Remove the two bolts (A) securing the evaporative emission (EVAP) canister purge valve bracket and remove the two bolts (B) securing the harness bracket.





3. Remove the upper radiator hose (A), heater hose (B), water bypass hose (C), and connecting pipe mounting bolt (D).





4. Remove the exhaust gas recirculation (EGR) passage (A).
5. Install the EGR passage with a new gasket (B).
6. Install the other parts in the reverse order of removal.
7. Refill the radiator with engine coolant, and bleed air from the cooling system with the heater valve open.